E-TECH RESEARCH, INC.
UFOMATE P1496MX (REV. 1)
Card Type |
Modem(asynchronous) |
Chip Set |
Unidentified |
Maximum Data Rate |
14.4Kbps |
Maximum Fax Rate |
9600bps |
Data Bus |
External |
Fax Class |
Class I & II |
Data Modulation Protocol |
Bell 103A/212A ITU-T V.21, V.22, V.22bis, V.23, V.32, V.32bis |
Fax Modulation Protocol |
ITU-T V.21CH2, V.27ter, V.29 |
Error Correction/Compression |
MNP5, V.42, V.42bis |
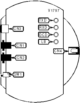
CONNECTIONS | ||||||
Function |
Label |
Function |
Label | |||
Line in |
CN1 |
Power in |
CN4 | |||
Line out |
CN2 |
Power switch |
SW1 | |||
RS-232/422 |
CN3 |
DIAGNOSTIC LED(S) | |||
LED |
Color |
Status |
Condition |
TXD |
Red |
On |
Modem is transmitting data |
TXD |
Red |
Off |
Modem is not transmitting data |
RXD |
Red |
On |
Modem is receiving data |
RXD |
Red |
Off |
Modem is not receiving data |
DCD |
Red |
On |
Carrier signal detected |
DCD |
Red |
Off |
Carrier signal not detected |
LB |
Red |
On |
Battery is low (ten minutes power remaining) |
LB |
Red |
Off |
Normal operation |
Proprietary AT Command Set
BIT-MAPPED REGISTER S14 | |||||
Format: |
AT [cmds] S14=n [cmds] | ||||
Default: |
Read only | ||||
Range: |
0 - 255 | ||||
Description: |
Displays echo canceler, answer/originate, remote digital loopback, dial interrupt, buffer size | ||||
Bit |
Value |
Function | |||
0 |
0 |
Not used | |||
1 |
0 1 |
Standard canceler enabled Long canceler for round trip delays of over 36.833ms enabled | |||
2 |
0 1 |
Answer mode Originate mode | |||
3 |
0 1 |
Remotely requested remote digital loopback disabled Remotely requested remote digital loopback enabled | |||
4 |
0 |
Not used | |||
5 |
0 1 |
Dial interrupt disabled Dial interrupt enabled | |||
6 |
0 1 |
Normal (2.2K)buffer size Small (1.5K)buffer |
BIT-MAPPED REGISTER S21 | |||||
Format: |
AT [cmds] S21=n [cmds] | ||||
Default: |
0 | ||||
Range: |
0 - 255 | ||||
Description: |
Controls speed conversion and flow control | ||||
Bit |
Value |
Function | |||
3. 2, 1, 0 |
í 00000001 0010 0011 0100 0101 0110 0111 1000 |
Speed conversion enabled Speed conversion disabled Speed conversion disabled Speed conversion disabled Speed conversion disabled Speed conversion disabled Speed conversion disabled Speed conversion disabled Speed conversion disabled | |||
7, 6, 5, 4 |
í 00000001 0010 0011 0100 0101 |
XON/XOFF enabled XON/XOFF passthrough enabled ENQ/ACK enabled DTR/DSR enabled CTS/RTS enabled Flow control disabled |
BIT-MAPPED REGISTER S22 | |||||
Format: |
AT [cmds] S22=n [cmds] | ||||
Default: |
4 | ||||
Range: |
0 - 255 | ||||
Description: |
Controls speaker and extended result codes | ||||
Bit |
Value |
Function | |||
3, 2, 1, 0 |
0000 0001 0010 0011 í 0100 |
Disabled Enable extended result codes Enable extended result codes and dial tone detect Enable extended result codes and busy signal detect Enable dial tone detect and busy signal detect | |||
7, 6, 5, 4 |
0000 0001 0010 |
Speaker disabled Speaker disabled until DCD high Speaker enabled |
BIT-MAPPED REGISTER S23 | |||||
Format: |
AT [cmds] S23=n [cmds] | ||||
Default: |
0 | ||||
Range: |
0 -255 | ||||
Description: |
Controls test options, serial port speed, parity and guard tone | ||||
Bit |
Value |
Function | |||
7, 6, 5, 4 |
0000 0001 0010 |
Guard tone disabled 550Hz guard tone enabled 1800Hz guard tone enabled |
BIT-MAPPED REGISTER S28 | |||||
Format: |
AT [cmds] S28=n [cmds] | ||||
Default: |
49 | ||||
Range: |
0 - 255 | ||||
Description: |
Controls speaker and error correction | ||||
Bit |
Value |
Function | |||
3, 2, 1, 0 |
0000 í 00010010 0011 |
Speaker disabled Speaker disabled until DCD high Speaker enabled Speaker while dialing until DCD high | |||
7, 6, 5, 4 |
0000 0001 0010 í 00110100 |
Normal mode Auto MNP mode MNP mode Auto V.42 mode LAPM mode |
BIT-MAPPED REGISTER S29 | |||||
Format: |
AT [cmds] S29=n [cmds] | ||||
Default: |
0 | ||||
Range: |
0 - 255 | ||||
Description: |
Controls DTR and carrier control | ||||
Bit |
Value |
Function | |||
3, 2, 1, 0 |
0000 0001 0010 0011 |
DTR ignored Escape command state on low DTR, remain off hook Go on hook and auto answer disabled Reset on low DTR | |||
7, 6, 5, 4 |
0000 0001 0010 0011 |
DCD forced high DCD follows remote modem Conforms to Computer Systems Interface Conforms to Port Contender |
BUFFER SIZE | ||
Type: |
Configuration | |
Format: |
AT [cmds] $Bn [cmds] | |
Description: |
Controls buffer size | |
Command |
Function | |
í $B0 |
Normal buffer size (2.2K) | |
$B1 |
Reduce buffer size to 1.5K |
CANCELER | ||
Type: |
Configuration | |
Format: |
AT [cmds] $An [cmds] | |
Description: |
Controls echo canceler length | |
Command |
Function | |
$A0 |
Standard canceler enabled | |
í $A1 |
Long canceler for round trip delays of over 36.833ms enabled |
CARRIER DETECT | ||
Type: |
Configuration | |
Format: |
AT [cmds] &Cn [cmds] | |
Description: |
Controls DCD, Computer Systems Interface and Port Contender | |
Command |
Function | |
í &C0 |
DCD forced high | |
&C1 |
DCD follows remote modem | |
&C2 |
Conforms to Computer Systems Interface | |
&C3 |
Conforms to Port Contender |
COMPRESSION | ||
Type: |
Configuration | |
Format: |
AT [cmds] $Cn [cmds] | |
Description: |
Controls data compression | |
Command |
Function | |
$C0 |
Data compression disabled | |
í $C1 |
Data compression enabled |
CONNECT/SPEED MESSAGE | ||
Type: |
Configuration | |
Format: |
AT [cmds] $Xn [cmds] | |
Description: |
Controls connect and speed message displayed | |
Command |
Function | |
$X0 |
Normal connect and DCE speed message enabled | |
$X1 |
Normal connect and DTE speed message enabled | |
í $X2 |
Extended connect and DCE speed message enabled | |
$X3 |
Extended connect and DTE speed message enabled |
DIAL INTERRUPT | ||
Type: |
Configuration | |
Format: |
AT [cmds] $Kn [cmds] | |
Description: |
Controls dial interrupt | |
Command |
Function | |
$K0 |
Dial interrupt disabled | |
í $K1 |
Dial interrupt enabled |
DISPLAY STORED INFORMATION | ||
Type: |
Configuration | |
Format: |
AT [cmds] &Vn [cmds] | |
Description: |
Displays stored phone numbers, configuration profiles and S registers | |
Command |
Function | |
&V0 |
Display stored phone numbers | |
&V1 |
Display current configuration profiles | |
&V2 |
Display contents of S registers | |
&V3 |
Display stored profiles briefly |
DSR SIGNAL | |||||
Format: |
AT [cmds] S27=n [cmds] | ||||
Default: |
0 | ||||
Range: |
0 - 255 | ||||
Description: |
Controls DSR signal | ||||
Bit |
Value |
Function | |||
7 |
í 00000001 0010 0011 |
DSR forced high DSR follows remote modem Conforms to Computer Systems Interface Conforms to Port Contender |
EQUALIZATION | ||
Type: |
Configuration | |
Format: |
AT [cmds] $Qn [cmds] | |
Description: |
Controls compromise equalization | |
Command |
Function | |
$Q0 |
0dB equalization | |
$Q1 |
2dB equalization | |
í $Q2 |
4dB equalization | |
$Q3 |
6dB equalization | |
$Q4 |
8dB equalization | |
$Q5 |
10dB equalization | |
$Q6 |
12dB equalization | |
$Q7 |
14dB equalization |
FLOW CONTROL | ||
Type: |
Configuration | |
Format: |
AT [cmds] $Fn [cmds] | |
Description: |
Controls XON/XOFF, ENQ/ACK, DTR/DSR and CTS/RTS flow control | |
Command |
Function | |
$F0 |
XON/XOFF enabled | |
$F1 |
XON/XOFF passthrough enabled | |
$F2 |
ENQ/ACK enabled | |
$F3 |
DTR/DSR enabled | |
í $F4 |
CTS/RTS enabled | |
$F5 |
Flow control disabled |
INACTIVITY TIMER | |
Type |
Configuration |
Format |
AT [cmds] S36=n [cmds] |
Default |
0 |
Range |
0 - 255 |
Unit |
1 minute |
Description |
Sets length of time the modem waits before disconnect if no data sent or received |
LINE SPEED | ||
Type: |
Configuration | |
Format: |
AT [cmds] S37=n [cmds] | |
Description: |
Controls speed at which modem attempts to connect | |
Command |
Function | |
í S37=0 |
Line speed follows DTE speed. If DTE is over 9600bps, attempt connect at 14.4Kbps | |
S37=1 |
Connect at V.23 75/1200bps | |
S37=2 |
Not used | |
S37=3 |
Connect at 300bps | |
S37=4 |
Not used | |
S37=5 |
Connect at 1200bps | |
S37=6 |
Connect at 2400bps | |
S37=7 |
Connect at 4800bps | |
S37=8 |
Not used | |
S37=9 |
Connect at 9600bps | |
S37=10 |
Not used | |
S37=11 |
Not used |
LINE SPEED | ||
Type: |
Configuration | |
Format: |
AT [cmds] &Ln [cmds] | |
Description: |
Controls speed at which modem attempts to connect | |
Command |
Function | |
í &L0 |
Line speed follows DTE speed. If DTE is over 9600bps, attempt connect at 14.4Kbps | |
&L1 |
Connect at V.23 75/1200bps | |
&L2 |
Not used | |
&L3 |
Connect at 300bps | |
&L4 |
Not used | |
&L5 |
Connect at 1200bps | |
&L6 |
Connect at 2400bps | |
&L7 |
Connect at 4800bps | |
&L8 |
Not used | |
&L9 |
Connect at 9600bps | |
&L10 |
Not used | |
&L11 |
Not used |
PARITY | |||||
Format: |
AT [cmds] S30=n [cmds] | ||||
Default: |
0 | ||||
Range: |
0 - 255 | ||||
Description: |
Controls parity | ||||
Bit |
Value |
Function | |||
1, 0 |
00 01 10 11 |
Parity even Parity space Parity odd Parity null |
PROTOCOL | ||
Type: |
Configuration | |
Format: |
AT [cmds] $En [cmds] | |
Description: |
Controls protocol used | |
Command |
Function | |
$E0 |
Normal mode | |
$E1 |
Auto MNP mode | |
$E2 |
MNP mode | |
í $E3 |
Auto V.42 mode | |
$E4 |
LAPM mode |
RETRAIN | |||||
Format: |
AT [cmds] S15=n [cmds] | ||||
Default: |
5 | ||||
Range: |
0 -255 | ||||
Description: |
Controls number of retrains per minute allowed | ||||
Bit |
Value |
Function | |||
3, 2, 1, 0 |
0000 |
Not used | |||
7, 6, 5, 4 |
í 00000001 0010 0011 0100 |
Disconnect If more than four retrain attempts in three minutes Disconnect If more than four retrain attempts in four minutes Disconnect If more than four retrain attempts in five minutes Unlimited retrain allowed Retrain disabled |
RETRAIN LIMIT | ||
Type: |
Configuration | |
Format: |
AT [cmds] &En [cmds] | |
Description: |
Controls number of retrains per minute allowed | |
Command |
Function | |
í &E0 |
Disconnect If more than four retrain attempts in three minutes | |
&E1 |
Disconnect If more than four retrain attempts in four minutes | |
&E2 |
Disconnect If more than four retrain attempts in five minutes | |
&E3 |
Unlimited retrain allowed | |
&E4 |
Retrain disabled |
SPEED CONVERSION | ||
Type: |
Configuration | |
Format: |
AT [cmds] $Sn [cmds] | |
Description: |
Controls speed conversion | |
Command |
Function | |
$S0 |
Speed conversion enabled | |
í $S1 - $S8 |
Speed conversion disabled |
TEST STATUS | ||
Format |
AT [cmds] S16=n [cmds] | |
Default: |
Read-only | |
Range: |
0 - 255 | |
Unit: |
Bit-mapped | |
Description: |
Contains status of loopback tests | |
Bit |
Value |
Function |
0 |
0 1 |
Local analog loopback test disabled Local analog loopback test enabled |
1 |
0 |
Not used |
2 |
0 1 |
Local digital loopback test disabled Local digital loopback test enabled |
3 |
0 1 |
Remotely requested remote digital loopback enabled Remotely requested remote digital loopback disabled |
4 |
0 1 |
Locally requested remote digital loopback test not in progress Locally requested remote digital loopback test in progress |
5 |
0 1 |
Remote digital loopback with local self-test disabled Remote digital loopback with local self-test enabled |
6 |
0 1 |
Local analog loopback with local self-test disabled Local analog loopback with local self-test enabled |
7 |
0 |
Not used |
TRANSMISSION LEVEL | ||
Type: |
Configuration | |
Format: |
AT [cmds] $Tn [cmds] | |
Description: |
Controls transmission level | |
Command |
Function | |
$T0 - $T2 |
-4dBm | |
$T3 |
-6dBm | |
$T4 |
-8dBm | |
í $T5 |
-10dBm | |
$T6 |
-12dBm | |
$T7 |
-14dBm | |
$T8 |
-16dBm |
V.42bis TIMER | |
Type |
Configuration |
Format |
AT [cmds] S24=n [cmds] |
Default |
75 |
Range |
0 - 255 |
Unit |
Unidentified |
Description |
Sets the time the modem waits for V.42bis parameter negotiation before fallback to MNP or normal mode |
BITS PER CHARACTER | ||
Type: |
Configuration | |
Format: |
AT [cmds] $Ln [cmds] | |
Description: |
Sets character length while in data mode | |
Command |
Function | |
$L0 |
Not used | |
$L1 |
6 data bits, 1 stop bit | |
$L2 |
7 data bits, 1 stop bit | |
í $L3 |
8 data bits, 1 stop bit | |
$L4 |
5 data bits, 2 stop bits | |
$L5 |
6 data bits, 2 stop bits | |
$L6 |
7 data bits, 2 stop bits | |
$L7 |
8 data bits, 2 stop bits |