DIGI INTERNATIONAL, INC.
DIGIBOARD IMAC, DUAL IMAC (SWITCH VERSION)
Card Type |
ISDN to Ethernet Router |
Processor |
80186XL |
Processor Speed |
Unidentified |
Network Chip Set |
83934 SONIC |
ISDN Chip Set |
Unidentified |
Maximum Onboard Memory |
512KB DRAM/256K Flash RAM |
Network Transfer Rate |
10Mbps |
ISDN Transfer Rate |
64Kbps x 2 (x 4 for Dual IMAC) |
Data Bus |
External |
Topology |
Linear Bus |
Wiring Type |
AUI transceiver via DB-15 port RG-58A/U 50ohm coaxial |
ISDN Protocol |
Unidentified |
Switch Type |
5ESS, DMS-100, NI-1, Generic |
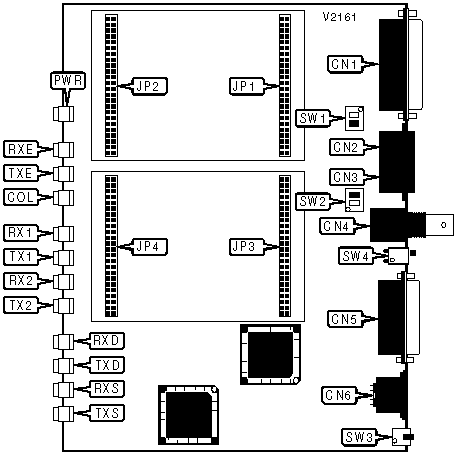
CONNECTIONS | |||
Function |
Label |
Function |
Label |
RS-232/422 |
CN1 |
Power connection |
CN6 |
ISDN line 2 out (Dual IMAC only) |
CN2 |
IDP module headers for line 1 |
JP1 & JP2 |
ISDN line 1 out |
CN3 |
IDP module headers for line 2 |
JP3 & JP4 |
Coax connector for Ethernet |
CN4 |
Power switch |
SW3 |
AUI connector for Ethernet |
CN5 |
CABLE TYPE | |
Setting |
SW4 |
AUI transceiver via DB-15 port |
On |
RG-58A/U 50ohm coaxial |
Off |
ISDN TERMINATION - LINE 1 | |||
Setting |
SW2/1 |
SW2/2 | |
» |
Terminated |
On |
On |
Not terminated |
Off |
Off |
ISDN TERMINATION - LINE 2 | |||
Setting |
SW1/1 |
SW1/2 | |
» |
Terminated |
On |
On |
Not terminated |
Off |
Off |
DIAGNOSTIC LED(S) | |||
LED |
Color |
Status |
Condition |
MR |
Unidentified |
On |
Power is on |
MR |
Unidentified |
Off |
Power is off |
MR |
Unidentified |
Blinking |
A system error has occurred |
RXE |
Unidentified |
On |
Router is receiving data from network |
RXE |
Unidentified |
Off |
Router is not receiving data from network |
RXE |
Unidentified |
Blinking |
A network receive error has occurred |
TXE |
Unidentified |
On |
Router is transmitting data to network |
TXE |
Unidentified |
Off |
Router is not transmitting data to network |
TXE |
Unidentified |
Blinking |
A network transmission error has occurred |
COL |
Unidentified |
On |
Collision detected |
COL |
Unidentified |
Off |
Collision not detected |
COL |
Unidentified |
Blinking |
Frame not transmitted due to excessive collisions |
RX1 |
Unidentified |
On |
Router is receiving data from B1 channel |
RX1 |
Unidentified |
Off |
Router is not receiving data from B1 channel |
RX1 |
Unidentified |
Blinking |
A receive error has occurred on B1 channel |
TX1 |
Unidentified |
On |
Router is transmitting data to B1 channel |
TX1 |
Unidentified |
Off |
Router is not transmitting data to B1 channel |
TX1 |
Unidentified |
Blinking |
A transmission error has occurred on B1 channel |
RX2 |
Unidentified |
On |
Router is receiving data from B2 channel |
RX2 |
Unidentified |
Off |
Router is not receiving data from B2 channel |
RX2 |
Unidentified |
Blinking |
A receive error has occurred on B2 channel |
TX2 |
Unidentified |
On |
Router is transmitting data to B2 channel |
TX2 |
Unidentified |
Off |
Router is not transmitting data to B2 channel |
TX2 |
Unidentified |
Blinking |
A transmission error has occurred on B2 channel |
RXD |
Unidentified |
On |
Router is receiving data from D channel |
RXD |
Unidentified |
Off |
Router is not receiving data from D channel |
RXD |
Unidentified |
Blinking |
A receive error has occurred on D channel |
TXD |
Unidentified |
On |
Router is transmitting data to D channel |
TXD |
Unidentified |
Off |
Router is not transmitting data to D channel |
TXD |
Unidentified |
Blinking |
A transmission error has occurred on D channel |
RXS |
Unidentified |
On |
Router is receiving data from DTE |
RXS |
Unidentified |
Off |
Router is not receiving data from DTE |
RXS |
Unidentified |
Blinking |
A receive error has occurred on DTE |
TXS |
Unidentified |
On |
Router is transmitting data to DTE |
TXS |
Unidentified |
Off |
Router is not transmitting data to DTE |
TXS |
Unidentified |
Blinking |
A transmission error has occurred on DTE |