CREATIX POLYMEDIA
AT&T 28.8 (INTERNAL REV.1)
Card Type |
Modem (asynchronous) |
Chip Set |
AT&T |
I/O Options |
Voice |
Maximum Data Rate |
28.8Kbps |
Maximum Fax Rate |
14.4Kbps |
Data Bus |
8-bit ISA |
Fax Class |
Class I & II |
Data Modulation Protocol |
Bell 103A/212A ITU-T V.21, V.22, V.22bis, V.23, V.32, V.32bis, V.32terbo, V.34 |
Fax Modulation Protocol |
ITU-T V.17, V.21CH2, V.27ter, V.29 |
Error Correction/Compression |
MNP5, V.42, V.42bis |
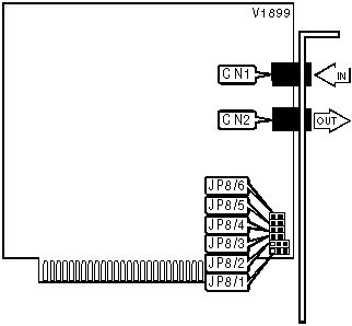
CONNECTIONS | ||||||
Function |
Label |
Function |
Label | |||
Line in |
CN1 |
Line out |
CN2 |
SERIAL PORT ADDRESS | ||
Setting |
JP8/1 |
JP8/2 |
COM1 (3F8h) |
Pins 1 & 2 closed |
Pins 1 & 2 closed |
COM2 (2F8h) |
Pins 2 & 3 closed |
Pins 1 & 2 closed |
COM3 (3E8h) |
Pins 1 & 2 closed |
Pins 2 & 3 closed |
í COM4 (2E8h) |
Pins 2 & 3 closed |
Pins 2 & 3 closed |
INTERRUPT | ||||
Setting |
JP8/3 |
JP8/4 |
JP8/5 |
JP8/6 |
2 |
Closed |
Open |
Open |
Open |
í 3 |
Open |
Closed |
Open |
Open |
4 |
Open |
Open |
Closed |
Open |
5 |
Open |
Open |
Open |
Closed |
Proprietary AT Command Set
See document V1898 for a full command summary.