CREATIX POLYMEDIA
CIRRUS LOGIC 14.4/VOICE (REV.1)
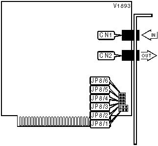
Card Type |
Modem (asynchronous) |
Chip Set |
Cirrus Logic |
I/O Options |
Voice |
Maximum Data Rate |
14.4Kbps |
Maximum Fax Rate |
14.4Kbps |
Data Bus |
8-bit ISA |
Fax Class |
Class I |
Data Modulation Protocol |
Bell 103A/212A ITU-T V.21, V.22, V.22bis, V.32, V.32bis |
Fax Modulation Protocol |
ITU-T V.17, V.21CH2, V.27ter, V.29 |
Error Correction/Compression |
MNP5, V.42, V.42bis |
CONNECTIONS | ||||||
Function |
Label |
Function |
Label | |||
Line in |
CN1 |
Line out |
CN2 |
SERIAL PORT ADDRESS | ||
Setting |
JP8/1 |
JP8/2 |
COM1 (3F8h) |
Pins 1 & 2 closed |
Pins 1 & 2 closed |
COM2 (2F8h) |
Pins 2 & 3 closed |
Pins 1 & 2 closed |
COM3 (3E8h) |
Pins 1 & 2 closed |
Pins 2 & 3 closed |
í COM4 (2E8h) |
Pins 2 & 3 closed |
Pins 2 & 3 closed |
INTERRUPT | ||||
Setting |
JP8/3 |
JP8/4 |
JP8/5 |
JP8/6 |
2 |
Closed |
Open |
Open |
Open |
í 3 |
Open |
Closed |
Open |
Open |
4 |
Open |
Open |
Closed |
Open |
5 |
Open |
Open |
Open |
Closed |
Proprietary AT Command Set
ACCEPT RELIABLE MODE | |
Type: |
Immediate |
Format: |
AT [cmds] \U [cmds] |
Description: |
Accepts remote modem’s request for a reliable mode connection |
AUTO FALL FORWARD/FALLBACK | |
Type: |
Configuration |
Format: |
AT [cmds] %Gn [cmds] |
Description: |
Selects auto fall forward/fallback |
Command |
Function |
%G1 |
Auto fall forward/fallback disabled |
í %G0 |
Auto fall forward/fallback enabled |
AUTO-RELIABLE FALLBACK CHARACTER | |
Type: |
Configuration |
Format: |
AT [cmds] %An [cmds] |
Default: |
Unidentified |
Range: |
0-127 |
Unit: |
ASCII |
Description: |
Sets the character used as the auto-reliable fallback character. %A0 will disable this function. |
AUTO-RELIABLE TIME BUFFER CONFIGURATION | |
Type: |
Configuration |
Format: |
AT [cmds] \Cn [cmds] |
Description: |
Controls the handling of incoming data during auto-reliable time period |
Command |
Function |
í \C0 |
Data is discarded |
\C1 |
Data is buffered |
\C2 |
Data is discarded, modem returns to normal mode on receiving auto-reliable fallback character. |
AUTO-RETRAIN | |
Type: |
Configuration |
Format: |
AT [cmds] %En [cmds] |
Description: |
Selects auto-retrain mode |
Command |
Function |
%E0 |
Auto-retrain disabled |
í %E1 |
Auto-retrain enabled |
BIT MAPPED REGISTERS | |
Register |
Default |
S14 |
Unidentified |
S16 |
Unidentified |
S21 |
Unidentified |
S22 |
Unidentified |
S23 |
Unidentified |
S27 |
Unidentified |
BREAK SEND | |
Type: |
Configuration |
Format: |
AT [cmds] \Bn [cmds] |
Default: |
3 |
Range: |
0-9 |
Unit: |
.1 second |
Description: |
Sends break to modem |
BREAK TYPE | |
Type: |
Configuration |
Format: |
AT [cmds] \Kn [cmds] |
Default: |
5 |
Range: |
0-5 |
Unit: |
Unidentified |
Description: |
Configures action of break signal |
CALLING TONE | |
Type: |
Configuration |
Format: |
AT [cmds] -Cn [cmds] |
Description: |
Controls whether the DTE will allow the modem to send a 1300Hz calling tone when originating |
Command |
Function |
í -C0 |
Disable calling tone |
-C1 |
Enable calling tone |
COMPRESSION | |
Type: |
Configuration |
Format: |
AT [cmds] %Cn [cmds] |
Description: |
Selects MNP5 data compression |
Command |
Function |
%C0 |
Data compression disabled |
í %C1 |
Data compression enabled |
CONNECT MODE | |
Type: |
Configuration |
Format: |
AT [cmds] \Nn [cmds] |
Description: |
Sets connect mode |
Command |
Function |
\N0 |
Normal mode enabled |
\N1 |
Direct mode enabled |
\N2 |
MNP mode only enabled |
í \N3 |
LAP-M/MNP/Normal automode enabled |
\N4 |
LAP-M mode only enabled |
EXTENDED RESULT CODES | |
Type: |
Configuration |
Format: |
AT [cmds] \Vn [cmds] |
Description: |
Selects extended result codes |
Command |
Function |
\V0 |
Extended result codes disabled |
\V1 |
Reliable result codes enabled |
í \V2 |
Error control and compression result codes enabled |
FLOW CONTROL | |
Type: |
Configuration |
Format: |
AT [cmds] \Gn [cmds] |
Description: |
Selects modem port flow control |
Command |
Function |
í \G0 |
Flow control disabled |
\G1 |
Flow control enabled |
FLOW CONTROL TYPE | |
Type: |
Configuration |
Format: |
AT [cmds] \Qn [cmds] |
Description: |
Sets type of flow control used by modem |
Command |
Function |
\Q0 |
Flow control disabled |
\Q1 |
XON/XOFF flow control enabled |
\Q2 |
CTS flow control to DTE enabled |
í \Q3 |
RTS/CTS flow control enabled |
INACTIVITY TIMER | |
Type: |
Configuration |
Format: |
AT [cmds] \Tn [cmds] |
Default: |
0 |
Range: |
0-90 |
Unit: |
1 minutes |
Description: |
Sets the length of time that the modem does not receive information before it disconnects |
INACTIVITY TIMER | |
Type: |
Register |
Format: |
AT [cmds] S90=n [cmds] |
Default: |
0 |
Range: |
0-255 |
Unit: |
1 second |
Description: |
Sets the length of time that the modem does not receive information before it disconnects. S90=0 will disable. |
INITIATE RELIABLE MODE | |
Type: |
Immediate |
Format: |
AT [cmds] \O [cmds] |
Description: |
During normal mode the modem initiates a reliable mode connection |
LOCK SERIAL PORT | |
Type: |
Configuration |
Format: |
AT [cmds] \Jn [cmds] |
Description: |
Sets operation of serial port speed |
Command |
Function |
í \J0 |
Serial speed locked |
\J1 |
Serial speed follows connect speed |
MAXIMUM BLOCK SIZE FOR TRANSMISSION | |
Type: |
Configuration |
Format: |
AT [cmds] \An [cmds] |
Description: |
Sets the maximum transmittable block size |
Command |
Function |
\A0 |
MNP block size is 64 characters |
\A1 |
MNP block size is 128 characters |
\A2 |
MNP block size is 192 characters |
í \A3 |
MNP block size is 256 characters |
RETURN TO NORMAL MODE | |
Type: |
Immediate |
Format: |
AT [cmds] \Z [cmds] |
Description: |
End reliable mode connection the modem switches to normal mode |
SWITCH TO RELIABLE MODE | |
Type: |
Immediate |
Format: |
AT [cmds] \Y [cmds] |
Description: |
During normal mode the modem switches to a reliable mode connection |
V.42 DETECTION PHASE | |
Type: |
Configuration |
Format: |
AT [cmds] -Jn [cmds] |
Description: |
Controls V.42 detection |
Command |
Function |
-J0 |
V.42 detection disabled |
í -J1 |
V.42 detection enabled |
V.42bis COMPRESSION CONTROL | |
Type: |
Configuration |
Format: |
AT [cmds] "Hn [cmds] |
Description: |
Controls V.42bis data compression |
Command |
Function |
"H0 |
V.42bis disabled |
"H1 |
V.42bis when transmitting enabled |
"H2 |
V.42bis when receiving enabled |
í "H3 |
V.42bis when transmitting/receiving enabled |
V.42bis MAXIMUM STRING LENGTH | |
Type: |
Immediate |
Format: |
AT [cmds] "Closed [cmds] |
Default: |
16 |
Range: |
6-250 |
Unit: |
1 Character |
Description: |
Selects string size for V.42bis compression |
XON/XOFF PASS-THROUGH | |
Type: |
Configuration |
Format: |
AT [cmds] \Xn [cmds] |
Description: |
Selects whether XON/XOFF signals are sent to remote modem |
Command |
Function |
í \X0 |
XON/XOFF signals trapped by local modem |
\X1 |
XON/XOFF passed through local modem |