BINTEC COMMUNICATIONS GMBH
BIANCA/PMX
Card Type |
ISDN TA |
Chipset |
Unidentified |
ISDN Transfer Rate |
64Kbps x 120 (30 channels per line) |
ISDN Protocol |
CISCO HDLC, HDLC, T.70, UIFRAMES, X.25, X.30, X.75, PPP |
Switch Type |
1TR6, DSS1 |
Data Bus |
16-bit ISA |
Card Size |
Full height, three-quarters length (Full-length with more than two daughtercards) |
CONNECTIONS | |||
Function |
Label |
Function |
Label |
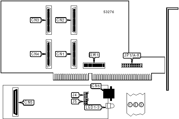
Connector to daughterboard CN5 (port 1) |
CN1 |
Connector to daughterboard CN5 (port 4) |
CN4 |
Connector to daughterboard CN5 (port 2) |
CN2 |
Connector to main board CN1-CN4 (on back of card) |
CN5 |
Connector to daughterboard CN5 (port 3) |
CN3 |
ISDN PRI interface |
CN6 |
USER CONFIGURABLE SETTINGS | |||
Setting |
Label |
Position | |
» |
Factory configured - do not alter |
J4 |
Pins 2 & 4, 3 & 5 closed |
» |
Factory configured - do not alter |
J5 |
Pins 2 & 4, 3 & 5 closed |
INTERRUPT SELECTION | |||||||
Setting |
J1/A |
J1/B |
J1/C |
J1/D |
J1/E |
J1/F | |
2/9 |
Open |
Open |
Open |
Open |
Open |
Closed | |
3 |
Closed |
Open |
Open |
Open |
Open |
Open | |
4 |
Open |
Closed |
Open |
Open |
Open |
Open | |
5 |
Open |
Open |
Closed |
Open |
Open |
Open | |
6 |
Open |
Open |
Open |
Closed |
Open |
Open | |
7 |
Open |
Open |
Open |
Open |
Closed |
Open | |
» |
10 |
Open |
Open |
Open |
Open |
Open |
Open |
11 |
Open |
Open |
Open |
Open |
Open |
Open | |
12 |
Open |
Open |
Open |
Open |
Open |
Open | |
14 |
Open |
Open |
Open |
Open |
Open |
Open | |
15 |
Open |
Open |
Open |
Open |
Open |
Open |
INTERRUPT SELECTION (CON'T) | ||||||
Setting |
J1/G |
J1/H |
J1/I |
J1/J |
J1/K | |
2/9 |
Open |
Open |
Open |
Open |
Open | |
3 |
Open |
Open |
Open |
Open |
Open | |
4 |
Open |
Open |
Open |
Open |
Open | |
5 |
Open |
Open |
Open |
Open |
Open | |
6 |
Open |
Open |
Open |
Open |
Open | |
7 |
Open |
Open |
Open |
Open |
Open | |
» |
10 |
Closed |
Open |
Open |
Open |
Open |
11 |
Open |
Closed |
Open |
Open |
Open | |
12 |
Open |
Open |
Closed |
Open |
Open | |
14 |
Open |
Open |
Open |
Closed |
Open | |
15 |
Open |
Open |
Open |
Open |
Closed |
BASE I/O ADDRESS SELECTION | |||||||||||
Setting |
SW1/1 |
SW1/2 |
SW1/3 |
SW1/4 |
SW1/5 |
SW1/6 |
SW1/7 |
SW1/8 |
SW1/9 |
SW1/10 | |
000000h |
On |
On |
On |
On |
On |
On |
On |
On |
On |
On | |
001000h |
Off |
On |
On |
On |
On |
On |
On |
On |
On |
On | |
002000h |
On |
Off |
On |
On |
On |
On |
On |
On |
On |
On | |
003000h |
Off |
Off |
On |
On |
On |
On |
On |
On |
On |
On | |
004000h |
On |
On |
Off |
On |
On |
On |
On |
On |
On |
On | |
» |
00D000h |
Off |
On |
Off |
Off |
On |
On |
On |
On |
Off |
On |
3FB000h |
Off |
Off |
On |
Off |
Off |
Off |
Off |
Off |
Off |
Off | |
3FC000h |
On |
On |
Off |
Off |
Off |
Off |
Off |
Off |
Off |
Off | |
3FD000h |
Off |
On |
Off |
Off |
Off |
Off |
Off |
Off |
Off |
Off | |
3FE000h |
On |
Off |
Off |
Off |
Off |
Off |
Off |
Off |
Off |
Off | |
3FF000h |
Off |
Off |
Off |
Off |
Off |
Off |
Off |
Off |
Off |
Off | |
Note: A total of 1024 base address settings are available. The switches are a binary representation of the decimal memory addresses. SW1/10 is the Most Significant Bit and switch SW1/1 is the Least Significant Bit. The switches have the following decimal values: SW1/10=2,097,152, SW1/9=1,048,576, SW1/8=524,288, SW1/7=262,144, SW1/6=131,072, SW1/5=65,536, SW1/4=32,768, SW1/3=16,384, SW1/2=8,192, SW1/1=4,096. Turn off the switches and add the values of the switches that are off to obtain the correct memory address. (Off=1, On=0) |
DIAGNOSTIC LED(S) |
The functions and colors of the LEDs are unidentified. |