3COM CORPORATION
SPORTSTER VI 14.4 EXT
Card Type |
Fax, Modem (asynchronous), Voice |
Chip Set |
U.S. Robotics |
I/O Options |
Speakerphone, Voice-mail, Voice View |
Maximum Data Rate |
14.4Kbps |
Maximum Fax Rate |
14.4Kbps |
Data Bus |
External |
Fax Class |
Class I |
Data Modulation Protocol |
Bell 103/212A ITU-T V.21, V.22, V.22bis, V.23, V.25, V.32, V.32bis |
Fax Modulation Protocol |
Unidentified |
Error Correction/Compression |
MNP5, V.42, V.42bis |
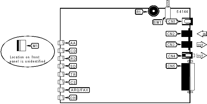
CONNECTIONS | ||||||
Function |
Label |
Function |
Label | |||
DC power |
CN1 |
RS-232/422 |
CN5 | |||
Line in |
CN2 |
Power switch |
SW1 | |||
Line out |
CN3 |
Volume |
R1 | |||
Speaker out |
CN4 |
Built-in microphone |
M1 |
DIAGNOSTIC LED(S) | |||
LED |
Color |
Status |
Condition |
AA |
Red |
On |
Auto-answer enabled |
AA |
Red |
Off |
Auto-answer disabled |
AA |
Red |
Blinking |
Phone is ringing |
CD |
Red |
On |
Carrier signal detected or CD forced high |
CD |
Red |
Off |
Carrier signal not detected |
RD |
Red |
Blinking |
Modem is receiving data |
RD |
Red |
Off |
Modem is not receiving data |
SD |
Red |
Blinking |
Modem is transmitting data |
SD |
Red |
Off |
Modem is not transmitting data |
TR |
Red |
On |
DTR signal is high |
TR |
Red |
Off |
DTR signal is low |
CS |
Red |
On |
CTS signal is high |
CS |
Red |
Off |
CTS signal is low |
ARQ/FAX |
Red |
On |
Error correction activated |
ARQ/FAX |
Red |
Off |
Error correction disabled |
ARQ/FAX |
Red |
Blinking |
Retransmitting data to remote or connected in FAX mode |
OH |
Red |
On |
Modem is off-hook |
OH |
Red |
Off |
Modem is on-hook |
Proprietary AT Command Set
See document V1932 for a full command summary.