3COM CORPORATION
PASSWORD 300 MODEM
Modem Type |
Data (synchronous/asynchronous) |
Maximum Data Rate |
300bps |
Data Bus |
External |
Data Modulation Protocol |
Bell 103A/212A |
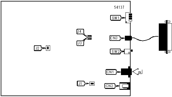
CONNECTIONS | |||
Purpose |
Location |
Purpose |
Location |
Line in |
CN1 |
RS-232/422 |
CN3 |
DC power |
CN2 |
Power switch |
SW2 |
CHARACTER LENGTH | |
Setting |
J2 |
» 10-bit |
Off |
11-bit |
On |
TRANSMIT AND RECEIVE SIGNAL | ||
Setting |
J3 |
J4 |
» Normal pin assignment |
Pins 1 & 2 closed |
Pins 1 & 2 closed |
Tx/Rx pins reversed |
Pins 2 & 3 closed |
Pins 2 & 3 closed |
AUTO ANSWER | |
Setting |
SW1/1 |
» Modem answers on first ring |
Off |
Modem does not answer on first ring |
On |
CARRIER DETECT | |
Setting |
SW1/2 |
» CD normal |
Off |
CD forced high |
On |
DTR SIGNAL | |
Setting |
SW1/4 |
» DTR normal |
Off |
DTR forced high |
On |
FACTORY CONFIGURED SETTINGS | |
Jumper |
Setting |
SW1/3 |
N/A |
J1 |
N/A |