3COM CORPORATION
IMPACT (3C871, 3C876)
Card Type |
ISDN TA |
I/O Options |
Analog adapter (optional) |
Chipset |
Unidentified |
Error Correction/Compression |
STAC |
ISDN Transfer Rate |
56Kbps x 2/64Kbps x 2 |
ISDN Protocol |
V.120, PPP |
Switch Type |
5ESS, DMS100, EWSD, NI-1 |
Data Bus |
Serial |
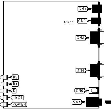
CONNECTIONS | ||||||
Function |
Label |
Function |
Label | |||
ISDN interface |
CN1 |
Serial port |
CN4 | |||
Analog adapter |
CN2 |
AC power in |
CN5 | |||
Serial port |
CN3 |
Power switch |
SW1 | |||
Note: CN2 may not be present on all models. |
DIAGNOSTIC LED(S) | |||
LED |
Color |
Status |
Condition |
B2 |
Green |
On |
Data call connected on B2 channel |
B2 |
Yellow |
On |
Voice call connected on B2 channel |
B2 |
Green |
Blinking |
TA is dialing data call on B2 channel |
B2 |
Yellow |
Blinking |
TA is dialing voice call on B2 channel |
B2 |
N/A |
Off |
B2 channel is not connected |
B1 |
Green |
On |
Data call connected on B1 channel |
B1 |
Yellow |
On |
Voice call connected on B1 channel |
B1 |
Green |
Blinking |
TA is dialing data call on B1 channel |
B1 |
Yellow |
Blinking |
TA is dialing voice call on B1 channel |
B1 |
N/A |
Off |
B1 channel is not connected |
DIAGNOSTIC LED(S) (CON'T) | |||
LED |
Color |
Status |
Condition |
D |
Yellow |
On |
Signal is not synchronized or ISDN is not connected |
D |
Yellow |
Blinking |
Signal is synchronized but D-channel protocols not established |
D |
Yellow |
Off |
Signal is synchronized |
TEST |
Yellow |
On |
TA failed last test |
TEST |
Yellow |
Blinking |
TA is executing test |
TEST |
Yellow |
Off |
TA is not executing test |
POWER |
Yellow |
On |
Power is on |
POWER |
Yellow |
Off |
Power is off |
SUPPORTED STANDARD COMMANDS |
Basic AT Commands |
+++, A/ |
A, D, E, H, O, V, Z |
&D, &F, &W |
Extended AT Commands |
\Q, \T |
S-Registers |
S0 |
Note: See MHI help file for complete information. |
Proprietary AT Command Set
CALL TYPE | |
Type: |
Register |
Format: |
AT [cmds] S61=n [cmds] |
Description: |
Selects the type of call the ISDN will make. This register has no function on these models. |
Command |
Function |
í S61=0 |
TA will dial according to dial modifiers. |
S61=2 |
TA will place ISDN call. |
CALLER ID - DATA | |
Type: |
Register (read-only) |
Format: |
AT [cmds] S66? [cmds] |
Description: |
Displays the Caller ID information for data calls. |
CALLER ID - VOICE | |
Type: |
Register (read-only) |
Format: |
AT [cmds] S65? [cmds] |
Description: |
Displays the Caller ID information for voice calls. |
DCD SIGNAL | |
Type: |
Configuration |
Format: |
AT [cmds] &Cn [cmds] |
Description: |
Controls the behaviour of the DCD signal. |
Command |
Function |
í &C0 |
DCD forced high. |
&C1 |
DCD forced high after carrier signal is detected. |
&C2 |
DCD forced high except at disconnect. |
DISPLAY FIRMWARE REViSION | |
Type: |
Immediate |
Format: |
AT [cmds] %V [cmds] |
Description: |
Displays the TA's firmware revision. |
DISPLAY INFORMATION | |
Type: |
Immediate |
Format: |
AT [cmds] In [cmds] |
Description: |
Displays information requested about the TA. |
Command |
Function |
I0 |
Displays product identification code. |
I1 |
Displays ROM checksum. |
I4 |
Displays numeric product identification code, precomputed checksum value, firmware revision, model name, interface type, country code, and data pump model. |
DISPLAY MODIFIED COMMANDS | |
Type: |
Immediate |
Format: |
AT [cmds] \S [cmds] |
Description: |
Displays the settings of all commands that have been modified. |
DISPLAY REGISTERS | |
Type: |
Immediate |
Format: |
AT [cmds] %R [cmds] |
Description: |
Displays the settings of all status registers. |
DYNAMIC BANDWIDTH ALLOCATION | |
Type: |
Register |
Format: |
AT [cmds] S70=n [cmds] |
Description: |
Selects whether dynamic bandwidth allocation will be used to allow simultaneous data and voice calls. |
Command |
Function |
S70=0 |
Dynamic bandwidth allocation disabled. |
í S70=1 |
Dynamic bandwidth allocation enabled. |
ENDPOINT DISCRIMINATOR | |
Type: |
Register |
Format: |
AT [cmds] S83=nnnn [cmds] |
Description: |
Sets the endpoint discriminator address for multipoint PPP systems. Up to twenty numbers may be specified. |
ENDPOINT DISCRIMINATOR CLASS | |
Type: |
Configuration |
Format: |
AT [cmds] S82=n [cmds] |
Description: |
Sets the endpoint discriminator class for multipoint PPP systems. |
Command |
Function |
S82=1 |
User-defined address. |
S82=2 |
IP address. |
S82=3 |
802.1 MAC address. |
S82=4 |
PPP magic number block. |
í S82=5 |
Public Switched Network Directory number. |
LINE SPEED | |
Type: |
Register |
Format: |
AT [cmds] S60=n [cmds] |
Description: |
Selects the line speed that the TA will attempt to connect at. |
Command |
Function |
í S60=56 |
TA will attempt to connect at 56Kbps. |
S60=64 |
TA will attempt to connect at 64Kbps. |
LOCAL SERIAL PORT SPEED | |
Type: |
Configuration |
Format: |
AT [cmds] $Bn [cmds] |
Description: |
Sets the speed that the TA will communicate with the DTE. |
Command |
Function |
í $B0 |
Auto-detects current serial port speed. |
$B1200 |
Sets the serial port to 1200bps. |
$B2400 |
Sets the serial port to 2400bps. |
$B4800 |
Sets the serial port to 4800bps. |
$B9600 |
Sets the serial port to 9600bps. |
$B19200 |
Sets the serial port to 19.2Kbps. |
$B38400 |
Sets the serial port to 38.4Kbps. |
$B57600 |
Sets the serial port to 57.6Kbps. |
$B115200 |
Sets the serial port to 115.2Kbps. |
MULTILINK PPP | |
Type: |
Register |
Format: |
AT [cmds] S80=n [cmds] |
Description: |
Selects whether the TA will use Multilink PPP. |
Command |
Function |
S80=0 |
Multilink PPP disabled. |
í S80=1 |
Multilink PPP enabled. |
MULTILINK PPP - SECOND PHONE NUMBER | |
Type: |
Register |
Format: |
AT [cmds] S81= <#> [cmds] |
Description: |
Sets the second phone number to be dialed when attempting to connect with multilink PPP. If this register is left blank then the number given with the D command will also be dialed for the second number. |
PHONE NUMBER 1 | |
Type: |
Register |
Format: |
AT [cmds] S51= <#> [cmds] |
Description: |
Sets the TA’s first phone number. |
PHONE NUMBER 2 | |
Type: |
Register |
Format: |
AT [cmds] S53= <#> [cmds] |
Description: |
Sets the TA’s second phone number. |
PROTOCOL - B-CHANNEL | |
Type: |
Register |
Format: |
AT [cmds] S71=n [cmds] |
Description: |
Selects the protocol the TA will use on the B channels. |
Command |
Function |
í S71=0 |
Auto-select common protocol. |
S71=1 |
TA will use PPP conversion. |
S71=2 |
TA will use V.120. |
RESULT CODES | |
Type: |
Configuration |
Format: |
AT [cmds] Qn [cmds] |
Description: |
Enables modem to send result codes to the DTE. |
Command |
Function |
í Q0 |
Result code sending enabled. |
Q1 |
Result code sending disabled. |
Q2 |
Result code sending enabled on originate mode only. |
SERVICE PROFILE IDENTIFIER 1 | |
Type: |
Register |
Format: |
AT [cmds] S52= <#> [cmds] |
Description: |
Sets the TA’s first SPID. |
SERVICE PROFILE IDENTIFIER 2 | |
Type: |
Register |
Format: |
AT [cmds] S54= <#> [cmds] |
Description: |
Sets the TA’s second SPID. |
SWITCH TYPE | |
Type: |
Register |
Format: |
AT [cmds] S50=n [cmds] |
Description: |
Selects the type of IDSN switch the TA is connected to. |
Command |
Function |
1 |
AT&T 5ESS custom switch type. |
í 3 |
NI-1/AT&T 5ESS switch type. |
6 |
NI-1/National Telecom NI-1 or Siemens EWSD switch type. |
TERMINAL ENDPOINT IDENTIFIER 1 | |
Type: |
Register (read-only) |
Format: |
AT [cmds] S55? [cmds] |
Description: |
Displays the first TEI assigned by the ISDN switch. A value of 255 indicated that the switch did not assign a TEI. |
TERMINAL ENDPOINT IDENTIFIER 1 STATUS | |
Type: |
Register (read-only) |
Format: |
AT [cmds] S57? [cmds] |
Description: |
Returns a value indicating the status of the first TEI. |
Value |
Meaning |
0 |
TA has not attempted to initialize with SPID 1. |
1 |
TA succeeded in initializing with SPID 1. |
2 |
TA failed in initializing with SPID 1. |
TERMINAL ENDPOINT IDENTIFIER 2 | |
Type: |
Register (read-only) |
Format: |
AT [cmds] S56? [cmds] |
Description: |
Displays the second TEI assigned by the ISDN switch. A value of 255 indicated that the switch did not assign a TEI. |
TERMINAL ENDPOINT IDENTIFIER 2 STATUS | |
Type: |
Register (read-only) |
Format: |
AT [cmds] S58? [cmds] |
Description: |
Returns a value indicating the status of the second TEI. |
Value |
Meaning |
0 |
TA has not attempted to initialize with SPID 2. |
1 |
TA succeeded in initializing with SPID 2. |
2 |
TA failed in initializing with SPID 2. |
U INTERFACE STATUS | |
Type: |
Register (read-only) |
Format: |
AT [cmds] S59? [cmds] |
Description: |
Returns a value indicating the status of the U interface. |
Command |
Function |
0 |
U interface is not synchronized. |
1 |
U interface is synchronized. |
V.120 FRAME TYPE | |
Type: |
Register |
Format: |
AT [cmds] S73=n [cmds] |
Description: |
Selects the frame type that the TA will use when in V.120 mode. |
Command |
Function |
í S73=0 |
TA will use I frames. |
S73=1 |
TA will use UI frames. |
V.120 MAXIMUM FRAME SIZE | |
Type: |
Register |
Format: |
AT [cmds] S74=n [cmds] |
Default: |
256 |
Range: |
240 - 256 |
Unit: |
1 byte |
Description: |
Selects the maximum frame size used for V.120 mode. |
Note: |
Adtran ISDN uses a maximum frame size of 253 bytes. |