WESTERN DIGITAL CORPORATION
ETHERCARD PLUS10T
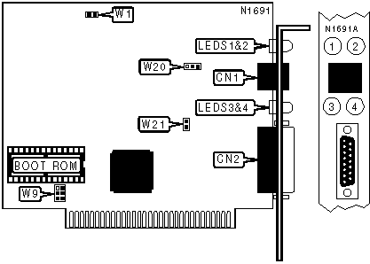
NIC Type |
Ethernet |
Network Transfer Rate |
10Mbps |
Data Bus |
8-bit ISA |
Topology |
Linear Bus, Star |
Wiring Type |
Unshielded twisted pair AUI transceiver via DB-15 port |
Boot ROM |
Available |
CONNECTIONS | |||
Function |
Label |
Function |
Label |
Unshielded twisted pair port |
CN1 |
AUI transceiver via DB-15 port |
CN2 |
USER CONFIGURABLE SETTINGS | |||
Function |
Label |
Position | |
» |
Clear configuration disabled |
W1 |
Open |
Clear configuration enabled |
W1 |
Closed | |
» |
Automatic polarity correction enabled |
W20 |
Pins 1 & 2 closed |
Automatic polarity correction disabled |
W20 |
Pins 2 & 3 closed | |
» |
Link integrity test enabled |
W21 |
Open |
Link integrity test disabled |
W21 |
Closed |
ROM SIZE SELECTION | ||
Size |
W9 | |
» |
16KB |
Pins 1 & 2, 4 & 5 closed |
32KB |
Pins 2 & 3, 4 & 5 closed | |
64KB |
Pins 2& 3, 5 & 6 closed |
DIAGNOSTIC LED(S) | |||
LED |
Color |
Status |
Condition |
LED1 |
Green |
On |
Polarity is good on 10Base-T |
LED1 |
Green |
Off |
Polarity is broken on 10Base-T |
LED2 |
Green |
On |
10Base-T Link Integrity mode is selected |
LED2 |
Green |
Off |
10Base-T Link integrity mode is not selected |
LED3 |
Yellow |
On |
Data is being transmitted |
LED3 |
Yellow |
Off |
Data is not being transmitted |
LED4 |
Green |
On |
Data is being received |
LED4 |
Green |
Off |
Data is not being received |