SURECOM TECHNOLOGY CORPORATION
EP301
NIC Type |
Ethernet |
Network Transfer Rate |
10Mbps |
Data Bus |
16-bit ISA |
Topology |
Linear Bus, Star |
Wiring Type |
Unshielded twisted pair AUI transceiver via DB-15 port RG-58A/U 50ohm coaxial |
Boot ROM |
Not available |
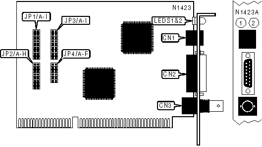
CONNECTIONS | |||
Function |
Label |
Function |
Label |
Unshielded twisted pair port |
CN1 |
RG-58A/U 50ohm coaxial |
CN3 |
AUI transceiver via DB-15 port |
CN2 |
BASE I/O ADDRESS SELECTION (NON-ELNKII/16BIT MODE) | |||||||||
Setting |
JP1/A |
JP1/B |
JP1/C |
JP1/D |
JP1/E |
JP1/F |
JP1/G |
JP1/H |
JP1/I |
Software |
Closed |
Open |
Open |
Open |
Open |
Open |
Open |
Open |
Open |
360h |
Open |
Closed |
Open |
Open |
Open |
Open |
Open |
Open |
Open |
340h |
Open |
Open |
Closed |
Open |
Open |
Open |
Open |
Open |
Open |
320h |
Open |
Open |
Open |
Closed |
Open |
Open |
Open |
Open |
Open |
300h |
Open |
Open |
Open |
Open |
Closed |
Open |
Open |
Open |
Open |
2A0h |
Open |
Open |
Open |
Open |
Open |
Closed |
Open |
Open |
Open |
280h |
Open |
Open |
Open |
Open |
Open |
Open |
Closed |
Open |
Open |
240h |
Open |
Open |
Open |
Open |
Open |
Open |
Open |
Closed |
Open |
220h |
Open |
Open |
Open |
Open |
Open |
Open |
Open |
Open |
Closed |
BASE I/O ADDRESS SELECTION (ELNKII/16BIT MODE) | |||||||||
Setting |
JP1/A |
JP1/B |
JP1/C |
JP1/D |
JP1/E |
JP1/F |
JP1/G |
JP1/H |
JP1/I |
Software |
Closed |
Open |
Open |
Open |
Open |
Open |
Open |
Open |
Open |
350h |
Open |
Closed |
Open |
Open |
Open |
Open |
Open |
Open |
Open |
330h |
Open |
Open |
Closed |
Open |
Open |
Open |
Open |
Open |
Open |
310h |
Open |
Open |
Open |
Closed |
Open |
Open |
Open |
Open |
Open |
300h |
Open |
Open |
Open |
Open |
Closed |
Open |
Open |
Open |
Open |
2EOh |
Open |
Open |
Open |
Open |
Open |
Closed |
Open |
Open |
Open |
2A0h |
Open |
Open |
Open |
Open |
Open |
Open |
Closed |
Open |
Open |
280h |
Open |
Open |
Open |
Open |
Open |
Open |
Open |
Closed |
Open |
250h |
Open |
Open |
Open |
Open |
Open |
Open |
Open |
Open |
Closed |
BOOT ROM ADDRESS CONFIGURATION (NON-ELNK/16BIT MODE) | ||||||||
Address |
JP2/A |
JP2/B |
JP2/C |
JP2/D |
JP2/E |
JP2/F |
JP2/G |
JP2/H |
Software |
Closed |
Open |
Open |
Open |
Open |
Open |
Open |
Open |
Disabled |
Open |
Closed |
Open |
Open |
Open |
Open |
Open |
Open |
DC000h |
Open |
Open |
Closed |
Open |
Open |
Open |
Open |
Open |
D8000h |
Open |
Open |
Open |
Closed |
Open |
Open |
Open |
Open |
D4000h |
Open |
Open |
Open |
Open |
Closed |
Open |
Open |
Open |
D0000h |
Open |
Open |
Open |
Open |
Open |
Closed |
Open |
Open |
CC000h |
Open |
Open |
Open |
Open |
Open |
Open |
Closed |
Open |
C8000h |
Open |
Open |
Open |
Open |
Open |
Open |
Open |
Closed |
BOOT ROM ADDRESS CONFIGURATION (ELNK/16BIT MODE) | ||||||||
Address |
JP2/A |
JP2/B |
JP2/C |
JP2/D |
JP2/E |
JP2/F |
JP2/G |
JP2/H |
Software |
Closed |
Open |
Open |
Open |
Open |
Open |
Open |
Open |
Disabled |
Open |
Closed |
Open |
Open |
Open |
Open |
Open |
Open |
DC000h |
Open |
Open |
Closed |
Open |
Open |
Open |
Open |
Open |
D8000h |
Open |
Open |
Open |
Closed |
Open |
Open |
Open |
Open |
CC000h |
Open |
Open |
Open |
Open |
Closed |
Open |
Open |
Open |
C8000h |
Open |
Open |
Open |
Open |
Open |
Closed |
Open |
Open |
PCI INTERRUPT SELECTION | |||||||||
IRQ |
JP3/A |
JP3/B |
JP3/C |
JP3/D |
JP3/E |
JP3/F |
JP3/G |
JP3/H |
JP3/I |
Software |
Closed |
Open |
Open |
Open |
Open |
Open |
Open |
Open |
Open |
2/9 |
Open |
Open |
Open |
Open |
Open |
Open |
Open |
Open |
Closed |
3 |
Open |
Open |
Open |
Open |
Open |
Open |
Open |
Closed |
Open |
4 |
Open |
Open |
Open |
Open |
Open |
Open |
Closed |
Open |
Open |
5 |
Open |
Open |
Open |
Open |
Open |
Closed |
Open |
Open |
Open |
7 |
Open |
Open |
Open |
Open |
Closed |
Open |
Open |
Open |
Open |
10 |
Open |
Open |
Open |
Closed |
Open |
Open |
Open |
Open |
Open |
11 |
Open |
Open |
Closed |
Open |
Open |
Open |
Open |
Open |
Open |
15 |
Open |
Closed |
Open |
Open |
Open |
Open |
Open |
Open |
Open |
COMBATIBILITY MODE CONFIGURATION | ||||||
Setting |
JP4/A |
JP4/B |
JP4/C |
JP4/D |
JP4/E |
JP4/F |
Software |
Closed |
Open |
Open |
Open |
Open |
Open |
N2000 (C&T) |
Open |
Closed |
Open |
Open |
Open |
Open |
N2000 (STD) |
Open |
Open |
Closed |
Open |
Open |
Open |
N1000 TURBO |
Open |
Open |
Open |
Closed |
Open |
Open |
03EBT/13EBT |
Open |
Open |
Open |
Open |
Closed |
Open |
ELNKII/16BIT |
Open |
Open |
Open |
Open |
Open |
Closed |
DIAGNOSTIC LED(S) | |||
LED |
Color |
Status |
Condition |
LED1 |
Green |
On |
10Base-T network connection is good |
LED1 |
Green |
Blinking |
Data is being received |
LED1 |
Green |
Off |
10Base-T network connection is broken |
LED2 |
Red |
On |
10Base-T polarity is reversed |
LED2 |
Red |
Blinking |
Data is being transmitted |
LED2 |
Red |
Off |
10Base-T polarity is normal |