SVEC COMPUTER CORPORATION
FD0406C/FD0409C
NIC Type: |
ARCnet |
Transfer Rate: |
2.5Mbps |
Data Bus: |
8-bit ISA |
Topology: |
Linear bus (FD0409C) Star (FD0406C) |
Wiring Type |
RG62A/U 93ohm coaxial |
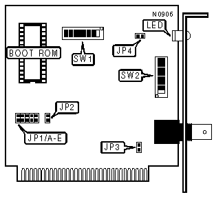
Boot ROM |
Available |
INTERRUPT SELECT - JP1 | ||||||
IRQ |
Jumper A |
Jumper B |
Jumper C |
Jumper D |
Jumper E | |
» |
IRQ2 |
Closed |
Open |
Open |
Open |
Open |
IRQ3 |
Open |
Closed |
Open |
Open |
Open | |
IRQ4 |
Open |
Open |
Closed |
Open |
Open | |
IRQ5 |
Open |
Open |
Open |
Closed |
Open | |
IRQ7 |
Open |
Open |
Open |
Open |
Closed |
BOOT ROM | ||
Setting |
JP2 | |
» |
Disabled |
Open |
Enabled |
Closed |
ON-BOARD TERMINATOR | ||
Setting |
JP3 | |
» |
Enabled |
Closed |
Disabled |
Open |
MEMORY ADDRESS | |||||||
RAM Address |
ROM Address |
SW1/1 |
SW1/2 |
SW1/3 |
SW1/4 |
SW1/5 | |
» |
D0000h |
D2000h |
On |
On |
Off |
Off |
On |
C0000h |
C2000h |
On |
On |
On |
On |
On | |
C0800h |
C2000h |
Off |
On |
On |
On |
On | |
C1000h |
C2000h |
On |
Off |
On |
On |
On | |
C1800h |
C2000h |
Off |
Off |
On |
On |
On | |
C4000h |
C6000h |
On |
On |
Off |
On |
On | |
C4800h |
C6000h |
Off |
On |
Off |
On |
On | |
C5000h |
C6000h |
On |
Off |
Off |
On |
On | |
C5800h |
C6000h |
Off |
Off |
Off |
On |
On | |
CC000h |
CE000h |
On |
On |
On |
Off |
On | |
CC800h |
CE000h |
Off |
On |
On |
Off |
On | |
CD000h |
CE000h |
On |
Off |
On |
Off |
On | |
CD800h |
CE000h |
Off |
Off |
On |
Off |
On | |
D0800h |
D2000h |
Off |
On |
Off |
Off |
On | |
D1000h |
D2000h |
On |
Off |
Off |
Off |
On | |
D1800h |
D2000h |
Off |
Off |
Off |
Off |
On | |
D4000h |
D6000h |
On |
On |
On |
On |
Off | |
D4800h |
D6000h |
Off |
On |
On |
On |
Off | |
D5000h |
D6000h |
On |
Off |
On |
On |
Off | |
D5800h |
D6000h |
Off |
Off |
Off |
On |
Off | |
D4000h |
D6000h |
On |
On |
On |
On |
Off | |
D4800h |
D6000h |
Off |
On |
On |
On |
Off | |
D5000h |
D6000h |
On |
Off |
On |
On |
Off | |
D5800h |
D6000h |
Off |
Off |
Off |
On |
Off | |
D4000h |
D6000h |
On |
On |
On |
On |
Off | |
D4800h |
D6000h |
Off |
On |
On |
On |
Off | |
D5000h |
D6000h |
On |
Off |
On |
On |
Off | |
D5800h |
D6000h |
Off |
Off |
Off |
On |
Off | |
E0000h |
E2000h |
On |
On |
Off |
Off |
Off | |
E0800h |
E2000h |
Off |
On |
Off |
Off |
Off | |
E1000h |
E2000h |
On |
Off |
Off |
Off |
Off | |
E1800h |
E2000h |
Off |
Off |
Off |
Off |
Off |
I/O ADDRESS | ||||
Address |
SW1/6 |
SW1/7 |
SW1/8 | |
» |
2E0h |
On |
Off |
On |
260h |
On |
On |
On | |
290h |
Off |
On |
On | |
2E0h |
On |
Off |
On | |
2F0h |
Off |
Off |
On | |
300h |
On |
On |
Off | |
350h |
Off |
On |
Off | |
380h |
On |
Off |
Off | |
3E0h |
Off |
Off |
Off |
NODE ID NUMBER | ||||||||
ID # |
SW2/1 |
SW2/2 |
SW2/3 |
SW2/4 |
SW2/5 |
SW2/6 |
SW2/7 |
SW2/8 |
255 |
Off |
Off |
Off |
Off |
Off |
Off |
Off |
Off |
35 |
Off |
Off |
On |
On |
On |
Off |
On |
On |
1 |
Off |
On |
On |
On |
On |
On |
On |
On |
Note:Nodes can be numbered from 1 to 255. The switches are a binary representation of the node numbers. When a switch is off, the corresponding bit is set to 1 and has the following decimal value: SW2/1=1, SW2/2=2, SW2/3=4, SW2/4=8, SW2/5=16, SW2/6=32, SW2/7=64, SW2/8=128. |
DIAGNOSTIC LED | |
Status |
Condition |
On |
Network connected successfully/data is being transmitted or received |
Off |
Power off/network not connected successfully |
Dim |
Heavy data traffic on network |
CONNECTORS | |
Purpose |
Location |
External LED connector |
JP4 |