TOSHIBA
TOSHIBALAN (TOSHIBA BUS)
NIC Type |
Ethernet |
Transfer Rate |
10Mbps |
Data Bus |
8/16-bit Toshiba bus |
Topology |
Linear |
Wiring Type |
RG58A/U 50ohm coaxial AUI transceiver via DB-15 port |
Boot ROM |
Not available |
BASE MEMORY | |
Purpose |
Connector |
External 12VDC power supply |
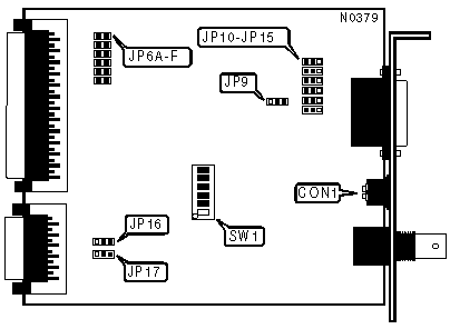
CON1 |
INTERRUPT REQUEST | |||||||
IRQ |
JP6A |
JP6B |
JP6C |
JP6D |
JP6E |
JP6F | |
» |
2/9 |
Open |
Open |
Open |
Closed |
Open |
Open |
3 |
Open |
Open |
Open |
Open |
Open |
Closed | |
4 |
Open |
Open |
Open |
Open |
Closed |
Open | |
5 |
Open |
Open |
Closed |
Open |
Open |
Open | |
7 |
Closed |
Open |
Open |
Open |
Open |
Open | |
10 |
Open |
Closed |
Open |
Open |
Open |
Open |
CABLE TYPE | |||
Type |
JP9 |
JP10 - JP15 | |
» |
RG58A/U 50ohm coaxial |
Pins 2 & 3 closed |
Pins 2 & 3 closed |
AUI transceiver via DB-15 port |
Pins 1 & 2 closed |
Pins 1 & 2 closed |
CPU TYPE | |||
Type |
JP16 |
JP17 | |
» |
8086/8088 |
Pins 2 & 3 closed |
Pins 2 & 3 closed |
80286/80386 |
Pins 1 & 2 closed |
Pins 1 & 2 closed |
I/O BUS SIZE | |||
Size |
SW1/1 |
SW1/2 | |
» |
8-bit |
Off |
Off |
16-bit |
Off |
On | |
Note:I/O bus size should only be set to 16-bit if the card is being used in a Toshiba T5100 or T5200. |
I/O BASE ADDRESS | ||||
Address |
SW1/3 |
SW1/4 |
SW1/5 |
SW1/6 |
200h |
On |
On |
On |
On |
220h |
On |
On |
On |
Off |
240h |
On |
On |
Off |
On |
260h |
On |
On |
Off |
Off |
280h |
On |
Off |
On |
On |
2A0h |
On |
Off |
On |
Off |
2C0h |
On |
Off |
Off |
On |
2E0h |
On |
Off |
Off |
Off |
300h |
Off |
On |
On |
On |
320h |
Off |
On |
On |
Off |
340h |
Off |
On |
Off |
On |
360h |
Off |
On |
Off |
Off |
380h |
Off |
Off |
On |
On |
3A0h |
Off |
Off |
On |
Off |
3C0h |
Off |
Off |
Off |
On |
3E0h |
Off |
Off |
Off |
Off |