STANDARD MICROSYSTEMS CORPORATION
EtherCard PLUS Elite10T
NIC Type |
Ethernet |
Transfer Rate |
10Mbps |
Data Bus |
8-bit ISA |
Topology |
Linear bus Star |
Wiring Type |
Unshielded twisted pair AUI transceiver via DB-15 port |
Boot ROM |
Available |
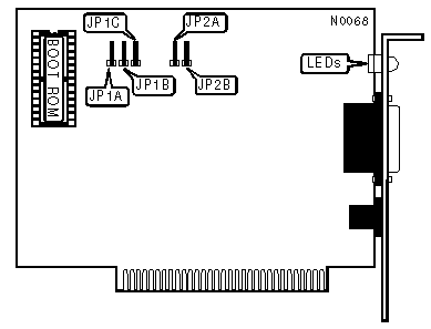
NETWORK CARD CONFIGURATION |
||||||
I/O Base Address |
IRQ |
Base Address |
JP1A |
JP1B |
JP1C |
|
» |
280h |
3 |
D0000h |
Open |
Closed |
Open |
|
300h |
5 |
CA000h |
Open |
Open |
Closed |
|
Software setup |
Software setup |
Software setup |
Closed |
Open |
Open |
BOOT ROM ADDRESS |
|||
Setting |
JP2A |
JP2B |
|
» |
Software Setup/Disabled |
Closed |
Open |
|
D8000h |
Open |
Closed |
DIAGNOSTIC LED(S) |
||
LED |
Status |
Condition |
LED1 |
On |
Twisted pair network connection is good |
LED1 |
Off |
Twisted pair network connection is broken |
LED2 |
On |
Data is being transmitted |
LED2 |
Off |
Data is not being transmitted |
LED3 |
On |
Data is being received |
LED3 |
Off |
Data is not being received |