STANDARD MICROSYSTEMS CORPORATION

EtherCard PLUS Elite

NIC Type

Ethernet

Transfer Rate

10Mbps

Data Bus

8-bit ISA

Topology

Linear Bus

Wiring Type

RG-58A/U 50ohm coaxial

AUI transceiver via DB-15 port

Boot ROM

Available

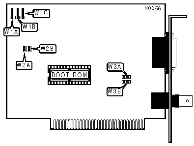
NETWORK CARD CONFIGURATION

Address

IRQ

Base Address

W1A

W1B

W1C

»

280h

3

D0000h

Open

Closed

Open

 

300h

5

CA000h

Open

Open

Closed

 

Software select

Software select

Software select

Closed

Open

Open

BOOT ROM ADDRESS

Address

W2A

W2B

»

Software select/None

Closed

Open

 

D8000h

Open

Closed

CABLE TYPE

Type

W3A

W3B

»

RG--58A/U 50ohm coaxial

Pins 1 & 2 closed

Pins 1 & 2 closed

 

AUI transceiver via DB-15 port

Pins 2 & 3 closed

Pins 2 & 3 closed