LANCAST
4322-31
Card Type |
Transceiver |
NIC Type |
Ethernet |
Network Transfer Rate |
10Mbps |
Topology |
Star |
Wiring Type |
AUI transceiver via DB-15 port, fiber optic cable |
Data Bus |
External |
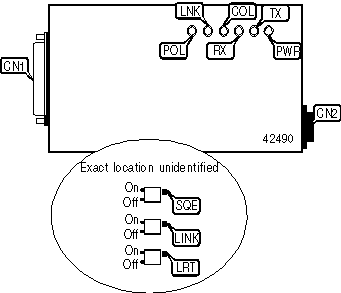
CONNECTIONS | |||
Function |
Label |
Function |
Label |
AUI transceiver via DB-15 |
CN1 |
Fiber ST connector |
CN2 |
DIAGNOSTIC LED(S) | |||
LED |
Color |
Status |
Condition |
PWR |
Unidentified |
On |
Power is being received from the DTE device |
PWR |
Unidentified |
Off |
Power is not being received from the DTE device |
COL |
Unidentified |
On |
Collision detected on network |
COL |
Unidentified |
Off |
No collision detected on network |
TX |
Unidentified |
Blinking |
Data is being transmitted |
TX |
Unidentified |
Off |
Data is not being transmitted |
RX |
Unidentified |
Blinking |
Data is being received |
RX |
Unidentified |
Off |
Data is not being received |
LINK |
Unidentified |
On |
UTP link is good |
LINK |
Unidentified |
Off |
UTP link is broken |