INVISIBLE SOFTWARE, INC.
ETHERNET 2000A/V2.3
Card Type |
Network Interface Card |
NIC Type |
Ethernet |
Maximum Onboard Memory |
Unidentified |
Boot ROM |
Available |
Network Transfer Rate |
10Mbps |
Topology |
Linear Bus, Star |
Wiring Type |
Unshielded twisted pair (RJ-45), AUI,RG-58A/U 50ohm coaxial |
Data Bus |
16-bit ISA |
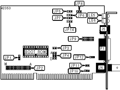
CONNECTIONS |
|||
Function |
Label |
Function |
Label |
UTP connector (RJ-45) |
J5 |
External LED connector |
JP11 |
BNC connector |
J6 |
AUI connector |
P1 |
USER CONFIGURABLE SETTINGS |
|||
Function |
Label |
Position |
|
» |
Main board compatibility jumper disabled |
JP1 |
Pins 1 & 2 closed |
|
Main board compatibility jumper option enabled |
JP1 |
Pins 2 & 3 closed |
|
Boot ROM enabled |
JP3 |
Closed |
|
Boot ROM disabled |
JP3 |
Open |
|
SQE function enabled |
JP5 |
Pins 1 & 2 closed |
|
SQE function disabled |
JP5 |
Pins 2 & 3 closed |
|
Cable length normal |
JP7 |
Pins 1 & 2 closed |
|
Cable length long |
JP7 |
Pins 2 & 3 closed |
|
Link test disabled |
JP8 |
Pins 1 & 2 closed |
|
Link test enabled |
JP8 |
Pins 2 & 3 closed |
|
Autopolarity function enabled |
JP14 |
Pins 1 & 2 closed |
|
Autopolarity function disabled |
JP14 |
Pins 2 & 3 closed |
BASE I/O ADDRESS SELECTION |
|||
Setting |
JP2/A |
JP2/B |
|
» |
300h |
Closed |
Closed |
|
320h |
Closed |
Open |
|
340h |
Open |
Closed |
|
360h |
Open |
Open |
INTERRUPT SELECTION |
|||||||
IRQ |
JP2/C |
JP2/D |
JP2/E |
JP2/F |
JP2/G |
JP2/H |
|
» |
3 |
Closed |
Open |
Open |
Open |
Open |
Open |
|
4 |
Open |
Closed |
Open |
Open |
Open |
Open |
|
5 |
Open |
Open |
Closed |
Open |
Open |
Open |
|
6 |
Open |
Open |
Open |
Closed |
Open |
Open |
|
7 |
Open |
Open |
Open |
Open |
Closed |
Open |
|
9 |
Open |
Open |
Open |
Open |
Open |
Closed |
|
10 |
Open |
Open |
Open |
Open |
Open |
Open |
|
11 |
Open |
Open |
Open |
Open |
Open |
Open |
|
12 |
Open |
Open |
Open |
Open |
Open |
Open |
|
14 |
Open |
Open |
Open |
Open |
Open |
Open |
|
15 |
Open |
Open |
Open |
Open |
Open |
Open |
INTERRUPT SELECTION CONTINUED |
||||||
IRQ |
JP2/I |
JP2/j |
JP2/K |
JP2/L |
JP2/M |
|
» |
3 |
Open |
Open |
Open |
Open |
Open |
|
4 |
Open |
Open |
Open |
Open |
Open |
|
5 |
Open |
Open |
Open |
Open |
Open |
|
6 |
Open |
Open |
Open |
Open |
Open |
|
7 |
Open |
Open |
Open |
Open |
Open |
|
9 |
Open |
Open |
Open |
Open |
Open |
|
10 |
Closed |
Open |
Open |
Open |
Open |
|
11 |
Open |
Closed |
Open |
Open |
Open |
|
12 |
Open |
Open |
Closed |
Open |
Open |
|
14 |
Open |
Open |
Open |
Closed |
Open |
|
15 |
Open |
Open |
Open |
Open |
Closed |
CABLE TYPE SELECTION |
||||
Type |
JP9/A-E |
JP10 |
JP12 |
|
|
AUI transceiver via DB-15 port |
Open |
Pins 1 & 2 closed |
Pins 2 & 3 closed |
» |
RG-58A/U 50ohm coaxial |
Open |
Pins 2 & 3 closed |
Pins 1 & 2 closed |
|
Unshielded twisted pair |
Closed |
Pins 2 & 3 closed |
Pins 2 & 3 closed |
ROM ADDRESS SELECTION |
|||||
Address |
JP4/A |
JP4/B |
JP4/C |
JP4/D |
|
|
C000h |
Closed |
Closed |
Closed |
Closed |
|
C400h |
Closed |
Closed |
Closed |
Open |
» |
C800h |
Closed |
Closed |
Open |
Closed |
|
CC00h |
Closed |
Closed |
Open |
Open |
|
D000h |
Closed |
Open |
Closed |
Closed |
|
D400h |
Closed |
Open |
Closed |
Open |
|
D800h |
Closed |
Open |
Open |
Closed |
|
DC00h |
Closed |
Open |
Open |
Open |
DIAGNOSTIC LED(S) |
|||
LED |
Color |
Status |
Condition |
LE5 |
Yellow |
On |
Polarity reversed and corrected |
LE5 |
Yellow |
Off |
Polarity normal |
LE6 |
Green |
On |
UTP link is good |
LE6 |
Green |
Off |
UTP link is broken |