KATRON TECHNOLOGIES, INC.
ARC-120
NIC Type |
ARCnet |
Transfer Rate |
2.5Mbps |
Data Bus |
8-bit ISA |
Topology |
Star Linear bus |
Wiring Type |
RG-62A/U 93ohm coaxial Unshielded twisted pair |
Boot ROM |
Available |
NODE ADDRESS | ||||||||
Node |
SW1/1 |
SW1/2 |
SW1/3 |
SW1/4 |
SW1/5 |
SW1/6 |
SW1/7 |
SW1/8 |
0 |
- |
- |
- |
- |
- |
- |
- |
- |
1 |
Off |
On |
On |
On |
On |
On |
On |
On |
2 |
On |
Off |
On |
On |
On |
On |
On |
On |
3 |
Off |
Off |
On |
On |
On |
On |
On |
On |
4 |
On |
On |
Off |
On |
On |
On |
On |
On |
251 |
Off |
Off |
On |
Off |
Off |
Off |
Off |
Off |
252 |
On |
On |
Off |
Off |
Off |
Off |
Off |
Off |
253 |
Off |
On |
Off |
Off |
Off |
Off |
Off |
Off |
254 |
On |
Off |
Off |
Off |
Off |
Off |
Off |
Off |
255 |
Off |
Off |
Off |
Off |
Off |
Off |
Off |
Off |
Note: Node address 0 is used for messaging between nodes and must not be used. A total of 255 node address settings are available. The switches are a binary representation of the decimal node addresses. Switch 1 is the Least Significant Bit and switch 8 is the Most Significant Bit. The switches have the following decimal values: switch 1=1, 2=2, 3=4, 4=8, 5=16, 6=32, 7=64, 8=128. Turn off the switches and add the values of the off switches to obtain the correct node address. (On=0, Off=1) |
CONNECTIONS | |
Function |
Location |
External LED1 (See LED table for LED1 indications) |
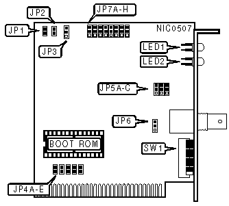
JP1 |
External LED2 (See LED table for LED2 indications) |
JP2 |
BOOT ROM | ||
Setting |
JP3 | |
» |
Disable |
Pins 2 & 3 closed |
Enable |
Pins 1 & 2 closed |
INTERRUPT REQUEST | ||||||
IRQ |
JP4A |
JP4B |
JP4C |
JP4D |
JP4E | |
» |
2 |
Closed |
Open |
Open |
Open |
Open |
3 |
Open |
Closed |
Open |
Open |
Open | |
4 |
Open |
Open |
Closed |
Open |
Open | |
5 |
Open |
Open |
Open |
Closed |
Open | |
7 |
Open |
Open |
Open |
Open |
Closed |
CABLE TYPE | |
Type |
JP5A - JP5C |
Unshielded twisted pair |
Pins 1 & 2 closed |
AUI transceiver via DB-15 port |
Pins 2 & 3 closed |
ONBOARD TERMINATOR | |||
Setting |
JP6 | ||
» |
Disabled |
Pins 1 & 2 closed | |
Enabled |
Pins 2 & 3 closed | ||
Notes:If the card is on either end of a linear bus network segment, the onboard terminator can be used instead of using an external terminator.
|
I/O BASE ADDRESS | ||||
Address |
JP7F |
JP7G |
JP7H | |
260-26Fh |
Pins 2 & 3 closed |
Pins 2 & 3 closed |
Pins 2 & 3 closed | |
290-29Fh |
Pins 1 & 2 closed |
Pins 2 & 3 closed |
Pins 2 & 3 closed | |
» |
2E0-2EFh |
Pins 2 & 3 closed |
Pins 1 & 2 closed |
Pins 2 & 3 closed |
2F0-2FFh |
Pins 1 & 2 closed |
Pins 1 & 2 closed |
Pins 2 & 3 closed | |
300-30Fh |
Pins 2 & 3 closed |
Pins 2 & 3 closed |
Pins 1 & 2 closed | |
350-35Fh |
Pins 1 & 2 closed |
Pins 2 & 3 closed |
Pins 1 & 2 closed | |
380-38Fh |
Pins 2 & 3 closed |
Pins 1 & 2 closed |
Pins 1 & 2 closed | |
3E0-3EFh |
Pins 1 & 2 closed |
Pins 1 & 2 closed |
Pins 1 & 2 closed |
BASE MEMORY ADDRESS & BOOT ROM ADDRESS | |||||||
Base Address |
Boot ROM Address |
JP7A |
JP7B |
JP7C |
JP7D |
JP7E | |
C0000-C07FFh |
C2000-C3FFFh |
Pins 2&3 |
Pins 2&3 |
Pins 2&3 |
Pins 2&3 |
Pins 2&3 | |
C0800-C0FFFh |
C2000-C3FFFh |
Pins 1&2 |
Pins 2&3 |
Pins 2&3 |
Pins 2&3 |
Pins 2&3 | |
C1000-C17FFh |
C2000-C3FFFh |
Pins 2&3 |
Pins 1&2 |
Pins 2&3 |
Pins 2&3 |
Pins 2&3 | |
C1800-C1FFFh |
C2000-C3FFFh |
Pins 1&2 |
Pins 1&2 |
Pins 2&3 |
Pins 2&3 |
Pins 2&3 | |
C4000-C47FFh |
C6000-C7FFFh |
Pins 2&3 |
Pins 2&3 |
Pins 1&2 |
Pins 2&3 |
Pins 2&3 | |
C4800-C4FFFh |
C6000-C7FFFh |
Pins 1&2 |
Pins 2&3 |
Pins 1&2 |
Pins 2&3 |
Pins 2&3 | |
C5000-C57FFh |
C6000-C7FFFh |
Pins 2&3 |
Pins 1&2 |
Pins 1&2 |
Pins 2&3 |
Pins 2&3 | |
C5800-C5FFFh |
C6000-C7FFFh |
Pins 1&2 |
Pins 1&2 |
Pins 1&2 |
Pins 2&3 |
Pins 2&3 | |
CC000-CC7FFh |
CE000-CFFFFh |
Pins 2&3 |
Pins 2&3 |
Pins 2&3 |
Pins 1&2 |
Pins 2&3 | |
CC800-CCFFFh |
CE000-CFFFFh |
Pins 1&2 |
Pins 2&3 |
Pins 2&3 |
Pins 1&2 |
Pins 2&3 | |
CD000-CD7FFh |
CE000-CFFFFh |
Pins 2&3 |
Pins 1&2 |
Pins 2&3 |
Pins 1&2 |
Pins 2&3 | |
CD800-CDFFFh |
CE000-CFFFFh |
Pins 1&2 |
Pins 1&2 |
Pins 2&3 |
Pins 1&2 |
Pins 2&3 | |
» |
D0000-D07FFh |
D2000-D3FFFh |
Pins 2&3 |
Pins 2&3 |
Pins 1&2 |
Pins 1&2 |
Pins 2&3 |
D0800-D0FFFh |
D2000-D3FFFh |
Pins 1&2 |
Pins 2&3 |
Pins 1&2 |
Pins 1&2 |
Pins 2&3 | |
D1000-D17FFh |
D2000-D3FFFh |
Pins 2&3 |
Pins 1&2 |
Pins 1&2 |
Pins 1&2 |
Pins 2&3 | |
D1800-D1FFFh |
D2000-D3FFFh |
Pins 1&2 |
Pins 1&2 |
Pins 1&2 |
Pins 1&2 |
Pins 2&3 | |
D4000-D47FFh |
D6000-D7FFFh |
Pins 2&3 |
Pins 2&3 |
Pins 2&3 |
Pins 2&3 |
Pins 1&2 | |
D4800-D4FFFh |
D6000-D7FFFh |
Pins 1&2 |
Pins 2&3 |
Pins 2&3 |
Pins 2&3 |
Pins 1&2 | |
D5000-D57FFh |
D6000-D7FFFh |
Pins 2&3 |
Pins 1&2 |
Pins 2&3 |
Pins 2&3 |
Pins 1&2 | |
D5800 D5FFFh |
D6000-D7FFFh |
Pins 1&2 |
Pins 1&2 |
Pins 2&3 |
Pins 2&3 |
Pins 1&2 | |
D8000-D87FFh |
DA000-DBFFFh |
Pins 2&3 |
Pins 2&3 |
Pins 1&2 |
Pins 2&3 |
Pins 1&2 | |
D8800-D8FFFh |
DA000-DBFFFh |
Pins 1&2 |
Pins 2&3 |
Pins 1&2 |
Pins 2&3 |
Pins 1&2 | |
D9000-D97FFh |
DA000-DBFFFh |
Pins 2&3 |
Pins 1&2 |
Pins 1&2 |
Pins 2&3 |
Pins 1&2 | |
D9800-D9FFFh |
DA000-DBFFFh |
Pins 1&2 |
Pins 1&2 |
Pins 1&2 |
Pins 2&3 |
Pins 1&2 | |
DC000-DC7FFh |
DE000-DFFFFh |
Pins 2&3 |
Pins 2&3 |
Pins 2&3 |
Pins 1&2 |
Pins 1&2 | |
DC800-DCFFFh |
DE000-DFFFFh |
Pins 1&2 |
Pins 2&3 |
Pins 2&3 |
Pins 1&2 |
Pins 1&2 | |
DD000-DD7FFh |
DE000-DFFFFh |
Pins 2&3 |
Pins 1&2 |
Pins 2&3 |
Pins 1&2 |
Pins 1&2 | |
DD800-DDFFFh |
DE000-DFFFFh |
Pins 1&2 |
Pins 1&2 |
Pins 2&3 |
Pins 1&2 |
Pins 1&2 | |
E0000-E07FFh |
E2000-E3FFFh |
Pins 2&3 |
Pins 2&3 |
Pins 1&2 |
Pins 1&2 |
Pins 1&2 | |
E0800-E0FFFh |
E2000-E3FFFh |
Pins 1&2 |
Pins 2&3 |
Pins 1&2 |
Pins 1&2 |
Pins 1&2 | |
E1000-E17FFh |
E2000-E3FFFh |
Pins 2&3 |
Pins 1&2 |
Pins 1&2 |
Pins 1&2 |
Pins 1&2 | |
E1800-E1FFFh |
E2000-E3FFFh |
Pins 1&2 |
Pins 1&2 |
Pins 1&2 |
Pins 1&2 |
Pins 1&2 | |
Note:Pins designated should be in the closed position. |
DIAGNOSTIC LED(S) | |||
LED |
Color |
Status |
Condition |
LED1 |
Green |
On |
Network connection is good |
LED1 |
Green |
Off |
Network connection is broken |
LED2 |
Red |
On |
Data is being transmitted or received. |
LED2 |
Red |
Off |
Data is not being transmitted or received. |