GARRETT COMMUNICATIONS
MAGNUM MII-TX
Card Type |
Ethernet Transceiver |
NIC Type |
Ethernet |
Maximum Onboard Memory |
Unidentified |
Boot ROM |
Not available |
Network Transfer Rate |
10Mbps, 100Mbps |
Topology |
Star |
Wiring Type |
RJ-45 Shielded twisted pair, MII |
Data Bus |
External |
CONNECTIONS | |||
Function |
Label |
Function |
Label |
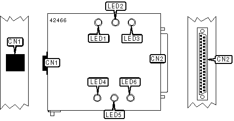
STP connector (RJ-45 |
CN1 |
MII connector |
CN2 |
USER CONFIGURABLE SETTINGS | |||
Function |
Label |
Position | |
» |
Auto-configuring enabled |
SW1 |
On |
Host programmable |
SW1 |
Off | |
Note: Orientation of switch may vary. |
DIAGNOSTIC LED(S) | |||
LED |
Color |
Status |
Condition |
LED1 |
Unidentified |
Blinking |
Data is being transmitted |
LED1 |
Unidentified |
Off |
Data is not being transmitted |
LED2 |
Unidentified |
Blinking |
Data is being received |
LED2 |
Unidentified |
Off |
Data is not being received |
LED3 |
Unidentified |
On |
Half duplex mode |
LED3 |
Unidentified |
Off |
Full duplex mode |
LED4 |
Unidentified |
On |
100Mbps connection |
LED4 |
Unidentified |
Off |
10Mbps connection |
LED5 |
Unidentified |
Blinking |
Collision detected on network |
LED5 |
Unidentified |
Off |
No collision detected on network |
LED6 |
Unidentified |
On |
Unit is receiving power |
LED6 |
Unidentified |
Off |
Unit is not receiving power |