CISCO SYSTEMS, INC.
CDDI DUAL ATTACHMENT SBUS ADAPTER
Card Type |
Network Interface Card |
NIC Type |
CDDI |
Maximum Onboard Memory |
Unidentified |
Boot ROM |
Unidentified |
Network Transfer Rate |
Unidentified |
Topology |
Star |
Wiring Type |
Unshielded twisted pair |
Data Bus |
SBus |
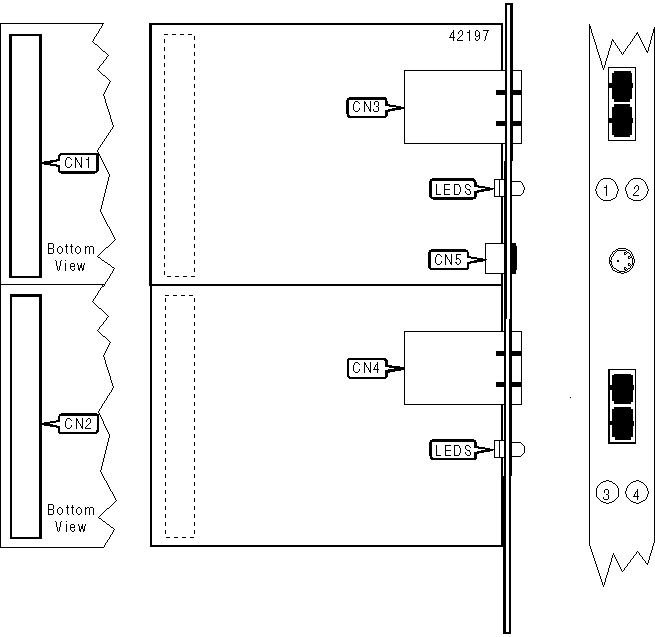
CONNECTIONS | |||
Function |
Label |
Function |
Label |
SBus interface connector |
CN1 |
UTP via RJ-45 connector |
CN4 |
SBus interface connector |
CN2 |
Bypass connector |
CN5 |
UTP via RJ-45 connector |
CN3 |
DIAGNOSTIC LED(S) | |||
LED |
Color |
Status |
Condition |
LED1 |
Unidentified |
On |
Internal diagnostics passed |
LED1 |
Unidentified |
Off |
Internal diagnostics failed |
LED2 |
Unidentified |
On |
Network connection is good |
LED2 |
Unidentified |
Off |
Network connection is broken |
LED3 |
Unidentified |
On |
Internal diagnostics passed |
LED3 |
Unidentified |
Off |
Internal diagnostics failed |
LED4 |
Unidentified |
On |
Network connection is good |
LED4 |
Unidentified |
Off |
Network connection is broken |