COMPU-SHACK PRODUCTION, GMBH
HIGHSCREEN (ISA)
Card Type |
Network Interface Card |
NIC Type |
Ethernet |
Maximum Onboard Memory |
Unidentified |
Boot ROM |
Available |
Network Transfer Rate |
10/100Mbps |
Topology |
Linear Bus, Star |
Wiring Type |
Unshielded twisted pair RG-58A/U 50ohm coaxial |
Data Bus |
16-bit ISA |
CONNECTIONS | |||
Function |
Label |
Function |
Label |
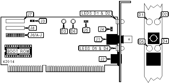
RG-58A/U connector |
J1 |
UTP connector |
J2 |
USER CONFIGURABLE SETTINGS | ||
Function |
Label |
Position |
Adapter in AT slot (16-bit) |
J3 |
Open |
Adapter in PC slot (8-bit) |
J3 |
Closed |
No 50 ohm resistor connected |
J4 |
Open |
50 ohm resistor connected |
J4 |
Closed |
Factory configured - do not alter. |
J6/B |
Unidentified |
Factory configured - do not alter. |
J6/C |
Unidentified |
Factory configured - do not alter. |
J6/D |
Unidentified |
Factory configured - do not alter. |
J6/E |
Unidentified |
Factory configured - do not alter. |
J6/F |
Unidentified |
Factory configured - do not alter. |
J6/G |
Unidentified |
Factory configured - do not alter. |
J6/H |
Unidentified |
Factory configured - do not alter. |
J6/I |
Unidentified |
Factory configured - do not alter. |
J6/J |
Unidentified |
Factory configured - do not alter. |
J7 |
Unidentified |
Factory configured - do not alter. |
J8 |
Unidentified |
SOFTWARE CONFIGURATION SELECT | ||
Function |
J5 |
J6/A |
Software enabled |
Closed |
Closed |
Software disabled |
Open |
Open |
DIAGNOSTIC LED(S) | |||
LED |
Color |
Status |
Condition |
D1 |
Yellow |
Blinking |
Data is being transmitted |
D1 |
Yellow |
Off |
Data is not being transmitted |
D2 |
Yellow |
Blinking |
Data is being received |
D2 |
Yellow |
Off |
Data is not being received |
D3 |
Yellow |
On |
Collision detected |
D3 |
Yellow |
Off |
No collision detected |
D4 |
Green |
On |
UTP link is good |
D4 |
Green |
Off |
UTP link is broken |
D5 |
Red |
On |
Polarity reversed |
D5 |
Red |
Off |
Polarity normal |
D6 |
Yellow |
On |
TP time-out elapsed/TP driver disabled |
D6 |
Yellow |
Off |
TP time-out not elapsed/TP driver enabled |