COMPEX, INC.
PARAPORT2-E
Card Type |
Network Interface Card |
NIC Type |
Ethernet |
Maximum Onboard Memory |
16KB RAM |
Boot ROM |
Unidentified |
Network Transfer Rate |
10Mbps |
Topology |
Linear Bus, Star |
Wiring Type |
Unshielded twisted pair RG-58A/U 50ohm coaxial |
Data Bus |
25-pin parallel port - external |
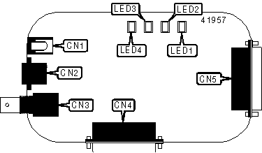
CONNECTIONS | |||
Function |
Label |
Function |
Label |
DC power |
CN1 |
DB-25 (male) |
CN4 |
UTP connector |
CN2 |
DB-25 Parallel port pass-through connector |
CN5 |
RG-58A/U connector |
CN3 |
DIAGNOSTIC LED(S) | |||
LED |
Color |
Status |
Condition |
LED1 |
Yellow |
On |
Printer connection is good |
LED1 |
Yellow |
Blinking |
Data is being transmitted to printer |
LED1 |
Yellow |
Off |
Data is not being transmitted to printer |
LED2 |
Red |
Blinking |
Data is being transmitted/recieved |
LED2 |
Red |
Off |
Data is not being transmitted/recieved |
LED3 |
Green |
On |
UTP link is good |
LED3 |
Green |
Off |
UTP link is broken |
LED4 |
Green |
On |
Power connection is good |
LED4 |
Green |
Off |
Power connection is broken |