COMPU-SHACK PRODUCTION, GMBH
FASTLINE-PCI FO (100BASE TX)
Card Type |
Network Interface Card |
NIC Type |
Ethernet |
Maximum Onboard Memory |
Unidentified |
Boot ROM |
Unavailable |
Network Transfer Rate |
100Mbps (200Mbps full duplex) |
Topology |
Star |
Wiring Type |
Duplex-SC Fiber optic |
Data Bus |
32-bit PCI |
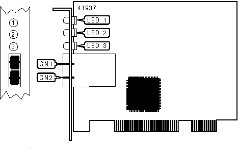
CONNECTIONS | |||
Function |
Label |
Function |
Label |
Fiber optic connector (SC) |
CN1 |
Fiber optic connector (SC) |
CN2 |
DIAGNOSTIC LED(S) | |||
LED |
Color |
Status |
Condition |
LED1 |
Green |
On |
Network connection is good |
LED1 |
Green |
Off |
Network connection is broken |
LED2 |
Green |
On |
Data is being received |
LED2 |
Green |
Off |
Data is not being received |
LED3 |
Green |
On |
Data is being transmitted |
LED3 |
Green |
Off |
Data is not being transmitted |