Celan technology, inc
Ethernet transceiver 10base-fl
Card Type |
Network Interface Card |
NIC Type |
Ethernet |
Network Transfer Rate |
10Mbps |
Topology |
Linear Bus, Star |
Wiring Type |
AUI transceiver via DB-15 port, Fiber optic cable |
Data Bus |
External |
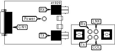
CONNECTIONS | |||
Function |
Label |
Function |
Label |
AUI transceiver via DB-15 |
CN1 |
RG-62 Fiber optic |
TX |
RG-62 Fiber optic |
RX |
DIAGNOSTIC LED(S) | |||
LED |
Color |
Status |
Condition |
COL |
Red |
Blinking |
Collision detected on network |
COL |
Red |
Off |
No collision detected on network |
LNK |
Orange |
On |
Linking successful |
LNK |
Orange |
Off |
Linking failed |
Power |
Green |
On |
Power is on |
Power |
Green |
Off |
Power is off |
Rx |
Green |
Blinking |
Data is being received |
Rx |
Green |
Off |
Data is not being received |
Tx |
Yellow |
Blinking |
Data is being transmitted |
Tx |
Yellow |
Off |
Data is not being transmitted |