CNET TECHNOLOGY, INC.
CN815E
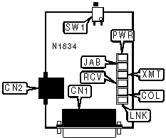
Card Type |
Ethernet transceiver |
Network Transfer Rate |
10Mbps |
Data Bus |
AUI via DB-15 port |
Topology |
Star |
Wire Type |
Unshielded twisted pair |
CONNECTIONS | |||
Function |
Label |
Function |
Label |
AUI via DB-15 port |
CN1 |
Unshielded twisted pair connector |
CN2 |
USER CONFIGURABLE SETTINGS | |||
Setting |
Label |
Position | |
» |
SQE test enabled |
SW1 |
On |
SQE test disabled |
SW1 |
Off |
DIAGNOSTIC LED(S) | |||
LED |
Color |
Status |
Condition |
PWR |
Unidentified |
On |
Power is on |
PWR |
Unidentified |
Off |
Power is off |
JAB |
Unidentified |
On |
Network jabber detected |
JAB |
Unidentified |
Off |
Network jabber not detected |
XMT |
Unidentified |
Off |
Transceiver is not transmitting data to the network |
XMT |
Unidentified |
Blinking |
Transceiver is transmitting data to the network |
RCV |
Unidentified |
Off |
Transceiver is not receiving data from the network |
RCV |
Unidentified |
Blinking |
Transceiver is receiving data from the network |
COL |
Unidentified |
Off |
Network collision not detected |
COL |
Unidentified |
Blinking |
Network collision detected |
LNK |
Unidentified |
On |
Network connection is good |
LNK |
Unidentified |
Off |
Network connection is broken |