CODENOLL TECHNOLOGY CORPORATION

CODENET-8380, CODENET-8382

Card Type

Ethernet transceiver

Network Transfer Rate

10Mbps

Data Bus

AUI via DB-15 connector

Topology

Star

Wire Type

Fiber optic cable

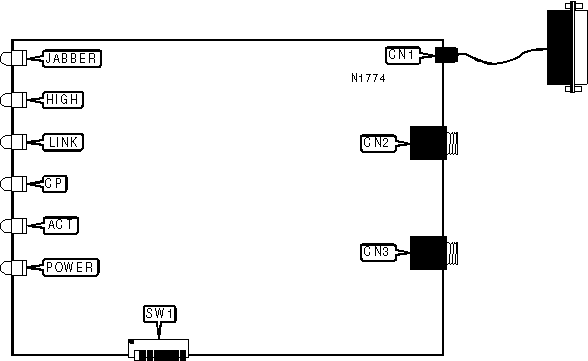
CONNECTIONS

Function

Label

Function

Label

AUI via DB-15 port

CN1

Fiber receive connector

CN3

Fiber transmit connector

CN2

   

USER CONFIGURABLE SETTINGS

Setting

Label

Position

»

Link good function enabled

SW1/1

On

 

Link good function disabled

SW1/1

Off

»

SQE heartbeat disabled

SW1/2

On

 

SQE heartbeat enabled

SW1/2

Off

»

Point-to-point mode

SW1/3

On

 

Passive star mode

SW1/3

Off

»

Jabber lockout resets automatically

SW1/4

On

 

Jabber lockout resets only by cycling power

SW1/4

Off

»

Optical transmitter at full power

SW1/5

Off

 

Optical transmitter at half power for testing

SW1/5

On

»

Factory configured - do not alter

SW1/6

N/A

»

Factory configured - do not alter

SW1/7

N/A

»

Factory configured - do not alter

SW1/8

N/A

DIAGNOSTIC LED(S)

LED

Color

Status

Condition

JABBER

Yellow

On

Network jabber detected

JABBER

Yellow

Off

Network jabber not detected

HIGH

Yellow

On

Received optical signal too bright

HIGH

Yellow

Off

Received optical signal normal

LINK

Yellow

On

Network connection is broken

LINK

Yellow

Off

Network connection is good

CP

Yellow

On

Network collision detected

CP

Yellow

Off

Network collision not detected

ACT

Green

On

Transceiver is receiving or transmitting to the network

ACT

Green

Off

Transceiver is not receiving or transmitting to the network

POWER

Green

On

Power is on

POWER

Green

Off

Power is off