CABLETRON SYSTEMS, INC.

E2211

NIC Type

Ethernet

Transfer Rate

10Mbps

Data Bus

16-bit ISA

Topology

Star

Wiring Type

Redundant unshielded twisted pair

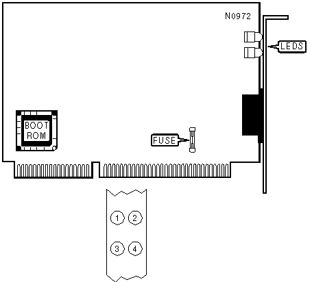
Boot ROM

Available

DIAGNOSTIC LED(S)

LED

Color

Status

Condition

LED1

Green

Blinking

Data is being transmitted

LED1

Green

Off

Data is not being transmitted

LED2

Red

Blinking

Collision detected

LED2

Red

Off

No collision

LED3

Yellow

Blinking

Data is being received

LED3

Yellow

Off

Data is not being received

LED4

Green

On

Network connection is good

LED4

Green

Off

Network connection is broken

Note: LED2 is always off in full duplex mode.