CABLETRON SYSTEMS, INC.
E1100 SERIES
NIC Type |
Ethernet |
Transfer Rate |
10Mbps |
Data Bus |
8-bit ISA |
Topology |
Star Linear Bus (Depending on the model) |
Wiring Type |
Various (Depending on the model) |
Boot ROM |
Available |
MISCELLANEOUS NOTES |
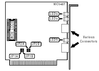
The jumper settings for the entire line of E1100 card are exactly the same. To save space we have only listed these settings once instead of including a table for each card. The only differences between the models are the wiring types and topologies. |
I/O BASE ADDRESS | ||
Address |
JP1A |
JP1B |
220 - 23Fh |
Closed |
Closed |
280 - 29Fh |
Closed |
Open |
300 - 31Fh |
Open |
Closed |
380 - 39Fh |
Open |
Open |
BOOT ROM ADDRESS & INTERRUPT REQUEST | ||||
Address |
IRQ |
JP2A |
JP2B | |
» |
Disabled |
Software Select |
Open |
Open |
C0000h |
IRQ3 |
Closed |
Closed | |
D0000h |
IRQ5 |
Open |
Closed | |
E0000h |
IRQ7 |
Closed |
Open |
DIAGNOSTIC LED(S) | |||
LED |
Color |
Status |
Condition |
LED1 |
Green |
Blinking |
Data is being transmitted |
LED1 |
Green |
Off |
Data is not being transmitted |
LED2 |
Red |
Blinking |
Collision detected on network |
LED2 |
Red |
Off |
Normal operation |
LED3 |
Yellow |
Blinking |
Data is being received |
LED3 |
Yellow |
Off |
Data is not being received |
LED4 |
Green |
On |
Card is powered/Twisted pair network conneciton is good |
LED4 |
Green |
Off |
Card is not powered/Twisted pair network conneciton is broken |
LED5 |
Green |
On |
Lower twisted pair network conneciton is good |
LED5 |
Green |
Off |
Lower twisted pair network conneciton is broken |
Note:On NICs that have twisted pair connectors LED 4 designates the state of the connection, while on NICs that do not have twisted -pair connectors LED 4 indicates if power is applied to the card. LED 5 is present only on cards that have two RJ-45 connectors. |