ALLIED TELESYN, INC.
AT-125, AT-126
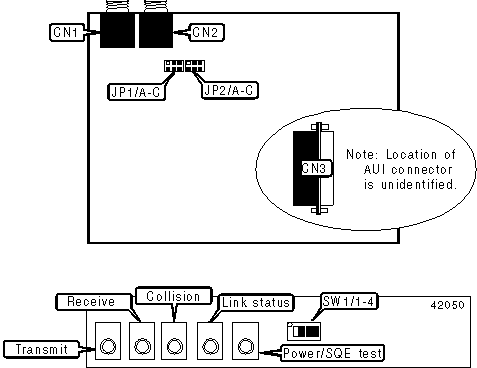
Card Type |
Transceiver |
NIC Type |
Ethernet |
Network Transfer Rate |
10Mbps |
Topology |
Linear Bus, Star |
Wiring Type |
AUI transceiver via DB-15 port Fiber optic cable |
Data Bus |
None |
CONNECTIONS | |||
Function |
Label |
Function |
Label |
Fiber optic connector - receive |
CN1 |
AUI connector |
CN3 |
Fiber optic connector - transmit |
CN2 |
USER CONFIGURABLE SETTINGS | |||
Function |
Label |
Position | |
» |
SQE/Heartbeat switch disabled |
SW1/1 |
On |
SQE/Heartbeat switch enabled |
SW1/1 |
Off | |
» |
Continuous transmit function disabled |
SW1/2 |
On |
Continuous transmit function enabled |
SW1/2 |
Off | |
» |
Link test function - always on |
SW1/3 |
On |
» |
Factory configured - do not alter |
SW1/4 |
On |
TRANSMIT POWER SELECTION | ||||||
Setting |
JP1/A |
JP1/B |
JP1/C |
JP2/A |
JP2/B |
JP2/C |
Low |
Closed |
Open |
Open |
Closed |
Open |
Open |
Medium |
Open |
Closed |
Open |
Open |
Closed |
Open |
High |
Open |
Open |
Closed |
Open |
Open |
Closed |
DIAGNOSTIC LED(S) | |||
LED |
Color |
Status |
Condition |
Transmit |
Unidentified |
On |
Data is being transmitted |
Transmit |
Unidentified |
Off |
Data is not being transmitted |
Receive |
Unidentified |
On |
Data is being received |
Receive |
Unidentified |
Off |
Data is not being received |
Collision |
Unidentified |
On |
Collision detected on network |
Collision |
Unidentified |
Off |
No collision detected on network |
Link status |
Unidentified |
On |
Link test function is disabled |
Link status |
Unidentified |
Off |
Link test function is enabled |
Power/SQE test |
Yellow |
On |
SQE/Heartbeat test is enabled |
Power/SQE test |
Green |
On |
SQE/Heartbeat test is disabled |