ABC COMPUTER COMPANY, LTD.
ETHERNET A3251
NIC Type |
Ethernet |
Transfer Rate |
10Mbps |
Data Bus |
16-bit ISA |
Topology |
Linear Bus |
Wiring Type |
RG-58A/U 50ohm coaxial AUI transceiver via DB-15 port |
Boot ROM |
Available |
INTERRUPT REQUEST | |||||
IRQ |
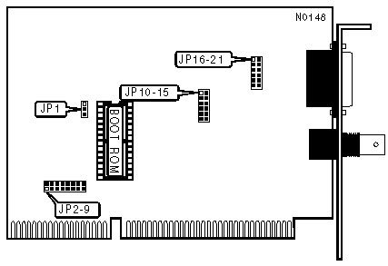
JP6 |
JP7 |
JP8 |
JP9 | |
2 |
Closed |
Open |
Open |
Open | |
» |
3 |
Open |
Closed |
Open |
Open |
4 |
Open |
Open |
Closed |
Open | |
5 |
Open |
Open |
Open |
Closed |
BOOT ROM | ||
Type |
JP1 | |
» |
Enabled |
Pins 1 & 2 Closed |
Disabled |
Pins 2 & 3 Closed |
CABLE TYPE | |||
Type |
JP10 - JP13 & JP15 |
JP16 - JP18 & JP20 - JP21 | |
» |
RG-58A/U 50ohm coaxial |
Closed |
Open |
AUI transceiver via DB-15 port |
Open |
Closed |
I/O BASE ADDRESS | |||||
I/O Address |
SW1/1 |
SW1/2 |
SW1/3 |
SW1/4 | |
280-29F |
On |
On |
On |
On | |
» |
2A0-2BF |
On |
Off |
On |
On |
2C0-2DF |
On |
On |
Off |
On | |
2E0-2FF |
On |
Off |
Off |
On | |
300-31F |
On |
On |
On |
Off | |
320-33F |
On |
Off |
On |
Off | |
340-35F |
On |
On |
Off |
Off | |
360-37F |
On |
Off |
Off |
Off |
BASE MEMORY ADDRESS | |||
Base Address |
SW1/5 |
SW1/6 | |
C0000-C3FFF |
On |
On | |
C4000-C7FFF |
Off |
On | |
C8000-CBFFF |
On |
Off | |
» |
CC000- CFFFF |
Off |
Off |
MISCELLANEOUS NOTES |
Different drivers must be used for the National & the Fujitsu chipset cards, & are not interchangeable. Fujitsu adapters may be used for either 8 or 16 bit Fujitsu cards. While the National chipset cards require a different driver for an 8 or 16 bit card. |