ADDTRON TECHNOLOGY COMPANY, LTD.
ARC-220 VER. 1
NIC Type |
ARCnet |
Transfer Rate |
2.5Mbps |
Data Bus |
16-bit ISA |
Topology |
Star Linear bus |
Wiring Type |
RG-62A/U 93ohm coaxial Unshielded twisted pair |
Boot ROM |
Available |
NODE ADDRESS |
||||||||
Node |
SW1/1 |
SW1/2 |
SW1/3 |
SW1/4 |
SW1/5 |
SW1/6 |
SW1/7 |
SW1/8 |
0 |
- |
- |
- |
- |
- |
- |
- |
- |
1 |
Off |
On |
On |
On |
On |
On |
On |
On |
2 |
On |
Off |
On |
On |
On |
On |
On |
On |
3 |
Off |
Off |
On |
On |
On |
On |
On |
On |
4 |
On |
On |
Off |
On |
On |
On |
On |
On |
251 |
Off |
Off |
On |
Off |
Off |
Off |
Off |
Off |
252 |
On |
On |
Off |
Off |
Off |
Off |
Off |
Off |
253 |
Off |
On |
Off |
Off |
Off |
Off |
Off |
Off |
254 |
On |
Off |
Off |
Off |
Off |
Off |
Off |
Off |
255 |
Off |
Off |
Off |
Off |
Off |
Off |
Off |
Off |
Note:Node address 0 is used for messaging between nodes and must not be used. A total of 255 node address settings are available. The switches are a binary representation of the decimal node addresses. Switch 1 is the Least Significant Bit and switch 8 is the Most Significant Bit. The switches have the following decimal values: switch 1=1, 2=2, 3=4, 4=8, 5=16, 6=32, 7=64, 8=128. Turn off the switches and add the values of the off switches to obtain the correct node address. (On=0, Off=1) |
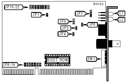
BOOT ROM |
||
Mode |
JP1 |
|
» |
Disabled |
Open |
|
Enabled |
Closed |
ONBOARD TERMINATOR |
||
Setting |
JP3 |
|
» |
Disabled |
Open |
|
Enabled |
Closed |
Note:If the card is on either end of a linear bus network segment, the onboard terminator may be used instead of using an external terminator |
CABLE TYPE |
|||
Type |
JP4 |
JP5 |
JP6 |
Unshielded twisted pair |
Closed |
Open |
Pins 1 & 2 closed |
RG-62A/U 93ohm coaxial |
Open |
Closed |
Pins 2 & 3 closed |
CONNECTIONS |
|
Purpose |
Location |
Connection for LED1 |
JP7/pins 1 & 2 closed |
Connection for LED2 |
JP7/pins 3 & 4 closed |
Note: When no LEDs are being installed for the front panel, JP7 pins 1 & 2 and pins 3 & 4 should be closed. |
INTERRUPT REQUEST |
||||||||
IRQ |
JP8 |
JP9 |
JP10 |
JP11 |
JP12 |
JP13 |
JP14 |
|
» |
2/9 |
Closed |
Open |
Open |
Open |
Open |
Open |
Open |
|
3 |
Open |
Closed |
Open |
Open |
Open |
Open |
Open |
|
4 |
Open |
Open |
Closed |
Open |
Open |
Open |
Open |
|
5 |
Open |
Open |
Open |
Closed |
Open |
Open |
Open |
|
10 |
Open |
Open |
Open |
Open |
Closed |
Open |
Open |
|
11 |
Open |
Open |
Open |
Open |
Open |
Closed |
Open |
|
12 |
Open |
Open |
Open |
Open |
Open |
Open |
Closed |
DIAGNOSTIC LED(S) |
|||
LED |
Color |
Status |
Condition |
LED1 |
Green |
On |
Data is being transmitted/received. |
LED1 |
Green |
Off |
Data is not being transmitted/received. |
LED1 |
Green |
Blinking |
Network connection is broken |
LED2 |
Red |
On |
Card is being accessed by the host computer |
LED2 |
Red |
Off |
Card is not being accessed by the host computer |
BASE MEMORY ADDRESS AND BOOR ROM ADDRESS |
|||||||
Base Address |
Boot ROM Address |
JP15 |
JP16 |
JP17 |
JP18 |
JP19 |
|
» |
D0000-D07FFh |
D2000-D3FFFh |
Closed |
Closed |
Closed |
Open |
Open |
|
C0000-C07FFh |
C2000-C3FFFh |
Closed |
Closed |
Closed |
Closed |
Closed |
|
C0800-C0FFFh |
C2000-C3FFFh |
Closed |
Open |
Closed |
Closed |
Closed |
|
C1000-C17FFh |
C2000-C3FFFh |
Closed |
Closed |
Open |
Closed |
Closed |
|
C1800-C1FFFh |
C2000-C3FFFh |
Closed |
Open |
Open |
Closed |
Closed |
|
C4000-C47FFh |
C6000-C7FFFh |
Closed |
Closed |
Closed |
Open |
Closed |
|
C4800-C4FFFh |
C6000-C7FFFh |
Closed |
Open |
Closed |
Open |
Closed |
|
C5000-C57FFh |
C6000-C7FFFh |
Closed |
Closed |
Open |
Open |
Closed |
|
C5800-C5FFFh |
C6000-C7FFFh |
Closed |
Open |
Open |
Open |
Closed |
|
CC000-CC7FFh |
CE000-CFFFFh |
Closed |
Closed |
Closed |
Closed |
Open |
|
CC800-CCFFFh |
CE000-CFFFFh |
Closed |
Open |
Closed |
Closed |
Open |
|
CD000-CD7FFh |
CE000-CFFFFh |
Closed |
Closed |
Open |
Closed |
Open |
|
CD800-CDFFFh |
CE000-CFFFFh |
Closed |
Open |
Open |
Closed |
Open |
|
D0800-D0FFFh |
D2000-D3FFFh |
Closed |
Open |
Closed |
Open |
Open |
|
D1000-D17FFh |
D2000-D3FFFh |
Closed |
Closed |
Open |
Open |
Open |
|
D1800-D1FFFh |
D2000-D3FFFh |
Closed |
Open |
Open |
Open |
Open |
|
D4000-D47FFh |
D6000-D7FFFh |
Open |
Closed |
Closed |
Closed |
Closed |
|
D4800-D4FFFh |
D6000-D7FFFh |
Open |
Open |
Closed |
Closed |
Closed |
|
D5000-D57FFh |
D6000-D7FFFh |
Open |
Closed |
Open |
Closed |
Closed |
|
D5800 D5FFFh |
D6000-D7FFFh |
Open |
Open |
Open |
Closed |
Closed |
|
D8000-D87FFh |
DA000-DBFFFh |
Open |
Closed |
Closed |
Open |
Closed |
|
D8800-D8FFFh |
DA000-DBFFFh |
Open |
Open |
Closed |
Open |
Closed |
|
D9000-D97FFh |
DA000-DBFFFh |
Open |
Closed |
Open |
Open |
Closed |
|
D9800-D9FFFh |
DA000-DBFFFh |
Open |
Open |
Open |
Open |
Closed |
|
DC000-DC7FFh |
DE000-DFFFFh |
Open |
Closed |
Closed |
Closed |
Open |
|
DC800-DCFFFh |
DE000-DFFFFh |
Open |
Open |
Closed |
Closed |
Open |
|
DD000-DD7FFh |
DE000-DFFFFh |
Open |
Closed |
Open |
Closed |
Open |
|
DD800-DDFFFh |
DE000-DFFFFh |
Open |
Open |
Open |
Closed |
Open |
|
E0000-E07FFh |
E2000-E3FFFh |
Open |
Closed |
Closed |
Open |
Open |
|
E0800-E0FFFh |
E2000-E3FFFh |
Open |
Open |
Closed |
Open |
Open |
|
E1000-E17FFh |
E2000-E3FFFh |
Open |
Closed |
Open |
Open |
Open |
|
E1800-E1FFFh |
E2000-E3FFFh |
Open |
Open |
Open |
Open |
Open |
I/O BASE ADDRESS |
||||
Address |
JP20 |
JP21 |
JP22 |
|
» |
2E0-2EFh |
On |
Off |
On |
|
260-26Fh |
On |
On |
On |
|
290-29Fh |
Off |
On |
On |
|
2F0-2FFh |
Off |
Off |
On |
|
300-30Fh |
On |
On |
Off |
|
350-35Fh |
Off |
On |
Off |
|
380-38Fh |
On |
Off |
Off |
|
3E0-3EFh |
Off |
Off |
Off |