ZIDA TECHNOLOGIES, INC.
6ABX (VER. 1.10), 6ALX (VER. 1.10)
Device Type |
Mainboard |
Processor |
Pentium II/Celeron |
Processor Speed |
233/266/300/333/350/400/450/500MHz |
Chip Set |
Intel 440 BX/LX |
Video Chip Set |
None |
Maximum Onboard Memory |
512MB (SDRAM supported) |
Maximum Video Memory |
None |
Cache |
256/512KB (located on Pentium II CPU) |
BIOS |
AMI |
Dimensions |
305mm x 190mm |
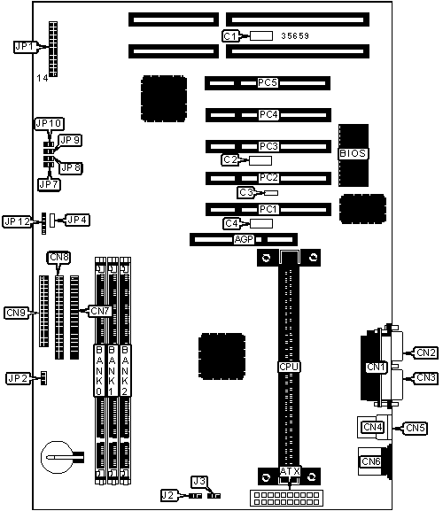
I/O Options |
32-bit PCI slots (5), floppy drive interface, green PC connector, IDE interfaces (2), parallel port, PS/2 mouse port, serial ports (2), IR connector, USB connectors (2), ATX power connector, AGP slot |
CONNECTIONS | |||
Purpose |
Location |
Purpose |
Location |
AGP slot |
AGP |
IDE interface 2 |
CN8 |
ATX power connector |
ATX |
Floppy drive interface |
CN9 |
TB-link connector |
C1 |
CPU fan power |
J2 |
SB-link connector |
C2 |
CPU fan power |
J3 |
Wake up link connector |
C3 |
Power LED & keylock |
JP1/pins 1 – 5 |
TA-link connector |
C4 |
Green PC connector |
JP1/pins 7 & 8 |
Parallel port |
CN1 |
Speaker |
JP1/pins 10 – 13 |
Serial port 2 |
CN2 |
IDE interface LED |
JP1/pins 14 & 15 |
Serial port 1 |
CN3 |
Soft off power supply |
JP1/pins 17 & 18 |
USB connector 1 |
CN4 |
Reset switch |
JP1/pins 22 & 23 |
USB connector 2 |
CN5 |
Turbo LED |
JP1/pins 25 & 26 |
PS/2 mouse port |
CN6 |
IR connector |
JP12 |
IDE interface 1 |
CN7 |
32-bit PCI slots |
PC1 – PC5 |
USER CONFIGURABLE SETTINGS | |||
Function |
Label |
Position | |
» |
Flash BIOS write protect enabled |
H1 |
Closed |
» |
CMOS memory normal operation |
JP2 |
Pins 1 & 2 closed |
CMOS memory clear |
JP2 |
Pins 2 & 3 closed | |
» |
Factory configured - do not alter |
JP4 |
Unidentified |
DIMM CONFIGURATION | |||
Size |
Bank 0 |
Bank 1 |
Bank 2 |
8MB |
(1) 1M x 64 |
None |
None |
16MB |
(1) 2M x 64 |
None |
None |
16MB |
(1) 1M x 64 |
(1) 1M x 64 |
None |
24MB |
(1) 2M x 64 |
(1) 1M x 64 |
None |
24MB |
(1) 1M x 64 |
(1) 1M x 64 |
(1) 1M x 64 |
32MB |
(1) 4M x 64 |
None |
None |
32MB |
(1) 2M x 64 |
(1) 1M x 64 |
(1) 1M x 64 |
32MB |
(1) 2M x 64 |
(1) 2M x 64 |
None |
40MB |
(1) 4M x 64 |
(1) 1M x 64 |
None |
40MB |
(1) 2M x 64 |
(1) 2M x 64 |
(1) 1M x 64 |
DIMM CONFIGURATION (CON’T) | |||
Size |
Bank 0 |
Bank 1 |
Bank 2 |
48MB |
(1) 4M x 64 |
(1) 1M x 64 |
(1) 1M x 64 |
48MB |
(1) 4M x 64 |
(1) 2M x 64 |
None |
48MB |
(1) 2M x 64 |
(1) 2M x 64 |
(1) 2M x 64 |
56MB |
(1) 4M x 64 |
(1) 2M x 64 |
(1) 1M x 64 |
64MB |
(1) 8M x 64 |
None |
None |
64MB |
(1) 4M x 64 |
(1) 2M x 64 |
(1) 2M x 64 |
64MB |
(1) 4M x 64 |
(1) 4M x 64 |
None |
72MB |
(1) 8M x 64 |
(1) 1M x 64 |
None |
72MB |
(1) 4M x 64 |
(1) 4M x 64 |
(1) 1M x 64 |
80MB |
(1) 8M x 64 |
(1) 1M x 64 |
(1) 1M x 64 |
80MB |
(1) 8M x 64 |
(1) 2M x 64 |
None |
80MB |
(1) 4M x 64 |
(1) 4M x 64 |
(1) 2M x 64 |
88MB |
(1) 8M x 64 |
(1) 2M x 64 |
(1) 1M x 64 |
96MB |
(1) 8M x 64 |
(1) 2M x 64 |
(1) 2M x 64 |
96MB |
(1) 8M x 64 |
(1) 4M x 64 |
None |
96MB |
(1) 4M x 64 |
(1) 4M x 64 |
(1) 4M x 64 |
104MB |
(1) 8M x 64 |
(1) 4M x 64 |
(1) 1M x 64 |
112MB |
(1) 8M x 64 |
(1) 4M x 64 |
(1) 2M x 64 |
128MB |
(1) 16M x 64 |
None |
None |
128MB |
(1) 8M x 64 |
(1) 4M x 64 |
(1) 4M x 64 |
128MB |
(1) 8M x 64 |
(1) 8M x 64 |
None |
136MB |
(1) 16M x 64 |
(1) 1M x 64 |
None |
136MB |
(1) 8M x 64 |
(1) 8M x 64 |
(1) 1M x 64 |
144MB |
(1) 16M x 64 |
(1) 1M x 64 |
(1) 1M x 64 |
144MB |
(1) 16M x 64 |
(1) 2M x 64 |
None |
144MB |
(1) 8M x 64 |
(1) 8M x 64 |
(1) 2M x 64 |
152MB |
(1) 16M x 64 |
(1) 2M x 64 |
(1) 1M x 64 |
160MB |
(1) 16M x 64 |
(1) 2M x 64 |
(1) 2M x 64 |
160MB |
(1) 16M x 64 |
(1) 4M x 64 |
None |
160MB |
(1) 8M x 64 |
(1) 8M x 64 |
(1) 4M x 64 |
168MB |
(1) 16M x 64 |
(1) 4M x 64 |
(1) 1M x 64 |
176MB |
(1) 16M x 64 |
(1) 4M x 64 |
(1) 2M x 64 |
192MB |
(1) 16M x 64 |
(1) 4M x 64 |
(1) 4M x 64 |
192MB |
(1) 16M x 64 |
(1) 8M x 64 |
None |
DIMM CONFIGURATION (CON’T) | |||
Size |
Bank 0 |
Bank 1 |
Bank 2 |
192MB |
(1) 8M x 64 |
(1) 8M x 64 |
(1) 8M x 64 |
200MB |
(1) 16M x 64 |
(1) 8M x 64 |
(1) 1M x 64 |
208MB |
(1) 16M x 64 |
(1) 8M x 64 |
(1) 2M x 64 |
224MB |
(1) 16M x 64 |
(1) 8M x 64 |
(1) 4M x 64 |
256MB |
(1) 16M x 64 |
(1) 8M x 64 |
(1) 8M x 64 |
256MB |
(1) 32M x 64 |
None |
None |
384MB |
(1) 16M x 64 |
(1) 16M x 64 |
(1) 16M x 64 |
512MB |
(1) 32M x 64 |
(1) 32M x 64 |
None |
Note: Board accepts SDRAM memory. |
CACHE CONFIGURATION |
Note: 256KB/512KB cache is located on the Pentium II CPU. |
CPU SPEED SELECTION | |||||||
CPU speed |
Clock speed |
Multiplier |
JP3 |
JP7 |
JP8 |
JP9 |
JP10 |
233MHz |
66MHz |
3.5x |
Closed |
Open |
Open |
Closed |
Closed |
266MHz |
66MHz |
4x |
Closed |
Closed |
Closed |
Open |
Closed |
300MHz |
66MHz |
4.5x |
Closed |
Open |
Closed |
Open |
Closed |
333MHz |
66MHz |
5x |
Closed |
Closed |
Open |
Open |
Closed |
350MHz |
100MHz |
3.5x |
Open |
Open |
Open |
Closed |
Closed |
400MHz |
100MHz |
4x |
Open |
Closed |
Closed |
Open |
Closed |
450MHz |
100MHz |
4.5x |
Open |
Open |
Closed |
Open |
Closed |
500MHz |
100MHz |
5x |
Open |
Closed |
Open |
Open |
Closed |
Note: The location of JP3 is unidentified. |