VEXTREC
GMB-P6LIAK (VER. 1.04)
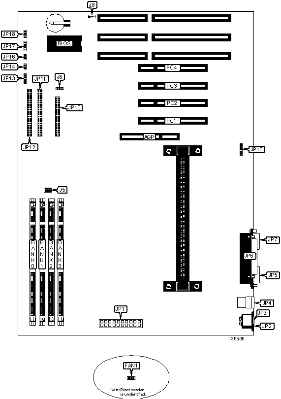
Device Type |
Mainboard |
Processor |
Pentium II |
Processor Speed |
233/266/300/333MHz |
Chip Set |
Intel 440LX |
Maximum Onboard Memory |
512MB (EDO & SDRAM supported) |
BIOS |
Unidentified |
I/O Options |
32-bit PCI slots (4), floppy drive interface, IDE interface, parallel port, PS/2 mouse port, serial ports (2) |
Dimensions |
305mm x 217mm |
CONNECTIONS | |||
Purpose |
Location |
Purpose |
Location |
CPU fan power |
FAN1 |
IDE interface 1 |
JP11 |
ATX power connector |
JP1 |
IDE interface 2 |
JP12 |
AT keyboard port |
JP2 |
IDE interface LED |
JP13 |
PS/2 mouse port |
JP3 |
Power on/off switch connector |
JP14 |
USB connector |
JP4 |
IR connector |
JP15 |
Serial port 1 |
JP5 |
Reset switch |
JP16 |
Parallel port |
JP6 |
Speaker |
JP17 |
Serial port 2 |
JP7 |
Power LED |
JP18 |
Floppy drive interface |
JP10 |
32-bit PCI slots |
PC1 - PC4 |
USER CONFIGURABLE SETTINGS | |||
Function |
Label |
Position | |
» |
CMOS memory normal operation |
J6 |
Pins 1 & 2 closed |
CMOS memory clear |
J6 |
Pins 2 & 3 closed | |
» |
Flash BIOS voltage select 5v |
J8 |
Pins 1 & 2 closed |
Flash BIOS voltage select 12v |
J8 |
Pins 2 & 3 closed |
DRAM CONFIGURATION | ||||
Size |
Bank 0 |
Bank 1 |
Bank 2 |
Bank 3 |
8MB |
(1) 1MB x 64 |
None |
None |
None |
16MB |
(1) 1MB x 64 |
(1) 1MB x 64 |
None |
None |
16MB |
(1) 2MB x 64 |
None |
None |
None |
24MB |
(1) 1MB x 64 |
(1) 1MB x 64 |
(1) 1MB x 64 |
None |
24MB |
(1) 2MB x 64 |
(1) 1MB x 64 |
None |
None |
32MB |
(1) 1MB x 64 |
(1) 1MB x 64 |
(1) 1MB x 64 |
(1) 1MB x 64 |
32MB |
(1) 2MB x 64 |
(1) 2MB x 64 |
None |
None |
32MB |
(1) 4MB x 64 |
None |
None |
None |
32MB |
(1) 2MB x 64 |
(1) 1MB x 64 |
(1) 1MB x 64 |
None |
48MB |
(1) 2MB x 64 |
(1) 2MB x 64 |
(1) 2MB x 64 |
None |
48MB |
(1) 4MB x 64 |
(1) 2MB x 64 |
None |
None |
64MB |
(1) 2MB x 64 |
(1) 2MB x 64 |
(1) 2MB x 64 |
(1) 2MB x 64 |
64MB |
(1) 4MB x 64 |
(1) 4MB x 64 |
None |
None |
64MB |
(1) 8MB x 64 |
None |
None |
None |
64MB |
(1) 4MB x 64 |
(1) 2MB x 64 |
(1) 2MB x 64 |
None |
96MB |
(1) 4MB x 64 |
(1) 4MB x 64 |
(1) 4MB x 64 |
None |
96MB |
(1) 8MB x 64 |
(1) 4MB x 64 |
None |
None |
120MB |
(1) 8MB x 64 |
(1) 4MB x 64 |
(1) 2MB x 64 |
(1) 1MB x 64 |
128MB |
(1) 4MB x 64 |
(1) 4MB x 64 |
(1) 4MB x 64 |
(1) 4MB x 64 |
128MB |
(1) 8MB x 64 |
(1) 8MB x 64 |
None |
None |
128MB |
(1) 16MB x 64 |
None |
None |
None |
128MB |
(1) 8MB x 64 |
(1) 4MB x 64 |
(1) 4MB x 64 |
None |
192MB |
(1) 8MB x 64 |
(1) 8MB x 64 |
(1) 8MB x 64 |
None |
192MB |
(1) 16MB x 64 |
(1) 8MB x 64 |
None |
None |
DRAM CONFIGURATION (CONT.) | ||||
Size |
Bank 0 |
Bank 1 |
Bank 2 |
Bank 3 |
240MB |
(1) 16MB x 64 |
(1) 8MB x 64 |
(1) 4MB x 64 |
(1) 2MB x 64 |
256MB |
(1) 8MB x 64 |
(1) 8MB x 64 |
(1) 8MB x 64 |
(1) 8MB x 64 |
256MB |
(1) 16MB x 64 |
(1) 16MB x 64 |
None |
None |
256MB |
(1) 32MB x 64 |
None |
None |
None |
256MB |
(1) 16MB x 64 |
(1) 8MB x 64 |
(1) 8MB x 64 |
None |
384MB |
(1) 16MB x 64 |
(1) 16MB x 64 |
(1) 16MB x 64 |
None |
384MB |
(1) 32MB x 64 |
(1) 16MB x 64 |
None |
None |
448MB |
(1) 32MB x 64 |
(1) 16MB x 64 |
(1) 8MB x 64 |
(1) 4MB x 64 |
512MB |
(1) 16MB x 64 |
(1) 16MB x 64 |
(1) 16MB x 64 |
(1) 16MB x 64 |
512MB |
(1) 32MB x 64 |
(1) 32MB x 64 |
None |
None |
512MB |
(1) 32MB x 64 |
(1) 16MB x 64 |
(1) 16MB x 64 |
None |
768MB |
(1) 32MB x 64 |
(1) 32MB x 64 |
(1) 32MB x 64 |
None |
1024MB |
(1) 32MB x 64 |
(1) 32MB x 64 |
(1) 32MB x 64 |
(1) 32MB x 64 |
CPU SPEED SELECTION (PENTIUM) | |||||
CPU Speed |
Clock Speed |
Multiplier |
JP5/pins 1 & 2 |
JP5/pins 3 & 4 |
JP5/pins 5 & 6 |
233MHz |
66MHz |
3.5x |
Open |
Open |
Closed |
266MHz |
66MHz |
4.0x |
Closed |
Closed |
Open |
300MHz |
66MHz |
4.5x |
Open |
Closed |
Open |
333MHz |
66MHz |
5.0x |
Closed |
Open |
Open |