ZIDA TECHNOLOGIES, INC.
6MFX (VER. 1.00)
Device Type |
Mainboard |
Processor |
Pentium II |
Processor Speed |
233/266MHz |
Chip Set |
Intel 440FX |
Video Chip Set |
None |
Maximum Onboard Memory |
256MB (EDO supported) |
Maximum Video Memory |
None |
Cache |
256/512KB (located on Pentium II CPU) |
BIOS |
AMI |
Dimensions |
309mm x 235mm |
I/O Options |
32-bit PCI slots (5), floppy drive interface, game/MIDI port, green PC connector, IDE interfaces (2), parallel port, PS/2 mouse port, serial ports (2), IR connector, USB connectors (2), ATX power connector, line in, line out, microphone in, audio in – CD-ROMs (2) |
NPU Options |
None |
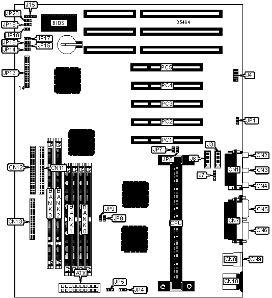
CONNECTIONS | |||
Purpose |
Location |
Purpose |
Location |
ATX power connector |
ATX |
Auxiliary connector |
J4 |
Game/MIDI port |
CN1 |
Auxiliary in connector |
J7 |
Microphone in |
CN2 |
Audio in – CD-ROM |
J8 |
Line out |
CN3 |
IR connector |
J15 |
Line in |
CN4 |
Speaker |
JP1 |
Parallel port |
CN5 |
CPU fan power |
JP4 |
Serial port 1 |
CN6 |
CPU fan power |
JP5 |
Serial port 2 |
CN7 |
Power LED & keylock |
JP13/pins 1 – 5 |
USB connector 1 |
CN8 |
Green PC connector |
JP13/pins 7 & 8 |
USB connector 2 |
CN9 |
Speaker |
JP13/pins 10 – 13 |
PS/2 mouse port |
CN10 |
IDE interface LED |
JP13/pins 14 & 15 |
IDE interface 1 |
CN11 |
Soft off power supply |
JP13/pins 17 & 18 |
IDE interface 2 |
CN12 |
Reset switch |
JP13/pins 22 & 23 |
Floppy drive interface |
CN13 |
Turbo LED |
JP13/pins 25 & 26 |
Audio in – CD-ROM |
J3 |
32-bit PCI slots |
PC1 – PC5 |
USER CONFIGURABLE SETTINGS | |||
Function |
Label |
Position | |
» |
Factory configured - do not alter |
JP18 |
Open |
» |
Factory configured - do not alter |
JP19 |
Pins 1 & 2 closed |
» |
Factory configured - do not alter |
JP20 |
Pins 1 & 2 closed |
SIMM CONFIGURATION | ||
Size |
Bank 0 |
Bank 1 |
8MB |
(2) 1M x 36 |
None |
16MB |
(2) 2M x 36 |
None |
16MB |
(2) 1M x 36 |
(2) 1M x 36 |
24MB |
(2) 2M x 36 |
(2) 1M x 36 |
32MB |
(2) 4M x 36 |
None |
32MB |
(2) 2M x 36 |
(2) 2M x 36 |
40MB |
(2) 4M x 36 |
(2) 1M x 36 |
48MB |
(2) 4M x 36 |
(2) 2M x 36 |
64MB |
(2) 8M x 36 |
None |
64MB |
(2) 4M x 36 |
(2) 4M x 36 |
72MB |
(2) 8M x 36 |
(2) 1M x 36 |
80MB |
(2) 8M x 36 |
(2) 2M x 36 |
SIMM CONFIGURATION (CON’T) | ||
Size |
Bank 0 |
Bank 1 |
96MB |
(2) 8M x 36 |
(2) 4M x 36 |
128MB |
(2) 8M x 36 |
(2) 8M x 36 |
128MB |
(2) 16M x 36 |
None |
136MB |
(2) 16M x 36 |
(2) 1M x 36 |
144MB |
(2) 16M x 36 |
(2) 2M x 36 |
160MB |
(2) 16M x 36 |
(2) 4M x 36 |
192MB |
(2) 16M x 36 |
(2) 8M x 36 |
256MB |
(2) 16M x 36 |
(2) 16M x 36 |
Note: Board accepts EDO memory. |
DIMM CONFIGURATION | ||
Size |
Bank 2 |
Bank 3 |
8MB |
(1) 1M x 64 |
None |
16MB |
(1) 2M x 64 |
None |
16MB |
(1) 1M x 64 |
(1) 1M x 64 |
24MB |
(1) 2M x 64 |
(1) 1M x 64 |
32MB |
(1) 4M x 64 |
None |
32MB |
(1) 2M x 64 |
(1) 2M x 64 |
40MB |
(1) 4M x 64 |
(1) 1M x 64 |
48MB |
(1) 4M x 64 |
(1) 2M x 64 |
64MB |
(1) 8M x 64 |
None |
64MB |
(1) 4M x 64 |
(1) 4M x 64 |
72MB |
(1) 8M x 64 |
(1) 1M x 64 |
80MB |
(1) 8M x 64 |
(1) 2M x 64 |
96MB |
(1) 8M x 64 |
(1) 4M x 64 |
128MB |
(1) 16M x 64 |
None |
128MB |
(1) 8M x 64 |
(1) 8M x 64 |
136MB |
(1) 16M x 64 |
(1) 1M x 64 |
144MB |
(1) 16M x 64 |
(1) 2M x 64 |
160MB |
(1) 16M x 64 |
(1) 4M x 64 |
192MB |
(1) 16M x 64 |
(1) 8M x 64 |
256MB |
(1) 16M x 64 |
(1) 16M x 64 |
Note: Board accepts EDO memory. |
CACHE CONFIGURATION |
Note: 256KB/512KB cache is located on the Pentium II CPU. |
CPU SPEED SELECTION | ||||||
CPU speed |
Clock speed |
Multiplier |
JP6 |
JP7 |
JP8 |
JP9 |
233MHz |
66MHz |
3.5x |
Closed |
Open |
Closed |
Open |
266MHz |
66MHz |
4x |
Closed |
Open |
Closed |
Open |
CPU SPEED SELECTION (CON’T) | ||||||
CPU speed |
Clock speed |
Multiplier |
JP14 |
JP15 |
JP16 |
JP17 |
233MHz |
66MHz |
3.5x |
Open |
Open |
Closed |
Closed |
266MHz |
66MHz |
4x |
Closed |
Closed |
Open |
Closed |