UNIDENTIFIED
80386 SX
Processor |
80386SX |
Processor Speed |
16/20MHz |
Chip Set |
Unidentified |
Video Chip Set |
None |
Maximum Onboard Memory |
4MB |
Maximum Video Memory |
None |
Cache |
None |
BIOS |
AMI |
Dimensions |
330mm x 217mm |
I/O Options |
None |
NPU Options |
80387SX |
CONNECTIONS | |||
Purpose |
Location |
Purpose |
Location |
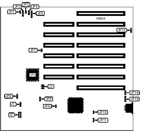
Turbo LED |
JP1 |
Turbo switch |
JP4 |
Speaker |
JP2 |
Power LED & keylock |
JP5 |
Reset switch |
JP3 |
External battery |
JP15 |
Note: JP4 may be a 2-pin jumper. |
USER CONFIGURABLE SETTINGS | |||
Function |
Label |
Position | |
ROM wait state select 2 wait states (16MHz CPU) |
J1 |
Pins 2 & 3 closed | |
ROM wait state select 3 wait states (20MHz CPU) |
J1 |
Pins 1 & 2 closed | |
Turbo enabled |
JP4 |
Pins 2 & 3 closed | |
Turbo disabled |
JP4 |
Pins 1 & 2 closed | |
NPU not installed |
JP6 |
Pins 2 & 3 closed | |
NPU installed |
JP6 |
Pins 1 & 2 closed | |
Parity disabled |
JP7 |
Open | |
Parity enabled |
JP7 |
Closed | |
RAM wait state select 0 wait states (only if JP9 is open) |
JP8 |
Pins 1 & 2 closed | |
RAM wait state select 1 wait state (only if JP9 is open) |
JP8 |
Pins 2 & 3 closed | |
JP8 enabled |
JP9 |
Open | |
8042 keyboard controller pin 29 |
JP9 |
Closed | |
» |
Factory configured - do not alter (for AMI BIOS & 8042) |
JP10 |
Open |
Monitor type select color |
JP11 |
Pins 2 & 3 closed | |
Monitor type select monochrome |
JP11 |
Pins 1 & 2 closed | |
Power good signal detect from power supply |
JP13 |
Pins 2 & 3 closed | |
Power good signal detect from board |
JP13 |
Pins 1 & 2 closed | |
12v battery charge disabled |
JP14 |
Pins 1 & 2 closed | |
12v battery charge enabled |
JP14 |
Pins 2 & 3 closed |
DRAM CONFIGURATION | ||
Size |
Bank 0 |
Bank 1 |
512KB |
(18) 41256 |
None |
640KB |
(18) 41256 |
(18) 4164 |
1MB |
(18) 41256 |
(18) 41256 |
2MB |
(18) 411000 |
None |
4MB |
(18) 411000 |
(18) 411000 |
DRAM JUMPER CONFIGURATION | |
Size |
J3 |
512KB |
Pins 1 & 2, 3 & 4 closed |
640KB |
Pins 2 & 4, 3 & 5 closed |
1MB |
Pins 3 & 5, 4 & 6 closed |
2MB |
Pins 1 & 3, 4 & 6 closed |
4MB |
Pins 1 & 3, 4 & 6 closed |
CPU SPEED SELECTION | |
Speed |
J2 |
16MHz |
Pins 3 & 4, 7 & 8 closed |
20MHz |
Pins 3 & 4, 5 & 6 closed |