UNIDENTIFIED
XT-12
Processor |
8088/V-20 |
Processor Speed |
12MHz |
Chip Set |
None |
Max. Onboard DRAM |
1MB |
Cache |
None |
BIOS |
Unidentified |
Dimensions |
330mm x 218mm |
I/O Options |
Floppy drive interface |
NPU Options |
8087 |
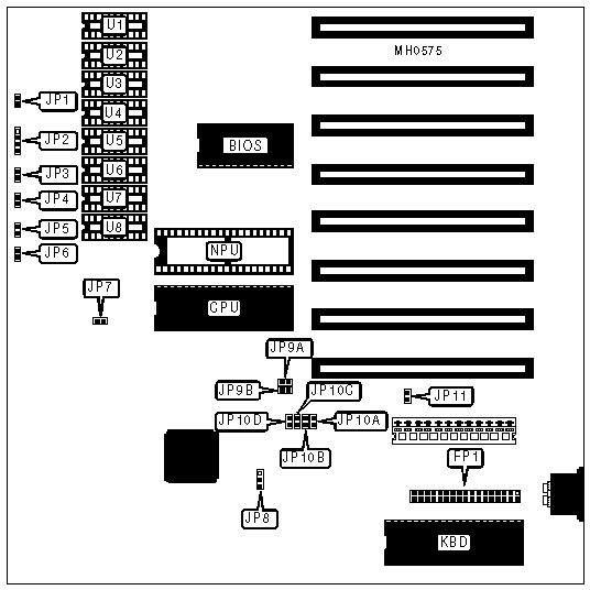
CONNECTIONS | |||
Purpose |
Location |
Purpose |
Location |
Floppy drive interface |
FP1 |
Speaker |
JP4 |
Turbo LED |
JP1 |
Turbo switch |
JP5 |
Keylock |
JP2 |
Power LED |
JP6 |
Reset switch |
JP3 |
USER CONFIGURABLE SETTINGS | |||
Function |
Jumper |
Position | |
» |
Factory configured - do not alter |
JP7 |
N/A |
» |
Factory configured - do not alter |
JP8 |
N/A |
» |
CPU type select Intel 8088 |
JP11 |
Closed |
CPU type select NEC V20 |
JP11 |
Open |
DRAM CONFIGURATION | |
Size |
Location |
256KB |
(2) 44256 chips in U4 and U5 |
512KB |
(4) 44256 chips in U3 through U6 |
768KB |
(6) 44256 chips in U2 through U7 |
1MB |
(8) 44256 chips in U1 through U8 |
BIOS CONFIGURATION | ||
Size |
JP9A |
JP9B |
8/16KB |
Open |
Open |
32KB |
Closed |
Open |
64KB |
Closed |
Closed |
FLOPPY DRIVE 0 CONFIGURATION | ||
Size |
JP10A |
JP10B |
360KB 5.25" |
Closed |
Closed |
720KB 3.5 |
Open |
Closed |
1.2MB 5.25 |
Closed |
Open |
1.44MB 3.5" |
Open |
Open |
FLOPPY DRIVE 1 CONFIGURATION | ||
Size |
JP10C |
JP10D |
360KB 5.25" |
Closed |
Closed |
720KB 3.5 |
Open |
Closed |
1.2MB 5.25 |
Closed |
Open |
1.44MB 3.5" |
Open |
Open |