TOTEM TECHNOLOGY CO., LTD.
TM-P2BXAT
Device Type |
Mainboard |
Processor |
Pentium II |
Processor Speed |
233/266/300/333/350/400/450/500MHz |
Chip Set |
Intel 440BX |
Maximum Onboard Memory |
768MB (EDO & SDRAM supported) |
Cache |
256/512KB (located on Pentium II CPU) |
BIOS |
Award |
Dimensions |
220mm x 200mm |
I/O Options |
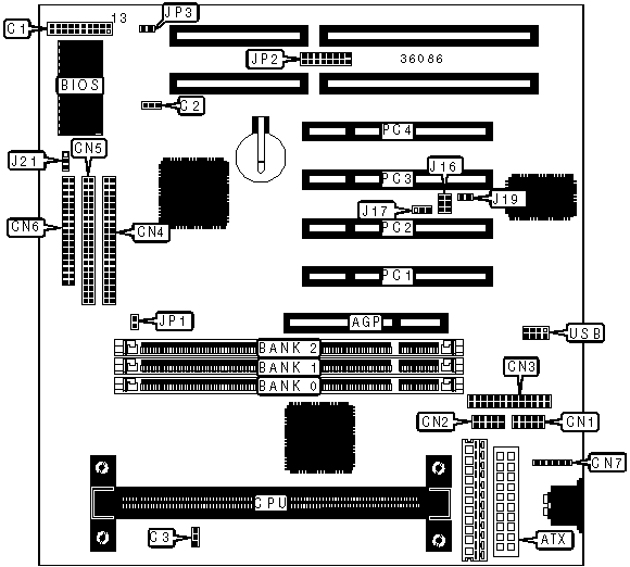
32-bit PCI slots (4), floppy drive interface, IDE interfaces (2), parallel port, PS/2 mouse interface, serial ports (2), IR connector, USB connector, ATX power connector, AGP slot, SB-link connector, wake on LAN connector |
CONNECTIONS | |||
Purpose |
Location |
Purpose |
Location |
AGP slot |
AGP |
IR connector |
C1/pins 13 – 16 |
ATX power connector |
ATX |
Speaker |
C1/pins 17 – 20 |
Serial port 2 |
CN1 |
IDE interface LED |
C1/pins 21 & 22 |
Serial port 1 |
CN2 |
Soft off power supply |
C1/pins 23 & 24 |
Parallel port |
CN3 |
Chassis fan power |
C2 |
IDE interface 1 |
CN4 |
CPU fan power |
C3 |
IDE interface 2 |
CN5 |
SB-link connector |
J16 |
Floppy drive interface |
CN6 |
Wake on LAN connector |
J17 |
PS/2 mouse interface |
CN7 |
Debug connector |
JP2 |
IR connector |
C1/pins 1 – 5 |
32-bit PCI slots |
PC1 – PC4 |
Power LED & keylock |
C1/pins 6 - 10 |
USB connector |
USB |
Reset switch |
C1/pins 11 & 12 |
USER CONFIGURABLE SETTINGS | |||
Function |
Label |
Position | |
» |
Factory configured - do not alter |
J19 |
Unidentified |
» |
CMOS memory normal operation |
J21 |
Pins 1 & 2 closed |
CMOS memory clear |
J21 |
Pins 2 & 3 closed | |
Debug display type select on board |
JP3 |
Closed | |
Debug display type select external |
JP3 |
Open |
DIMM CONFIGURATION | |||
Size |
Bank 0 |
Bank 1 |
Bank 2 |
8MB |
(1) 1M x 64 |
None |
None |
16MB |
(1) 2M x 64 |
None |
None |
16MB |
(1) 1M x 64 |
(1) 1M x 64 |
None |
24MB |
(1) 2M x 64 |
(1) 1M x 64 |
None |
24MB |
(1) 1M x 64 |
(1) 1M x 64 |
(1) 1M x 64 |
32MB |
(1) 4M x 64 |
None |
None |
32MB |
(1) 2M x 64 |
(1) 1M x 64 |
(1) 1M x 64 |
32MB |
(1) 2M x 64 |
(1) 2M x 64 |
None |
40MB |
(1) 4M x 64 |
(1) 1M x 64 |
None |
40MB |
(1) 2M x 64 |
(1) 2M x 64 |
(1) 1M x 64 |
48MB |
(1) 4M x 64 |
(1) 1M x 64 |
(1) 1M x 64 |
48MB |
(1) 4M x 64 |
(1) 2M x 64 |
None |
48MB |
(1) 2M x 64 |
(1) 2M x 64 |
(1) 2M x 64 |
56MB |
(1) 4M x 64 |
(1) 2M x 64 |
(1) 1M x 64 |
64MB |
(1) 8M x 64 |
None |
None |
64MB |
(1) 4M x 64 |
(1) 2M x 64 |
(1) 2M x 64 |
64MB |
(1) 4M x 64 |
(1) 4M x 64 |
None |
72MB |
(1) 8M x 64 |
(1) 1M x 64 |
None |
72MB |
(1) 4M x 64 |
(1) 4M x 64 |
(1) 1M x 64 |
80MB |
(1) 8M x 64 |
(1) 1M x 64 |
(1) 1M x 64 |
80MB |
(1) 8M x 64 |
(1) 2M x 64 |
None |
80MB |
(1) 4M x 64 |
(1) 4M x 64 |
(1) 2M x 64 |
88MB |
(1) 8M x 64 |
(1) 2M x 64 |
(1) 1M x 64 |
96MB |
(1) 8M x 64 |
(1) 2M x 64 |
(1) 2M x 64 |
96MB |
(1) 8M x 64 |
(1) 4M x 64 |
None |
96MB |
(1) 4M x 64 |
(1) 4M x 64 |
(1) 4M x 64 |
104MB |
(1) 8M x 64 |
(1) 4M x 64 |
(1) 1M x 64 |
112MB |
(1) 8M x 64 |
(1) 4M x 64 |
(1) 2M x 64 |
128MB |
(1) 16M x 64 |
None |
None |
128MB |
(1) 8M x 64 |
(1) 4M x 64 |
(1) 4M x 64 |
128MB |
(1) 8M x 64 |
(1) 8M x 64 |
None |
136MB |
(1) 16M x 64 |
(1) 1M x 64 |
None |
136MB |
(1) 8M x 64 |
(1) 8M x 64 |
(1) 1M x 64 |
144MB |
(1) 16M x 64 |
(1) 1M x 64 |
(1) 1M x 64 |
144MB |
(1) 16M x 64 |
(1) 2M x 64 |
None |
144MB |
(1) 8M x 64 |
(1) 8M x 64 |
(1) 2M x 64 |
152MB |
(1) 16M x 64 |
(1) 2M x 64 |
(1) 1M x 64 |
160MB |
(1) 16M x 64 |
(1) 2M x 64 |
(1) 2M x 64 |
160MB |
(1) 16M x 64 |
(1) 4M x 64 |
None |
160MB |
(1) 8M x 64 |
(1) 8M x 64 |
(1) 4M x 64 |
168MB |
(1) 16M x 64 |
(1) 4M x 64 |
(1) 1M x 64 |
176MB |
(1) 16M x 64 |
(1) 4M x 64 |
(1) 2M x 64 |
192MB |
(1) 16M x 64 |
(1) 4M x 64 |
(1) 4M x 64 |
192MB |
(1) 16M x 64 |
(1) 8M x 64 |
None |
192MB |
(1) 8M x 64 |
(1) 8M x 64 |
(1) 8M x 64 |
200MB |
(1) 16M x 64 |
(1) 8M x 64 |
(1) 1M x 64 |
208MB |
(1) 16M x 64 |
(1) 8M x 64 |
(1) 2M x 64 |
224MB |
(1) 16M x 64 |
(1) 8M x 64 |
(1) 4M x 64 |
256MB |
(1) 32M x 64 |
None |
None |
272MB |
(1) 32M x 64 |
(1) 1M x 64 |
(1) 1M x 64 |
272MB |
(1) 32M x 64 |
(1) 2M x 64 |
None |
288MB |
(1) 32M x 64 |
(1) 2M x 64 |
(1) 2M x 64 |
288MB |
(1) 32M x 64 |
(1) 4M x 64 |
None |
320MB |
(1) 32M x 64 |
(1) 4M x 64 |
(1) 4M x 64 |
320MB |
(1) 32M x 64 |
(1) 8M x 64 |
None |
384MB |
(1) 32M x 64 |
(1) 8M x 64 |
(1) 8M x 64 |
384MB |
(1) 32M x 64 |
(1) 16M x 64 |
None |
384MB |
(1) 16M x 64 |
(1) 16M x 64 |
(1) 16M x 64 |
512MB |
(1) 32M x 64 |
(1) 16M x 64 |
(1) 16M x 64 |
512MB |
(1) 32M x 64 |
(1) 32M x 64 |
None |
768MB |
(1) 32M x 64 |
(1) 32M x 64 |
(1) 32M x 64 |
Note: Board accepts EDO & SDRAM memory. |
CACHE CONFIGURATION |
Note: 256KB/512KB cache is located on the Pentium II CPU. |
CPU SPEED SELECTION | |||
CPU speed |
Clock speed |
Multiplier |
JP1 |
233MHz |
66MHz |
3.5x |
Closed |
266MHz |
66MHz |
4x |
Closed |
300MHz |
66MHz |
4.5x |
Closed |
333MHz |
66MHz |
5x |
Closed |
350MHz |
100MHz |
3.5x |
Open |
400MHz |
100MHz |
4x |
Open |
450MHz |
100MHz |
4.5x |
Open |
500MHz |
100MHz |
5x |
Open |