TEKRAM TECHNOLOGY CO., LTD.
P6B40-A4X
Device Type |
Mainboard |
Processor |
Pentium II/Celeron |
Processor Speed |
233/266/300/333/350/366/400/450/500/550MHz |
Chip Set |
Intel 440BX |
Maximum Onboard Memory |
1GB (EDO & SDRAM supported) |
Cache |
0/128/256/512KB (located on the CPU) |
BIOS |
Award |
Dimensions |
305mm x 170mm |
I/O Options |
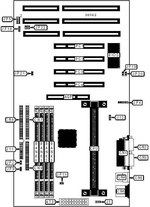
32-bit PCI slots (4), floppy drive interface, green PC connector, IDE interfaces (2), parallel port, PS/2 mouse port, serial ports (2), IR connector, USB connectors (2), ATX power connector, AGP slot, wake on LAN connector, SB-link connector |
CONNECTIONS | |||
Purpose |
Location |
Purpose |
Location |
AGP slot |
AGP |
Turbo LED |
J11/pins 3 & 5 |
ATX power connector |
ATX |
Green PC connector |
J11/pins 7 & 9 |
Parallel port |
CN1 |
Speaker |
J11/pins 14/16/18/20 |
Serial port 2 |
CN2 |
Reset switch |
J11/pins 17 & 19 |
Serial port 1 |
CN3 |
Wake on LAN connector |
J12 |
USB connector 1 |
CN4 |
IDE interface LED |
JP2 |
USB connector 2 |
CN5 |
IR connector |
JP4 |
PS/2 mouse port |
CN6 |
Soft off power supply |
JP9 |
Floppy drive interface |
CN7 |
Temperature sensor |
JP10 |
IDE interface 2 |
CN8 |
Chassis fan power |
JP18 |
IDE interface 1 |
CN9 |
Chassis intrusion |
JP20 |
Chassis fan power |
J7 |
SB-link connector |
JP22 |
Power LED & keylock |
J11/pins 2/4/6/8/10 |
32-bit PCI slots |
PC1 - PC4 |
USER CONFIGURABLE SETTINGS | |||
Function |
Label |
Position | |
Power state function enabled |
JP19 |
Closed | |
Power state function disabled |
JP19 |
Open |
DIMM CONFIGURATION | ||||
Size |
Bank 0 |
Bank 1 |
Bank 2 |
Bank 3 |
8MB |
(1) 1M x 64 |
None |
None |
None |
16MB |
(1) 2M x 64 |
None |
None |
None |
16MB |
(1) 1M x 64 |
(1) 1M x 64 |
None |
None |
24MB |
(1) 2M x 64 |
(1) 1M x 64 |
None |
None |
24MB |
(1) 1M x 64 |
(1) 1M x 64 |
(1) 1M x 64 |
None |
32MB |
(1) 4M x 64 |
None |
None |
None |
32MB |
(1) 2M x 64 |
(1) 2M x 64 |
None |
None |
32MB |
(1) 1M x 64 |
(1) 1M x 64 |
(1) 1M x 64 |
(1) 1M x 64 |
40MB |
(1) 4M x 64 |
(1) 1M x 64 |
None |
None |
48MB |
(1) 4M x 64 |
(1) 2M x 64 |
None |
None |
48MB |
(1) 2M x 64 |
(1) 2M x 64 |
(1) 2M x 64 |
None |
64MB |
(1) 2M x 64 |
(1) 2M x 64 |
(1) 2M x 64 |
(1) 2M x 64 |
64MB |
(1) 8M x 64 |
None |
None |
None |
64MB |
(1) 4M x 64 |
(1) 4M x 64 |
None |
None |
72MB |
(1) 8M x 64 |
(1) 1M x 64 |
None |
None |
80MB |
(1) 8M x 64 |
(1) 2M x 64 |
None |
None |
96MB |
(1) 8M x 64 |
(1) 4M x 64 |
None |
None |
96MB |
(1) 4M x 64 |
(1) 4M x 64 |
(1) 4M x 64 |
None |
128MB |
(1) 16M x 64 |
None |
None |
None |
128MB |
(1) 8M x 64 |
(1) 8M x 64 |
None |
None |
128MB |
(1) 4M x 64 |
(1) 4M x 64 |
(1) 4M x 64 |
(1) 4M x 64 |
136MB |
(1) 16M x 64 |
(1) 1M x 64 |
None |
None |
144MB |
(1) 16M x 64 |
(1) 2M x 64 |
None |
None |
176MB |
(1) 16M x 64 |
(1) 2M x 64 |
(1) 2M x 64 |
(1) 2M x 64 |
DIMM CONFIGURATION (CON'T) | ||||
Size |
Bank 0 |
Bank 1 |
Bank 2 |
Bank 3 |
192MB |
(1) 16M x 64 |
(1) 8M x 64 |
None |
None |
192MB |
(1) 8M x 64 |
(1) 8M x 64 |
(1) 8M x 64 |
None |
256MB |
(1) 32M x 64 |
None |
None |
None |
256MB |
(1) 16M x 64 |
(1) 16M x 64 |
None |
None |
256MB |
(1) 8M x 64 |
(1) 8M x 64 |
(1) 8M x 64 |
(1) 8M x 64 |
272MB |
(1) 16M x 64 |
(1) 16M x 64 |
(1) 1M x 64 |
(1) 1M x 64 |
280MB |
(1) 32M x 64 |
(1) 1M x 64 |
(1) 1M x 64 |
(1) 1M x 64 |
288MB |
(1) 16M x 64 |
(1) 16M x 64 |
(1) 2M x 64 |
(1) 2M x 64 |
320MB |
(1) 16M x 64 |
(1) 16M x 64 |
(1) 4M x 64 |
(1) 4M x 64 |
384MB |
(1) 16M x 64 |
(1) 16M x 64 |
(1) 16M x 64 |
None |
448MB |
(1) 32M x 64 |
(1) 8M x 64 |
(1) 8M x 64 |
(1) 8M x 64 |
512MB |
(1) 32M x 64 |
(1) 32M x 64 |
None |
None |
512MB |
(1) 16M x 64 |
(1) 16M x 64 |
(1) 16M x 64 |
(1) 16M x 64 |
640MB |
(1) 32M x 64 |
(1) 16M x 64 |
(1) 16M x 64 |
(1) 16M x 64 |
768MB |
(1) 32M x 64 |
(1) 32M x 64 |
(1) 32M x 64 |
None |
1024MB |
(1) 32M x 64 |
(1) 32M x 64 |
(1) 32M x 64 |
(1) 32M x 64 |
Note: Board accepts EDO & SDRAM memory. |
CACHE CONFIGURATION |
Note: 256KB/512KB cache is located on the Pentium II CPU. 128KB cache is located on the Celeron 300A & 333 CPU. |
CPU SPEED SELECTION | ||||
CPU speed |
Clock speed |
Multiplier |
JP5 |
JP21 |
233MHz |
66MHz |
3.5x |
1 & 2, 7 & 8 |
Closed |
266MHz |
66MHz |
4x |
1 & 2, 3 & 4, 5 & 6 |
Closed |
300MHz |
66MHz |
4.5x |
1 & 2, 5 & 6 |
Closed |
333MHz |
66MHz |
5x |
1 & 2, 3 & 4 |
Closed |
366MHz |
66MHz |
5.5x |
1 & 2 |
Closed |
350MHz |
100MHz |
3.5x |
1 & 2, 7 & 8 |
Open |
400MHz |
100MHz |
4x |
1 & 2, 3 & 4, 5 & 6 |
Open |
450MHz |
100MHz |
4.5x |
1 & 2, 5 & 6 |
Open |
500MHz |
100MHz |
5x |
1 & 2, 3 & 4 |
Open |
550MHz |
100MHz |
5.5x |
1 & 2 |
Open |
Note: Pins designated should be in the closed position. |