TEKRAM TECHNOLOGY CO., LTD.

P6E40-MS3 (SOUND)

Device Type

Mainboard

Processor

Pentium II/Celeron

Processor Speed

233/266/300/333/366/400MHz

Chip Set

Intel 440EX

Maximum Onboard Memory

512MB (EDO & SDRAM supported)

Cache

0/128/256/512KB (located on the CPU)

BIOS

Award

Dimensions

245mm x 180mm

I/O Options

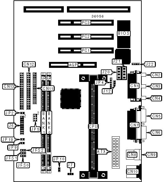
32-bit PCI slots (3), floppy drive interface, green PC connector, IDE interfaces (2), parallel port, PS/2 mouse port, serial ports (2), IR connector, USB connectors (2), ATX power connector, AGP slot, line in, line out, microphone in, audio in – CD-ROMs (2)

CONNECTIONS

Purpose

Location

Purpose

Location

AGP slot

AGP

Power LED & keylock

J6/pins 2/4/6/8/10

ATX power connector

ATX

Turbo LED

J6/pins 3 & 5

Game/MIDI port

CN1

Green PC connector

J6/pins 7 & 9

Microphone in

CN2

Speaker

J6/pins 14/16/18/20

Line in

CN3

Reset switch

J6/pins 17 & 19

Line out

CN4

Chassis fan power

J7

Serial port 2

CN5

Wake on LAN connector

J12

Serial port 1

CN6

Audio in – CD-ROM

J20

Parallel port

CN7

Audio in – CD-ROM

J21

USB connector 1

CN8

Auxiliary connector

J22

USB connector 2

CN9

IDE interface LED

JP2

PS/2 mouse port

CN10

IR connector

JP4

Floppy drive interface

CN11

Soft off power supply

JP9

IDE interface 2

CN12

Temperature sensor connector

JP10

IDE interface 1

CN13

32-bit PCI slots

PC1 – PC3

USER CONFIGURABLE SETTINGS

Function

Label

Position

 

Power state function enabled

JP19

Closed

 

Power state function disabled

JP19

Open

DIMM CONFIGURATION

Size

Bank 0

Bank 1

8MB

(1) 1M x 64

None

16MB

(1) 2M x 64

None

16MB

(1) 1M x 64

(2) 1M x 64

24MB

(1) 2M x 64

(2) 1M x 64

32MB

(1) 4M x 64

None

32MB

(1) 2M x 64

(2) 2M x 64

40MB

(1) 4M x 64

(2) 1M x 64

48MB

(1) 4M x 64

(2) 2M x 64

64MB

(1) 8M x 64

None

64MB

(1) 4M x 64

(2) 4M x 64

72MB

(1) 8M x 64

(2) 1M x 64

80MB

(1) 8M x 64

(2) 2M x 64

96MB

(1) 8M x 64

(2) 4M x 64

128MB

(1) 8M x 64

(2) 8M x 64

128MB

(1) 16M x 64

None

164MB

(1) 16M x 64

(2) 1M x 64

144MB

(1) 16M x 64

(2) 2M x 64

160MB

(1) 16M x 64

(2) 4M x 64

192MB

(1) 16M x 64

(2) 8M x 64

DIMM CONFIGURATION (CON’T)

Size

Bank 0

Bank 1

256MB

(1) 16M x 64

(2) 16M x 64

256MB

(1) 32M x 64

None

264MB

(1) 32M x 64

(2) 1M x 64

272MB

(1) 32M x 64

(2) 2M x 64

288MB

(1) 32M x 64

(2) 4M x 64

320MB

(1) 32M x 64

(2) 8M x 64

384MB

(1) 32M x 64

(2) 16M x 64

512MB

(1) 32M x 64

(2) 32M x 64

Note: Board accepts EDO & SDRAM memory. Maximum SDRAM is 256MB. Maximum EDO is 512MB.

CACHE CONFIGURATION

Note: 256KB/512KB cache is located on the Pentium II CPU. 128KB cache is located on the Celeron 300A & 333 CPU.

CPU SPEED SELECTION

CPU speed

Clock speed

Multiplier

JFS0

JFS1

JFS2

JP5

233MHz

66MHz

3.5x

1 & 2

1 & 2

1 & 2

1 & 2, 7 & 8

266MHz

66MHz

4x

1 & 2

1 & 2

1 & 2

1 & 2, 3 & 4, 5 & 6

300MHz

66MHz

4.5x

1 & 2

1 & 2

1 & 2

1 & 2, 5 & 6

333MHz

66MHz

5x

1 & 2

1 & 2

1 & 2

1 & 2, 3 & 4

366MHz

66MHz

5.5x

1 & 2

1 & 2

1 & 2

1 & 2

400MHz

66MHz

6x

1 & 2

1 & 2

1 & 2

3 & 4, 5 & 6, 7 & 8

Note: Pins designated should be in the closed position.