SUPERPOWER COMPUTER CO., LTD.
SP-V586A
Device Type |
Mainboard |
Processor |
CX 6X86/CX 6X86L/CX 686MX/AM K5/AM K6/Pentium/Pentium MMX |
Processor Speed |
75/90/100/120/133/150/166/200/233/266/300MHz |
Chip Set |
VIA |
Maximum Onboard Memory |
256MB (EDO & SDRAM supported) |
Cache |
512KB |
BIOS |
Award |
Dimensions |
304mm x 200mm |
I/O Options |
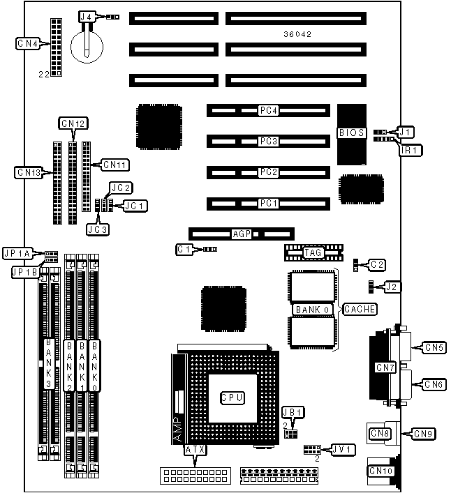
32-bit PCI slots (4), floppy drive interface, green PC connector, IDE interfaces (2), parallel port, PS/2 mouse port, serial ports (2), IR connector, USB connectors (2), ATX power connector, AGP slot, wake on modem connector |
CONNECTIONS | |||
Purpose |
Location |
Purpose |
Location |
AGP slot |
AGP |
Serial port 2 |
CN5 |
ATX power connector |
ATX |
Serial port 1 |
CN6 |
Chassis fan power |
C1 |
Parallel port |
CN7 |
Chassis fan power |
C2 |
USB connector 1 |
CN8 |
Power LED & keylock |
CN4/pins 1 - 5 |
USB connector 2 |
CN9 |
IDE interface LED |
CN4/pins 6 & 17 |
PS/2 mouse port |
CN10 |
Green PC connector |
CN4/pins 7 & 16 |
Floppy drive interface |
CN11 |
Reset switch |
CN4/pins 8 & 15 |
IDE interface 2 |
CN12 |
Turbo LED |
CN4/pins 9 & 14 |
IDE interface 1 |
CN13 |
Green PC LED |
CN4/pins 10 & 13 |
IR connector |
IR1 |
Soft off power supply |
CN4/pins 11 & 12 |
Wake on LAN connector |
J2 |
Speaker |
CN4/pins 19 - 22 |
32-bit PCI slots |
PC1 - PC4 |
USER CONFIGURABLE SETTINGS | |||
Function |
Label |
Position | |
Flash BIOS voltage select 12v |
J1 |
Pins 2 & 3 closed | |
Flash BIOS voltage select 5v |
J1 |
Pins 1 & 2 closed | |
» |
CMOS memory normal operation |
J4 |
Pins 1 & 2 closed |
CMOS memory clear |
J4 |
Pins 2 & 3 closed |
SIMM CONFIGURATION | |
Size |
Bank 3 |
8MB |
(2) 1M x 36 |
16MB |
(2) 2M x 36 |
32MB |
(2) 4M x 36 |
64MB |
(2) 8M x 36 |
128MB |
(2) 16M x 36 |
256MB |
(2) 32M x 36 |
Note: Board accepts EDO memory. |
DIMM CONFIGURATION | |||
Size |
Bank 0 |
Bank 1 |
Bank 2 |
8MB |
(1) 1M x 64 |
None |
None |
16MB |
(1) 2M x 64 |
None |
None |
16MB |
(1) 1M x 64 |
(1) 1M x 64 |
None |
24MB |
(1) 2M x 64 |
(1) 1M x 64 |
None |
24MB |
(1) 1M x 64 |
(1) 1M x 64 |
(1) 1M x 64 |
32MB |
(1) 4M x 64 |
None |
None |
32MB |
(1) 2M x 64 |
(1) 1M x 64 |
(1) 1M x 64 |
32MB |
(1) 2M x 64 |
(1) 2M x 64 |
None |
40MB |
(1) 4M x 64 |
(1) 1M x 64 |
None |
40MB |
(1) 2M x 64 |
(1) 2M x 64 |
(1) 1M x 64 |
DIMM CONFIGURATION (CON'T) | |||
Size |
Bank 0 |
Bank 1 |
Bank 2 |
48MB |
(1) 4M x 64 |
(1) 1M x 64 |
(1) 1M x 64 |
48MB |
(1) 4M x 64 |
(1) 2M x 64 |
None |
48MB |
(1) 2M x 64 |
(1) 2M x 64 |
(1) 2M x 64 |
56MB |
(1) 4M x 64 |
(1) 2M x 64 |
(1) 1M x 64 |
64MB |
(1) 8M x 64 |
None |
None |
64MB |
(1) 4M x 64 |
(1) 2M x 64 |
(1) 2M x 64 |
64MB |
(1) 4M x 64 |
(1) 4M x 64 |
None |
72MB |
(1) 8M x 64 |
(1) 1M x 64 |
None |
72MB |
(1) 4M x 64 |
(1) 4M x 64 |
(1) 1M x 64 |
80MB |
(1) 8M x 64 |
(1) 1M x 64 |
(1) 1M x 64 |
80MB |
(1) 8M x 64 |
(1) 2M x 64 |
None |
80MB |
(1) 4M x 64 |
(1) 4M x 64 |
(1) 2M x 64 |
88MB |
(1) 8M x 64 |
(1) 2M x 64 |
(1) 1M x 64 |
96MB |
(1) 8M x 64 |
(1) 2M x 64 |
(1) 2M x 64 |
96MB |
(1) 8M x 64 |
(1) 4M x 64 |
None |
128MB |
(1) 16M x 64 |
None |
None |
128MB |
(1) 8M x 64 |
(1) 4M x 64 |
(1) 4M x 64 |
128MB |
(1) 8M x 64 |
(1) 8M x 64 |
None |
136MB |
(1) 16M x 64 |
(1) 1M x 64 |
None |
136MB |
(1) 8M x 64 |
(1) 8M x 64 |
(1) 1M x 64 |
144MB |
(1) 16M x 64 |
(1) 1M x 64 |
(1) 1M x 64 |
144MB |
(1) 16M x 64 |
(1) 2M x 64 |
None |
144MB |
(1) 8M x 64 |
(1) 8M x 64 |
(1) 2M x 64 |
152MB |
(1) 16M x 64 |
(1) 2M x 64 |
(1) 1M x 64 |
160MB |
(1) 16M x 64 |
(1) 2M x 64 |
(1) 2M x 64 |
160MB |
(1) 16M x 64 |
(1) 4M x 64 |
None |
160MB |
(1) 8M x 64 |
(1) 8M x 64 |
(1) 4M x 64 |
168MB |
(1) 16M x 64 |
(1) 4M x 64 |
(1) 1M x 64 |
176MB |
(1) 16M x 64 |
(1) 4M x 64 |
(1) 2M x 64 |
192MB |
(1) 16M x 64 |
(1) 4M x 64 |
(1) 4M x 64 |
192MB |
(1) 16M x 64 |
(1) 8M x 64 |
None |
192MB |
(1) 8M x 64 |
(1) 8M x 64 |
(1) 8M x 64 |
200MB |
(1) 16M x 64 |
(1) 8M x 64 |
(1) 1M x 64 |
208MB |
(1) 16M x 64 |
(1) 8M x 64 |
(1) 2M x 64 |
224MB |
(1) 16M x 64 |
(1) 8M x 64 |
(1) 4M x 64 |
256MB |
(1) 16M x 64 |
(1) 8M x 64 |
(1) 8M x 64 |
Note: Board accepts SDRAM memory. |
DIMM VOLTAGE CONFIGURATION | ||
Voltage |
JP1A |
JP1B |
3.3v |
Pins 1 & 2 closed |
Pins 1 & 2 closed |
5v |
Pins 2 & 3 closed |
Pins 2 & 3 closed |
CACHE CONFIGURATION | ||
Size |
Bank 0 |
TAG |
256KB |
(2) 32K x 32 |
Unidentified |
512KB |
(2) 64K x 32 |
Unidentified |
CPU SPEED SELECTION (CX 6X86) | ||||||||
CPU speed |
Clock speed |
Multiplier |
JB1/ pins 1 & 2 |
JB1/ pins 3 & 4 |
JB1/ pins 5 & 6 |
JC1 |
JC2 |
JC3 |
150MHz |
60MHz |
2x |
Closed |
Open |
Open |
2 & 3 |
1 & 2 |
1 & 2 |
166MHz |
66MHz |
2x |
Closed |
Open |
Open |
1 & 2 |
1 & 2 |
1 & 2 |
Note: Pins designated should be in the closed position. |
CPU SPEED SELECTION (CX 6X86L) | ||||||||
CPU speed |
Clock speed |
Multiplier |
JB1/ pins 1 & 2 |
JB1/ pins 3 & 4 |
JB1/ pins 5 & 6 |
JC1 |
JC2 |
JC3 |
150MHz |
60MHz |
2x |
Closed |
Open |
Open |
2 & 3 |
1 & 2 |
1 & 2 |
166MHz |
66MHz |
2x |
Closed |
Open |
Open |
1 & 2 |
1 & 2 |
1 & 2 |
200MHz |
75MHz |
2x |
Closed |
Open |
Open |
1 & 2 |
2 & 3 |
1 & 2 |
Note: Pins designated should be in the closed position. |
CPU SPEED SELECTION (CX 6X86MX) | ||||||||
CPU speed |
Clock speed |
Multiplier |
JB1/ pins 1 & 2 |
JB1/ pins 3 & 4 |
JB1/ pins 5 & 6 |
JC1 |
JC2 |
JC3 |
166MHz |
66MHz |
2x |
Closed |
Open |
Open |
1 & 2 |
1 & 2 |
1 & 2 |
200MHz |
66MHz |
2.5x |
Closed |
Closed |
Open |
1 & 2 |
1 & 2 |
1 & 2 |
200MHz |
75MHz |
2x |
Closed |
Open |
Open |
1 & 2 |
2 & 3 |
1 & 2 |
233MHz |
75MHz |
2.5x |
Closed |
Closed |
Open |
1 & 2 |
2 & 3 |
1 & 2 |
300MHz |
75MHz |
3x |
Open |
Closed |
Open |
1 & 2 |
2 & 3 |
1 & 2 |
Note: Pins designated should be in the closed position. |
CPU SPEED SELECTION (AM K5) | ||||||||
CPU speed |
Clock speed |
Multiplier |
JB1/ pins 1 & 2 |
JB1/ pins 3 & 4 |
JB1/ pins 5 & 6 |
JC1 |
JC2 |
JC3 |
133MHz |
66MHz |
2x |
Closed |
Open |
Open |
1 & 2 |
1 & 2 |
1 & 2 |
150MHz |
60MHz |
2.5x |
Closed |
Closed |
Open |
2 & 3 |
1 & 2 |
1 & 2 |
166MHz |
66MHz |
2.5x |
Closed |
Closed |
Open |
1 & 2 |
1 & 2 |
1 & 2 |
Note: Pins designated should be in the closed position. |
CPU SPEED SELECTION (AM K6) | ||||||||
CPU speed |
Clock speed |
Multiplier |
JB1/ pins 1 & 2 |
JB1/ pins 3 & 4 |
JB1/ pins 5 & 6 |
JC1 |
JC2 |
JC3 |
166MHz |
66MHz |
2.5x |
Closed |
Closed |
Open |
1 & 2 |
1 & 2 |
1 & 2 |
200MHz |
66MHz |
3x |
Open |
Closed |
Open |
1 & 2 |
1 & 2 |
1 & 2 |
233MHz |
66MHz |
3.5x |
Open |
Open |
Open |
1 & 2 |
1 & 2 |
1 & 2 |
266MHz |
66MHz |
4x |
Closed |
Open |
Closed |
1 & 2 |
1 & 2 |
1 & 2 |
300MHz |
66MHz |
4.5x |
Closed |
Closed |
Closed |
1 & 2 |
1 & 2 |
1 & 2 |
Note: Pins designated should be in the closed position. |
CPU SPEED SELECTION (INTEL) | ||||||||
CPU speed |
Clock speed |
Multiplier |
JB1/ pins 1 & 2 |
JB1/ pins 3 & 4 |
JB1/ pins 5 & 6 |
JC1 |
JC2 |
JC3 |
75MHz |
50MHz |
1.5x |
Open |
Open |
Open |
2 & 3 |
2 & 3 |
2 & 3 |
90MHz |
60MHz |
1.5x |
Open |
Open |
Open |
2 & 3 |
1 & 2 |
1 & 2 |
100MHz |
66MHz |
1.5x |
Open |
Open |
Open |
1 & 2 |
1 & 2 |
1 & 2 |
120MHz |
60MHz |
2x |
Closed |
Open |
Open |
2 & 3 |
1 & 2 |
1 & 2 |
133MHz |
66MHz |
2x |
Closed |
Open |
Open |
1 & 2 |
1 & 2 |
1 & 2 |
150MHz |
60MHz |
2.5x |
Closed |
Closed |
Open |
2 & 3 |
1 & 2 |
1 & 2 |
166MHz |
66MHz |
2.5x |
Closed |
Closed |
Open |
1 & 2 |
1 & 2 |
1 & 2 |
200MHz |
66MHz |
3x |
Open |
Closed |
Open |
1 & 2 |
1 & 2 |
1 & 2 |
Note: Pins designated should be in the closed position. |
CPU SPEED SELECTION (INTEL MMX) | ||||||||
CPU speed |
Clock speed |
Multiplier |
JB1/ pins 1 & 2 |
JB1/ pins 3 & 4 |
JB1/ pins 5 & 6 |
JC1 |
JC2 |
JC3 |
166MHz |
66MHz |
2.5x |
Closed |
Closed |
Open |
1 & 2 |
1 & 2 |
1 & 2 |
200MHz |
66MHz |
3x |
Open |
Closed |
Open |
1 & 2 |
1 & 2 |
1 & 2 |
233MHz |
66MHz |
3.5x |
Open |
Open |
Open |
1 & 2 |
1 & 2 |
1 & 2 |
Note: Pins designated should be in the closed position. |
CPU VOLTAGE SELECTION | ||||
Voltage |
JV1/pins 1 & 2 |
JV1/pins 3 & 4 |
JV1/pins 5 & 6 |
JV1/pins 7 & 8 |
2.0v |
Open |
Open |
Open |
Open |
2.1v |
Closed |
Open |
Open |
Open |
2.2v |
Open |
Open |
Closed |
Open |
2.3v |
Closed |
Closed |
Open |
Open |
2.4v |
Open |
Open |
Closed |
Open |
2.5v |
Closed |
Open |
Closed |
Open |
2.6v |
Open |
Closed |
Closed |
Open |
2.7v |
Closed |
Closed |
Closed |
Open |
2.8v |
Open |
Open |
Open |
Closed |
2.9v |
Closed |
Open |
Open |
Closed |
3.0v |
Open |
Closed |
Closed |
Open |
3.1v |
Closed |
Closed |
Open |
Closed |
3.2v |
Open |
Open |
Closed |
Closed |
3.3v |
Open |
Closed |
Closed |
Closed |
3.5v |
Closed |
Closed |
Closed |
Closed |