TYAN COMPUTER CORPORATION
S1694SA
Device Type |
Mainboard |
Processor |
Pentium II/Celeron |
Processor Speed |
133/166/233/266/300/333MHz |
Chip Set |
Intel 440EX |
Maximum Onboard Memory |
512MB (EDO & SDRAM supported) |
Audio Chip Set |
OPTI |
Cache |
0/128/256/512KB (located on the CPU) |
BIOS |
Award |
Dimensions |
305mm x 244mm |
I/O Options |
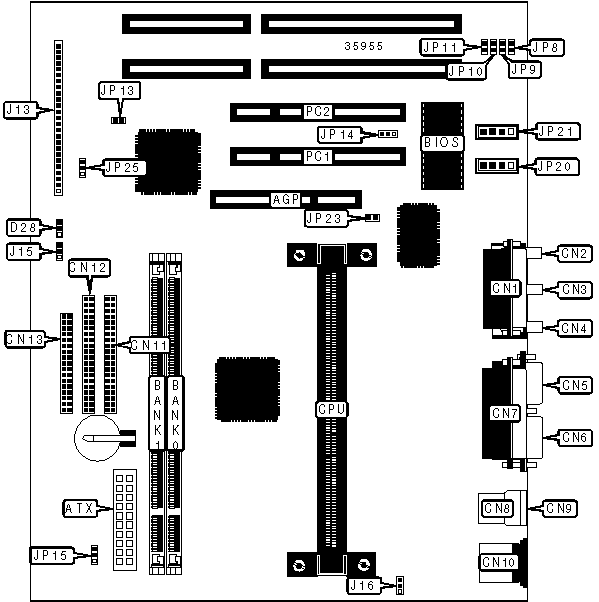
32-bit PCI slots (2), floppy drive interface, game/MIDI port, green PC connector, IDE interfaces (2), parallel port, PS/2 mouse port, serial ports (2), IR connector, USB connectors (2), ATX power connector, AGP slot, line in, line out, microphone in, audio in CD-ROMs (2), wake on LAN connector |
CONNECTIONS | |||
Purpose |
Location |
Purpose |
Location |
AGP slot |
AGP |
Soft off power supply |
J13/pins 1 & 2 |
ATX power connector |
ATX |
Green PC connector |
J13/pins 3 & 4 |
Game/MIDI port |
CN1 |
IR connector |
J13/pins 6 10 |
Microphone in |
CN2 |
IDE interface LED |
J13/pins 13 16 |
Line in |
CN3 |
Power LED |
J13/pins 18 & 20 |
Line out |
CN4 |
Reset switch |
J13/pins 22 & 23 |
Serial port 2 |
CN5 |
Speaker |
J13/pins 24 - 27 |
Serial port 1 |
CN6 |
Chassis fan power |
J15 |
Parallel port |
CN7 |
CPU fan power |
J16 |
USB connector 1 |
CN8 |
Green PC connector |
JP13 |
USB connector 2 |
CN9 |
Wake on LAN connector |
JP14 |
PS/2 mouse port |
CN10 |
Audio in CD-ROM (Mitsumi) |
JP20 |
IDE interface 2 |
CN11 |
Audio in CD-ROM (Panasonic) |
JP21 |
IDE interface 1 |
CN12 |
Chassis intrusion connector |
JP25 |
Floppy drive interface |
CN13 |
32-bit PCI slots |
PC1 PC2 |
Two color LED |
D28 |
USER CONFIGURABLE SETTINGS | |||
Function |
Label |
Position | |
» |
CMOS memory normal operation |
JP15 |
Pins 1 & 2 closed |
CMOS memory clear |
JP15 |
Pins 2 & 3 closed | |
On board sound disabled |
JP23 |
Closed | |
On board sound enabled |
JP23 |
Open |
DIMM CONFIGURATION | ||
Size |
Bank 0 |
Bank 1 |
8MB |
(1) 1M x 64 |
None |
16MB |
(1) 2M x 64 |
None |
16MB |
(1) 1M x 64 |
(1) 1M x 64 |
24MB |
(1) 2M x 64 |
(1) 1M x 64 |
32MB |
(1) 4M x 64 |
None |
32MB |
(1) 2M x 64 |
(1) 2M x 64 |
40MB |
(1) 4M x 64 |
(1) 1M x 64 |
48MB |
(1) 4M x 64 |
(1) 2M x 64 |
64MB |
(1) 8M x 64 |
None |
64MB |
(1) 4M x 64 |
(1) 4M x 64 |
72MB |
(1) 8M x 64 |
(1) 1M x 64 |
80MB |
(1) 8M x 64 |
(1) 2M x 64 |
96MB |
(1) 8M x 64 |
(1) 4M x 64 |
128MB |
(1) 16M x 64 |
None |
DIMM CONFIGURATION (CONT) | ||
Size |
Bank 0 |
Bank 1 |
128MB |
(1) 8M x 64 |
(1) 8M x 64 |
136MB |
(1) 16M x 64 |
(1) 1M x 64 |
144MB |
(1) 16M x 64 |
(1) 2M x 64 |
160MB |
(1) 16M x 64 |
(1) 4M x 64 |
192MB |
(1) 16M x 64 |
(1) 8M x 64 |
256MB |
(1) 16M x 64 |
(1) 16M x 64 |
256MB |
(1) 32M x 64 |
None |
264MB |
(1) 32M x 64 |
(1) 1M x 64 |
272MB |
(1) 32M x 64 |
(1) 2M x 64 |
288MB |
(1) 32M x 64 |
(1) 4M x 64 |
320MB |
(1) 32M x 64 |
(1) 8M x 64 |
384MB |
(1) 32M x 64 |
(1) 16M x 64 |
512MB |
(1) 32M x 64 |
(1) 32M x 64 |
Note: Board accepts EDO & SDRAM memory. |
CACHE CONFIGURATION |
Note: 256KB/512KB cache is located on the Pentium II CPU. 128KB cache is located on the Celeron 300A & 333 CPU. |
CPU SPEED SELECTION | ||||||
CPU speed |
Clock speed |
Multiplier |
JP8 |
JP9 |
JP10 |
JP11 |
133MHz |
66MHz |
2x |
Closed |
Closed |
Closed |
Closed |
166MHz |
66MHz |
2.5x |
Closed |
Open |
Closed |
Closed |
200MHz |
66MHz |
3x |
Closed |
Closed |
Open |
Closed |
233MHz |
66MHz |
3.5x |
Closed |
Open |
Open |
Closed |
266MHz |
66MHz |
4x |
Closed |
Closed |
Closed |
Open |
300MHz |
66MHz |
4.5x |
Closed |
Open |
Closed |
Open |
333MHz |
66MHz |
5x |
Closed |
Closed |
Open |
Open |