TYAN COMPUTER CORPORATION
S1832DL
Device Type |
Mainboard |
Processor |
Pentium II/Celeron |
Processor Speed |
233/266/300/333/350/400MHz |
Chip Set |
Intel 440BX |
Maximum Onboard Memory |
1GB (SDRAM supported) |
Cache |
0/128/256/512KB (located on the CPU) |
BIOS |
AMI |
Dimensions |
305mm x 244mm |
I/O Options |
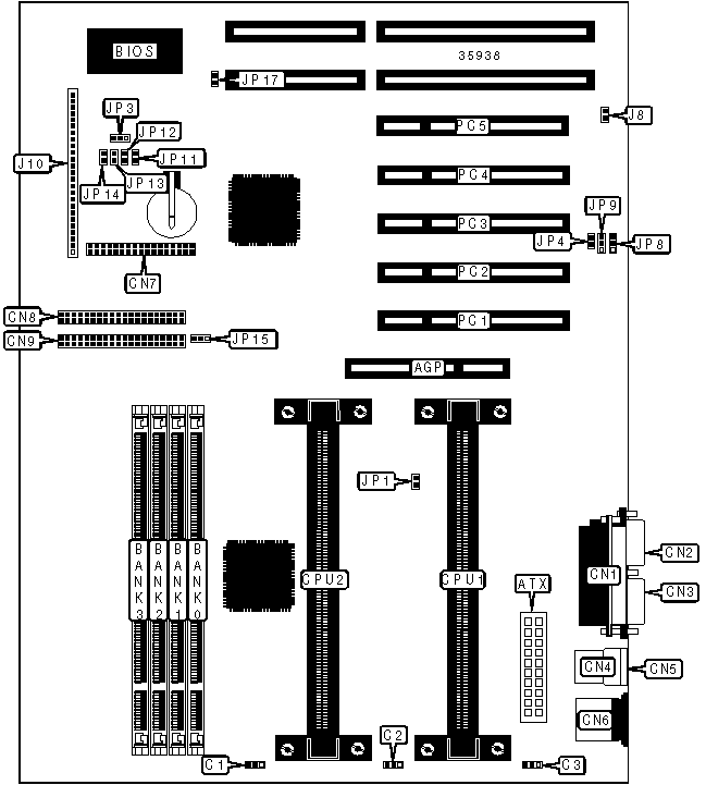
32-bit PCI slots (5), floppy drive interface, green PC connector, IDE interfaces (2), parallel port, PS/2 mouse port, serial ports (2), IR connector, USB connectors (2), ATX power connector, AGP slot |
CONNECTIONS | |||
Purpose |
Location |
Purpose |
Location |
AGP slot |
AGP |
IDE interface 1 |
CN9 |
ATX power connector |
ATX |
Chassis intrustion connector |
J8 |
Chassis fan power |
C1 |
Soft off power supply |
J10/pins 1 & 2 |
Chassis fan power |
C2 |
Green PC connector |
J10/pins 3 & 4 |
Chassis fan power |
C3 |
IR connector |
J10/pins 6 - 10 |
Parallel port |
CN1 |
IDE interface LED |
J10/pins 13 - 16 |
Serial port 2 |
CN2 |
Power LED |
J10/pins 18 & 20 |
Serial port 1 |
CN3 |
Reset switch |
J10/pins 22 & 23 |
USB connector 1 |
CN4 |
Speaker |
J10/pins 24 - 27 |
USB connector 2 |
CN5 |
Wake on LAN connector |
JP15 |
PS/2 mouse port |
CN6 |
Green PC connector |
JP17 |
Floppy drive interface |
CN7 |
32-bit PCI slots |
PC1 - PC5 |
IDE interface 2 |
CN8 |
USER CONFIGURABLE SETTINGS | |||
Function |
Label |
Position | |
» |
Factory configured - do not alter |
JP1 |
Unidentified |
» |
CMOS memory normal operation |
JP3 |
Pins 1 & 2 closed |
CMOS memory clear |
JP3 |
Pins 2 & 3 closed |
DIMM CONFIGURATION | ||||
Size |
Bank 0 |
Bank 1 |
Bank 2 |
Bank 3 |
8MB |
(1) 1M x 64 |
None |
None |
None |
16MB |
(1) 2M x 64 |
None |
None |
None |
16MB |
(1) 1M x 64 |
(1) 1M x 64 |
None |
None |
24MB |
(1) 2M x 64 |
(1) 1M x 64 |
None |
None |
24MB |
(1) 1M x 64 |
(1) 1M x 64 |
(1) 1M x 64 |
None |
32MB |
(1) 4M x 64 |
None |
None |
None |
32MB |
(1) 2M x 64 |
(1) 2M x 64 |
None |
None |
32MB |
(1) 1M x 64 |
(1) 1M x 64 |
(1) 1M x 64 |
(1) 1M x 64 |
40MB |
(1) 4M x 64 |
(1) 1M x 64 |
None |
None |
48MB |
(1) 4M x 64 |
(1) 2M x 64 |
None |
None |
48MB |
(1) 2M x 64 |
(1) 2M x 64 |
(1) 2M x 64 |
None |
64MB |
(1) 2M x 64 |
(1) 2M x 64 |
(1) 2M x 64 |
(1) 2M x 64 |
64MB |
(1) 8M x 64 |
None |
None |
None |
64MB |
(1) 4M x 64 |
(1) 4M x 64 |
None |
None |
72MB |
(1) 8M x 64 |
(1) 1M x 64 |
None |
None |
80MB |
(1) 8M x 64 |
(1) 2M x 64 |
None |
None |
96MB |
(1) 8M x 64 |
(1) 4M x 64 |
None |
None |
96MB |
(1) 4M x 64 |
(1) 4M x 64 |
(1) 4M x 64 |
None |
DIMM CONFIGURATION (CON'T) | ||||
Size |
Bank 0 |
Bank 1 |
Bank 2 |
Bank 3 |
128MB |
(1) 16M x 64 |
None |
None |
None |
128MB |
(1) 8M x 64 |
(1) 8M x 64 |
None |
None |
128MB |
(1) 4M x 64 |
(1) 4M x 64 |
(1) 4M x 64 |
(1) 4M x 64 |
136MB |
(1) 16M x 64 |
(1) 1M x 64 |
None |
None |
144MB |
(1) 16M x 64 |
(1) 2M x 64 |
None |
None |
176MB |
(1) 16M x 64 |
(1) 2M x 64 |
(1) 2M x 64 |
(1) 2M x 64 |
192MB |
(1) 16M x 64 |
(1) 8M x 64 |
None |
None |
192MB |
(1) 8M x 64 |
(1) 8M x 64 |
(1) 8M x 64 |
None |
256MB |
(1) 32M x 64 |
None |
None |
None |
256MB |
(1) 16M x 64 |
(1) 16M x 64 |
None |
None |
256MB |
(1) 8M x 64 |
(1) 8M x 64 |
(1) 8M x 64 |
(1) 8M x 64 |
272MB |
(1) 16M x 64 |
(1) 16M x 64 |
(1) 1M x 64 |
(1) 1M x 64 |
280MB |
(1) 32M x 64 |
(1) 1M x 64 |
(1) 1M x 64 |
(1) 1M x 64 |
288MB |
(1) 16M x 64 |
(1) 16M x 64 |
(1) 2M x 64 |
(1) 2M x 64 |
320MB |
(1) 16M x 64 |
(1) 16M x 64 |
(1) 4M x 64 |
(1) 4M x 64 |
384MB |
(1) 16M x 64 |
(1) 16M x 64 |
(1) 16M x 64 |
None |
448MB |
(1) 32M x 64 |
(1) 8M x 64 |
(1) 8M x 64 |
(1) 8M x 64 |
512MB |
(1) 32M x 64 |
(1) 32M x 64 |
None |
None |
512MB |
(1) 16M x 64 |
(1) 16M x 64 |
(1) 16M x 64 |
(1) 16M x 64 |
640MB |
(1) 32M x 64 |
(1) 16M x 64 |
(1) 16M x 64 |
(1) 16M x 64 |
768MB |
(1) 32M x 64 |
(1) 32M x 64 |
(1) 32M x 64 |
None |
1024MB |
(1) 32M x 64 |
(1) 32M x 64 |
(1) 32M x 64 |
(1) 32M x 64 |
Note: Board accepts SDRAM memory. |
CACHE CONFIGURATION |
Note: 256KB/512KB cache is located on the Pentium II CPU. 128KB cache is located on the Celeron 300A & 333 CPU. |
CPU SPEED SELECTION | ||||||
CPU speed |
Clock speed |
Multiplier |
JP11 |
JP12 |
JP13 |
JP14 |
233MHz |
66MHz |
3.5x |
Closed |
Open |
Open |
Closed |
266MHz |
66MHz |
4x |
Open |
Closed |
Closed |
Closed |
300MHz |
66MHz |
4.5x |
Open |
Closed |
Open |
Closed |
333MHz |
66MHz |
5x |
Open |
Open |
Closed |
Closed |
350MHz |
100MHz |
3.5x |
Closed |
Open |
Open |
Closed |
400MHz |
100MHz |
4x |
Open |
Closed |
Closed |
Closed |
FLOPPY DRIVE/IR SELECTION | |||
Setting |
JP4 |
JP8 |
JP9 |
2 floppy drives |
Open |
Pins 2 & 3 closed |
Pins 1 & 2 closed |
1 floppy, 1 IR |
Open |
Pins 1 & 2 closed |
Pins 2 & 3 closed |