SUPER MICRO
S2DGR
Device Type |
Mainboard |
Processor |
Pentium II |
Processor Speed |
400/450MHz |
Chip Set |
Intel 440GX |
Maximum Onboard Memory |
2GB (SDRAM supported) |
Cache |
1024KB (located on Pentium II CPU) |
BIOS |
AMI |
Dimensions |
355mm x 304mm |
I/O Options |
32-bit PCI slots (5), floppy drive interface, IDE interfaces (2), SCSI interface, Ultra SCSI interface, Ultra Wide SCSI interfaces (2), parallel port, PS/2 mouse port, serial ports (2), IR connector, USB connectors (2), ATX power connector, AGP slot, RAID slot, wake on LAN connector, SB-link connector |
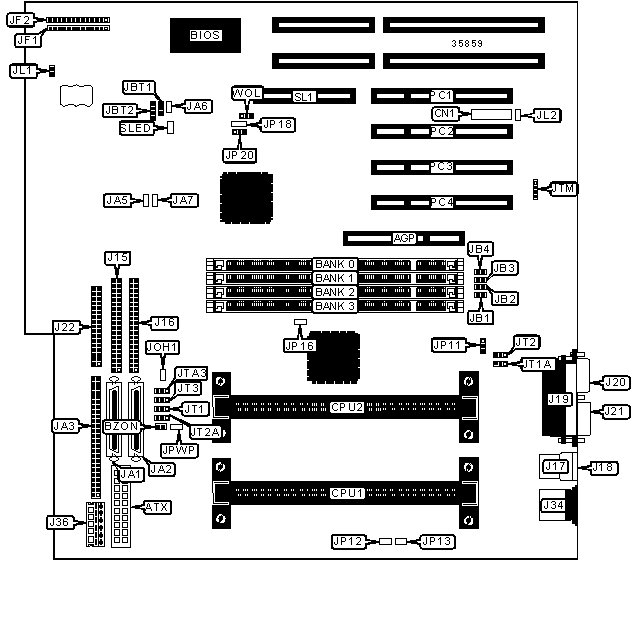
CONNECTIONS | |||
Purpose |
Location |
Purpose |
Location |
AGP slot |
AGP |
Power LED & keylock |
JF1/pins 5 9 |
ATX power connector |
ATX |
Speaker |
JF1/pins 10 - 13 |
SB-link connector |
CN1 |
IR connector |
JF2/pins 1 8 |
IDE interface 2 |
J15 |
Soft off power supply |
JF2/pins 9 & 10 |
IDE interface 1 |
J16 |
Reset switch |
JF2/pins 12 & 13 |
USB connector 1 |
J17 |
Chassis intrusion connector |
JL1 |
USB connector 2 |
J18 |
Overheat LED |
JOH1 |
Parallel port |
J19 |
Thermal input connector |
JTM |
Serial port 1 |
J20 |
Chassis fan power |
JT1 |
Serial port 2 |
J21 |
Chassis fan power |
JT1A |
Floppy drive interface |
J22 |
Chassis fan power |
JT2 |
PS/2 mouse port |
J34 |
Chassis fan power |
JT2A |
5v auxiliary power |
J36 |
Chassis fan power |
JT3 |
Ultra Wide SCSI interface |
JA1 |
Chassis fan power |
JT3A |
Ultra Wide SCSI interface |
JA2 |
32-bit PCI slots |
PC1 PC4 |
Ultra SCSI interface |
JA3 |
RAID slot |
SL1 |
External battery |
JBT2 |
SCSI interface LED |
SLED |
IDE interface LED |
JF1/pins 1 4 |
Wake on LAN connector |
WOL |
USER CONFIGURABLE SETTINGS | |||
Function |
Label |
Position | |
Overheat buzzer disabled |
BZON |
Open | |
Overheat buzzer enabled |
BZON |
Closed | |
» |
Factory configured - do not alter |
JA7 |
Unidentified |
» |
CMOS memory normal operation |
JBT1 |
Pins 1 & 2 closed |
CMOS memory clear |
JBT1 |
Pins 2 & 3 closed | |
» |
Factory configured - do not alter |
JL2 |
Unidentified |
» |
Factory configured - do not alter |
JP12 |
Unidentified |
» |
Factory configured - do not alter |
JP13 |
Unidentified |
» |
Factory configured - do not alter |
JP16 |
Unidentified |
» |
Factory configured - do not alter |
JP18 |
Unidentified |
» |
BIOS CTL PD state |
JP20 |
Pins 2 & 3 closed |
PIIX CTL PD state |
JP20 |
Pins 1 & 2 closed |
DIMM CONFIGURATION | ||||
Size |
Bank 0 |
Bank 1 |
Bank 2 |
Bank 3 |
8MB |
(1) 1M x 64 |
None |
None |
None |
16MB |
(1) 2M x 64 |
None |
None |
None |
16MB |
(1) 1M x 64 |
(1) 1M x 64 |
None |
None |
24MB |
(1) 2M x 64 |
(1) 1M x 64 |
None |
None |
24MB |
(1) 1M x 64 |
(1) 1M x 64 |
(1) 1M x 64 |
None |
32MB |
(1) 4M x 64 |
None |
None |
None |
32MB |
(1) 2M x 64 |
(1) 2M x 64 |
None |
None |
32MB |
(1) 1M x 64 |
(1) 1M x 64 |
(1) 1M x 64 |
(1) 1M x 64 |
40MB |
(1) 4M x 64 |
(1) 1M x 64 |
None |
None |
48MB |
(1) 4M x 64 |
(1) 2M x 64 |
None |
None |
48MB |
(1) 2M x 64 |
(1) 2M x 64 |
(1) 2M x 64 |
None |
64MB |
(1) 2M x 64 |
(1) 2M x 64 |
(1) 2M x 64 |
(1) 2M x 64 |
64MB |
(1) 8M x 64 |
None |
None |
None |
64MB |
(1) 4M x 64 |
(1) 4M x 64 |
None |
None |
72MB |
(1) 8M x 64 |
(1) 1M x 64 |
None |
None |
80MB |
(1) 8M x 64 |
(1) 2M x 64 |
None |
None |
96MB |
(1) 8M x 64 |
(1) 4M x 64 |
None |
None |
96MB |
(1) 4M x 64 |
(1) 4M x 64 |
(1) 4M x 64 |
None |
128MB |
(1) 16M x 64 |
None |
None |
None |
128MB |
(1) 8M x 64 |
(1) 8M x 64 |
None |
None |
128MB |
(1) 4M x 64 |
(1) 4M x 64 |
(1) 4M x 64 |
(1) 4M x 64 |
136MB |
(1) 16M x 64 |
(1) 1M x 64 |
None |
None |
144MB |
(1) 16M x 64 |
(1) 2M x 64 |
None |
None |
176MB |
(1) 16M x 64 |
(1) 2M x 64 |
(1) 2M x 64 |
(1) 2M x 64 |
192MB |
(1) 16M x 64 |
(1) 8M x 64 |
None |
None |
192MB |
(1) 8M x 64 |
(1) 8M x 64 |
(1) 8M x 64 |
None |
256MB |
(1) 32M x 64 |
None |
None |
None |
256MB |
(1) 16M x 64 |
(1) 16M x 64 |
None |
None |
256MB |
(1) 8M x 64 |
(1) 8M x 64 |
(1) 8M x 64 |
(1) 8M x 64 |
272MB |
(1) 16M x 64 |
(1) 16M x 64 |
(1) 1M x 64 |
(1) 1M x 64 |
280MB |
(1) 32M x 64 |
(1) 1M x 64 |
(1) 1M x 64 |
(1) 1M x 64 |
288MB |
(1) 16M x 64 |
(1) 16M x 64 |
(1) 2M x 64 |
(1) 2M x 64 |
320MB |
(1) 16M x 64 |
(1) 16M x 64 |
(1) 4M x 64 |
(1) 4M x 64 |
384MB |
(1) 16M x 64 |
(1) 16M x 64 |
(1) 16M x 64 |
None |
DIMM CONFIGURATION (CONT) | ||||
Size |
Bank 0 |
Bank 1 |
Bank 2 |
Bank 3 |
448MB |
(1) 32M x 64 |
(1) 8M x 64 |
(1) 8M x 64 |
(1) 8M x 64 |
512MB |
(1) 64M x 64 |
None |
None |
None |
512MB |
(1) 32M x 64 |
(1) 32M x 64 |
None |
None |
512MB |
(1) 16M x 64 |
(1) 16M x 64 |
(1) 16M x 64 |
(1) 16M x 64 |
640MB |
(1) 32M x 64 |
(1) 16M x 64 |
(1) 16M x 64 |
(1) 16M x 64 |
768MB |
(1) 32M x 64 |
(1) 32M x 64 |
(1) 32M x 64 |
None |
1024MB |
(1) 64M x 64 |
(1) 64M x 64 |
None |
None |
1024MB |
(1) 32M x 64 |
(1) 32M x 64 |
(1) 32M x 64 |
(1) 32M x 64 |
1536MB |
(1) 64M x 64 |
(1) 64M x 64 |
(1) 64M x 64 |
None |
2048MB |
(1) 64M x 64 |
(1) 64M x 64 |
(1) 64M x 64 |
(1) 64M x 64 |
Note: Board accepts SDRAM memory. |
CACHE CONFIGURATION |
Note: 1024KB cache is located on the Pentium II CPU. |
CPU SPEED SELECTION | |||||||
CPU speed |
Clock speed |
Multiplier |
JB1 |
JB2 |
JB3 |
JB4 |
JP11 |
400MHz |
100MHz |
4x |
Closed |
Closed |
Open |
Closed |
Open |
450MHz |
100MHz |
4.5x |
Open |
Closed |
Open |
Closed |
Open |
Note: Pins designated should be in the closed position. |
SCSI TERMINATION SELECTION | |||
Setting |
JA5 |
JA6 | |
» |
Enabled |
Closed |
Closed |
Disabled |
Open |
Open | |
Note: JA5 is for JA1 & JA3. JA6 is for JA2. |