SUPER MICRO
P6DGE
Device Type |
Mainboard |
Processor |
Pentium II |
Processor Speed |
233/266/300/333/350/400/450MHz |
Chip Set |
Intel 440GX |
Maximum Onboard Memory |
2GB (SDRAM supported) |
Cache |
256/512KB (located on the Pentium II CPU) |
BIOS |
AMI |
Dimensions |
305mm x 244mm |
I/O Options (backplane) |
32-bit PCI slots (4), floppy drive interface, IDE interfaces (2), Wide Ultra SCSI interface, Wide SCSI interface (2), parallel port, PS/2 mouse port, serial ports (2), IR connector, USB connectors (2), ATX power connector, AGP slot, SB link connector |
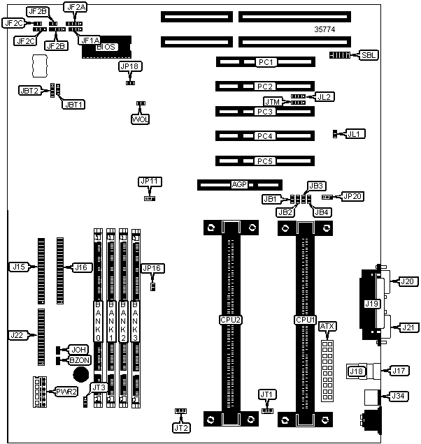
CONNECTIONS | |||
Purpose |
Location |
Purpose |
Location |
AGP slot |
AGP |
Power LED & keylock |
JF1B |
ATX power connector |
ATX |
Speaker |
JF1C |
IDE interface 1 |
J15 |
IR connector |
JF2A |
IDE interface 2 |
J16 |
Power switch |
JF2B |
USB connector 1 |
J17 |
Reset switch |
JF2C |
USB connector 2 |
J18 |
Chassis intrusion |
JL1 |
Parallel port |
J19 |
Overheat LED |
JOH |
Serial port 1 |
J20 |
CPU fan power |
JT1 |
Serial port 2 |
J21 |
CPU fan power |
JT2 |
Floppy drive interface |
J22 |
Chassis fan power |
JT3 |
PS/2 mouse port |
J34 |
32-bit PCI slots |
PC1 - PC4 |
Ultra Wide SCSI interface |
JA1 |
Secondary power connector |
PWR2 |
Ultra Wide SCSI interface |
JA2 |
SB link |
SBL |
SCSI 2 interface |
JA3 |
SCSI LED |
SCLED |
IDE interface LED |
JF1A |
Wake on LAN |
WOL |
USER CONFIGURABLE SETTINGS | |||
Function |
Label |
Position | |
» |
Factory configured - do not alter |
JP18 |
Unidentified |
» |
Factory configured - do not alter |
JA7 |
Unidentified |
» |
Factory configured - do not alter |
JAS |
Unidentified |
» |
Factory configured - do not alter |
JAM |
Unidentified |
» |
Pentium II CTL PD state |
JP20 |
Pins 1 & 2 closed |
BIOS CTL PD state |
JP20 |
Pins 2 & 3 closed | |
» |
CMOS memory normal operation |
JBT1 |
Pins 1 & 2 closed |
CMOS memory clear |
JBT1 |
Pins 2 & 3 closed | |
Onboard buzzer enabled |
BZON |
Closed | |
Onboard buzzer disabled |
BZON |
Open |
DIMM CONFIGURATION | ||||
Size |
Bank 0 |
Bank 1 |
Bank 2 |
Bank 3 |
8MB |
1MB x 64 |
None |
None |
None |
16MB |
1MB x 64 |
1MB x 64 |
None |
None |
16MB |
2MB x 64 |
None |
None |
None |
24MB |
1MB x 64 |
1MB x 64 |
1MB x 64 | |
32MB |
1MB x 64 |
1MB x 64 |
1MB x 64 |
1MB x 64 |
32MB |
2MB x 64 |
2MB x 64 |
None |
None |
32MB |
4MB x 64 |
None |
None |
None |
40MB |
2MB x 64 |
2MB x 64 |
1MB x 64 |
None |
48MB |
2MB x 64 |
2MB x 64 |
2MB x 64 |
None |
64MB |
2MB x 64 |
2MB x 64 |
2MB x 64 |
2MB x 64 |
64MB |
4MB x 64 |
4MB x 64 |
None |
None |
64MB |
8MB x 64 |
None |
None |
None |
88MB |
4MB x 64 |
4MB x 64 |
2MB x 64 |
1MB x 64 |
96MB |
4MB x 64 |
4MB x 64 |
4MB x 64 | |
112MB |
4MB x 64 |
4MB x 64 |
4MB x 64 |
2MB x 64 |
128MB |
4MB x 64 |
4MB x 64 |
4MB x 64 |
4MB x 64 |
128MB |
8MB x 64 |
8MB x 64 |
None |
None |
128MB |
16MB x 64 |
None |
None |
None |
176MB |
8MB x 64 |
8MB x 64 |
4MB x 64 |
2MB x 64 |
192MB |
8MB x 64 |
8MB x 64 |
8MB x 64 | |
224MB |
8MB x 64 |
8MB x 64 |
8MB x 64 |
4MB x 64 |
256MB |
8MB x 64 |
8MB x 64 |
8MB x 64 |
8MB x 64 |
256MB |
16MB x 64 |
16MB x 64 |
None |
None |
256MB |
32MB x 64 |
None |
None |
None |
352 MB |
16MB x 64 |
16MB x 64 |
8MB x 64 |
4MB x 64 |
384MB |
16MB x 64 |
16MB x 64 |
16MB x 64 | |
448 MB |
16MB x 64 |
16MB x 64 |
16MB x 64 |
8MB x 64 |
512MB |
16MB x 64 |
16MB x 64 |
16MB x 64 |
16MB x 64 |
512MB |
32MB x 64 |
32MB x 64 |
None |
None |
512MB |
64MB x 64 |
None |
None |
None |
704 MB |
32MB x 64 |
32MB x 64 |
16MB x 64 |
8MB x 64 |
768MB |
32MB x 64 |
32MB x 64 |
32MB x 64 |
None |
896 MB |
32MB x 64 |
32MB x 64 |
32MB x 64 |
16MB x 64 |
1024MB |
32MB x 64 |
32MB x 64 |
32MB x 64 |
32MB x 64 |
1024MB |
64MB x 64 |
64MB x 64 |
None |
None |
1408 MB |
64MB x 64 |
64MB x 64 |
32MB x 64 |
16MB x 64 |
1536MB |
64MB x 64 |
64MB x 64 |
64MB x 64 |
None |
1792 MB |
64MB x 64 |
64MB x 64 |
64MB x 64 |
32MB x 64 |
2048MB |
64MB x 64 |
64MB x 64 |
64MB x 64 |
64MB x 64 |
CACHE CONFIGURATION |
Note: The 256/512KB cache memory is located on the Pentium II CPU. |
CPU SPEED SELECTION (PENTIUM II) | |||||
CPU speed |
Clock speed |
Multiplier |
JB1 |
JB2 |
JB3 |
233MHz |
66MHz |
3.5x |
Open |
Open |
Closed |
266MHz |
66MHz |
4x |
Closed |
Closed |
Open |
300MHz |
66MHz |
4.5x |
Open |
Closed |
Open |
333MHz |
66MHz |
5x |
Closed |
Open |
Open |
350MHz |
100MHz |
3.5x |
Open |
Open |
Closed |
400MHz |
100MHz |
4x |
Closed |
Closed |
Open |
450MHz |
100MHz |
4.5x |
Open |
Closed |
Open |
CPU SPEED SELECTION (PENTIUM II CONT’) | ||||
CPU speed |
Clock speed |
Multiplier |
JB4 |
JP11 |
233MHz |
66MHz |
3.5x |
Closed |
Pins 2 & 3 closed |
266MHz |
66MHz |
4x |
Closed |
Pins 2 & 3 closed |
300MHz |
66MHz |
4.5x |
Closed |
Pins 2 & 3 closed |
333MHz |
66MHz |
5x |
Closed |
Pins 2 & 3 closed |
350MHz |
100MHz |
3.5x |
Closed |
Open |
400MHz |
100MHz |
4x |
Closed |
Open |
450MHz |
100MHz |
4.5x |
Closed |
Open |