SIEMENS NIXDORF
SYSTEM BOARD D992 (DUAL)
Device Type |
Mainboard |
Processor |
Pentium II |
Processor Speed |
266/300/333MHz |
Chip Set |
Intel 440FX |
Video Chip Set |
Cirrus Logic |
Maximum Onboard Memory |
512MB |
Maximum Video Memory |
2MB |
Cache |
256/512KB (located on Pentium II CPU) |
BIOS |
Unidentified |
Dimensions |
305mm x 244mm |
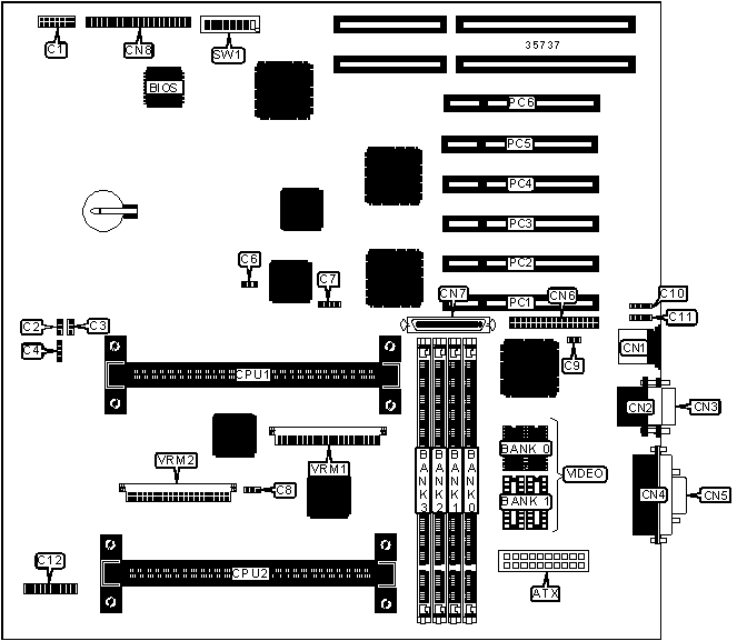
I/O Options |
32-bit PCI slots (6), floppy drive interface, IDE interface, Wide Ultra SCSI interface, parallel port, PS/2 mouse port, serial ports (2), VGA port, VRM connectors (2), wake on modem connector |
CONNECTIONS | |||
Purpose |
Location |
Purpose |
Location |
ATX power connector |
ATX |
Front panel connector |
C12 |
SMM connector |
C1 |
PS/2 mouse port |
CN1 |
Chassis fan power |
C2 |
Serial port 2 |
CN2 |
Chassis fan power |
C3 |
Serial port 1 |
CN3 |
Speaker |
C4 |
Parallel port |
CN4 |
Control panel connector |
C5 |
VGA port |
CN5 |
Temperature sensor 1 |
C6 |
Floppy drive interface |
CN6 |
SCSI interface LED |
C7 |
Ultra Wide SCSI interface |
CN7 |
Temperature sensor 2 |
C8 |
IDE interface |
CN8 |
Wake on modem connector |
C9 |
32-bit PCI slots |
PC1 – PC6 |
Can bus control connector 1 |
C10 |
VRM connector |
VRM1 |
Can bus control connector 2 |
C11 |
VRM connector |
VRM2 |
USER CONFIGURABLE SETTINGS | |||
Function |
Label |
Position | |
» |
Flash BIOS normal operation |
SW1/1 |
Off |
Flash BIOS recovery mode |
SW1/1 |
On | |
» |
Factory configured - do not alter |
SW1/2 |
Off |
» |
Flash BIOS write protect disabled |
SW1/3 |
Off |
Flash BIOS write protect enabled |
SW1/3 |
On | |
» |
Floppy drive write protect disabled |
SW1/4 |
Off |
Floppy drive write protect enabled |
SW1/4 |
On |
DIMM CONFIGURATION | ||||
Size |
Bank 0 |
Bank 1 |
Bank 2 |
Bank 3 |
64MB |
(1) 2M x 64 |
(1) 2M x 64 |
(1) 2M x 64 |
(1) 2M x 64 |
64MB |
(1) 8M x 64 |
None |
None |
None |
64MB |
(1) 4M x 64 |
(1) 4M x 64 |
None |
None |
72MB |
(1) 8M x 64 |
(1) 1M x 64 |
None |
None |
80MB |
(1) 8M x 64 |
(1) 2M x 64 |
None |
None |
96MB |
(1) 8M x 64 |
(1) 4M x 64 |
None |
None |
96MB |
(1) 4M x 64 |
(1) 4M x 64 |
(1) 4M x 64 |
None |
128MB |
(1) 16M x 64 |
None |
None |
None |
128MB |
(1) 8M x 64 |
(1) 8M x 64 |
None |
None |
128MB |
(1) 4M x 64 |
(1) 4M x 64 |
(1) 4M x 64 |
(1) 4M x 64 |
DIMM CONFIGURATION (CON’T) | ||||
Size |
Bank 0 |
Bank 1 |
Bank 2 |
Bank 3 |
136MB |
(1) 16M x 64 |
(1) 1M x 64 |
None |
None |
144MB |
(1) 16M x 64 |
(1) 2M x 64 |
None |
None |
152MB |
(1) 16M x 64 |
(1) 1M x 64 |
(1) 1M x 64 |
(1) 1M x 64 |
160MB |
(1) 16M x 64 |
(1) 4M x 64 |
None |
None |
176MB |
(1) 16M x 64 |
(1) 2M x 64 |
(1) 2M x 64 |
(1) 2M x 64 |
192MB |
(1) 16M x 64 |
(1) 8M x 64 |
None |
None |
192MB |
(1) 8M x 64 |
(1) 8M x 64 |
(1) 8M x 64 |
None |
224MB |
(1) 16M x 64 |
(1) 4M x 64 |
(1) 4M x 64 |
(1) 4M x 64 |
256MB |
(1) 16M x 64 |
(1) 16M x 64 |
None |
None |
256MB |
(1) 8M x 64 |
(1) 8M x 64 |
(1) 8M x 64 |
(1) 8M x 64 |
272MB |
(1) 16M x 64 |
(1) 16M x 64 |
(1) 1M x 64 |
(1) 1M x 64 |
288MB |
(1) 16M x 64 |
(1) 16M x 64 |
(1) 2M x 64 |
(1) 2M x 64 |
320MB |
(1) 16M x 64 |
(1) 16M x 64 |
(1) 4M x 64 |
(1) 4M x 64 |
320MB |
(1) 16M x 64 |
(1) 8M x 64 |
(1) 8M x 64 |
(1) 8M x 64 |
384MB |
(1) 16M x 64 |
(1) 16M x 64 |
(1) 16M x 64 |
None |
448MB |
(1) 32M x 64 |
(1) 8M x 64 |
(1) 8M x 64 |
(1) 8M x 64 |
512MB |
(1) 16M x 64 |
(1) 16M x 64 |
(1) 16M x 64 |
(1) 16M x 64 |
CACHE CONFIGURATION |
Note: 256KB/512KB cache is located on the Pentium II CPU. |
VIDEO MEMORY CONFIGURATION | ||
Size |
Bank 0 |
Bank 1 |
1MB |
(2) 256K x 16 |
None |
2MB |
(2) 256K x 16 |
(2) 256K x 16 |
CPU SPEED SELECTION | ||||||
CPU speed |
Clock speed |
Multiplier |
SW1/5 |
SW1/6 |
SW1/7 |
SW1/8 |
266MHz |
66MHz |
4x |
On |
On |
On |
Off |
300MHz |
66MHz |
4.5x |
On |
Off |
On |
Off |
333MHz |
66MHz |
5x |
On |
On |
Off |
Off |