SIEMENS NIXDORF
SYSTEM BOARD D1064
Device Type |
Mainboard |
Processor |
Pentium II |
Processor Speed |
266/300/333/350/366/400/450MHz |
Chip Set |
Unidentified |
Video Chip Set |
Matrox |
Maximum Onboard Memory |
384MB (SDRAM supported) |
Maximum Video Memory |
6MB |
Cache |
256/512KB (located on Pentium II CPU) |
BIOS |
Unidentified |
Dimensions |
305mm x 244mm |
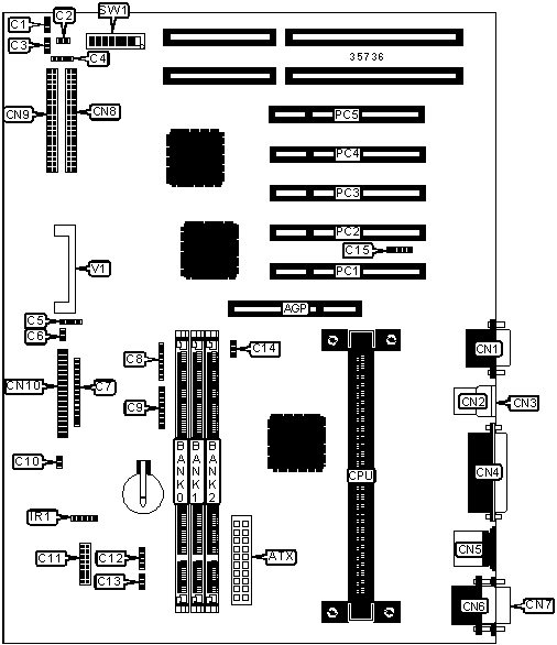
I/O Options |
32-bit PCI slots (5), floppy drive interface, IDE interfaces (2), parallel port, PS/2 mouse port, serial ports (2), IR connector, USB connectors (2), ATX power connector, AGP slot, wake on modem connector |
CONNECTIONS | |||
Purpose |
Location |
Purpose |
Location |
AGP slot |
AGP |
Chassis fan power |
C14 |
ATX power connector |
ATX |
USB chipcard reader |
C15 |
Chassis fan power |
C1 |
VGA port |
CN1 |
Modem connector |
C2 |
USB connector 1 |
CN2 |
Wake on LAN connector |
C3 |
USB connector 2 |
CN3 |
Speaker |
C4 |
Parallel port |
CN4 |
SCSI interface LED |
C5 |
PS/2 mouse port |
CN5 |
Soft off power supply |
C6 |
Serial port 2 |
CN6 |
Front panel connector |
C7 |
Serial port 1 |
CN7 |
Chassis intrusion connector |
C8 |
IDE interface 1 |
CN8 |
5v power |
C9 |
IDE interface 2 |
CN9 |
Reset switch |
C10 |
Floppy drive interface |
CN10 |
Chipcard reader |
C11 |
IR connector |
IR1 |
I2C connector |
C12 |
32-bit PCI slots |
PC1 – PC5 |
Chassis fan power |
C13 |
USER CONFIGURABLE SETTINGS | |||
Function |
Label |
Position | |
» |
Factory configured - do not alter |
SW1/1 |
Off |
» |
Flash BIOS normal operation |
SW1/2 |
Off |
Flash BIOS recovery mode |
SW1/2 |
On | |
» |
Floppy drive write protect disabled |
SW1/3 |
Off |
Floppy drive write protect enabled |
SW1/3 |
On | |
» |
Factory configured - do not alter |
SW1/4 |
Unidentified |
DIMM CONFIGURATION | |||
Size |
Bank 0 |
Bank 1 |
Bank 2 |
16MB |
(1) 2M x 64 |
None |
None |
16MB |
(1) 1M x 64 |
(1) 1M x 64 |
None |
24MB |
(1) 2M x 64 |
(1) 1M x 64 |
None |
24MB |
(1) 1M x 64 |
(1) 1M x 64 |
(1) 1M x 64 |
32MB |
(1) 4M x 64 |
None |
None |
32MB |
(1) 2M x 64 |
(1) 1M x 64 |
(1) 1M x 64 |
32MB |
(1) 2M x 64 |
(1) 2M x 64 |
None |
DIMM CONFIGURATION (CON’T) | |||
Size |
Bank 0 |
Bank 1 |
Bank 2 |
40MB |
(1) 4M x 64 |
(1) 1M x 64 |
None |
40MB |
(1) 2M x 64 |
(1) 2M x 64 |
(1) 1M x 64 |
48MB |
(1) 4M x 64 |
(1) 1M x 64 |
(1) 1M x 64 |
48MB |
(1) 4M x 64 |
(1) 2M x 64 |
None |
48MB |
(1) 2M x 64 |
(1) 2M x 64 |
(1) 2M x 64 |
56MB |
(1) 4M x 64 |
(1) 2M x 64 |
(1) 1M x 64 |
64MB |
(1) 8M x 64 |
None |
None |
64MB |
(1) 4M x 64 |
(1) 2M x 64 |
(1) 2M x 64 |
64MB |
(1) 4M x 64 |
(1) 4M x 64 |
None |
72MB |
(1) 8M x 64 |
(1) 1M x 64 |
None |
72MB |
(1) 4M x 64 |
(1) 4M x 64 |
(1) 1M x 64 |
80MB |
(1) 8M x 64 |
(1) 1M x 64 |
(1) 1M x 64 |
80MB |
(1) 8M x 64 |
(1) 2M x 64 |
None |
80MB |
(1) 4M x 64 |
(1) 4M x 64 |
(1) 2M x 64 |
88MB |
(1) 8M x 64 |
(1) 2M x 64 |
(1) 1M x 64 |
96MB |
(1) 8M x 64 |
(1) 2M x 64 |
(1) 2M x 64 |
96MB |
(1) 8M x 64 |
(1) 4M x 64 |
None |
96MB |
(1) 4M x 64 |
(1) 4M x 64 |
(1) 4M x 64 |
104MB |
(1) 8M x 64 |
(1) 4M x 64 |
(1) 1M x 64 |
112MB |
(1) 8M x 64 |
(1) 4M x 64 |
(1) 2M x 64 |
128MB |
(1) 16M x 64 |
None |
None |
128MB |
(1) 8M x 64 |
(1) 4M x 64 |
(1) 4M x 64 |
128MB |
(1) 8M x 64 |
(1) 8M x 64 |
None |
136MB |
(1) 16M x 64 |
(1) 1M x 64 |
None |
136MB |
(1) 8M x 64 |
(1) 8M x 64 |
(1) 1M x 64 |
144MB |
(1) 16M x 64 |
(1) 1M x 64 |
(1) 1M x 64 |
144MB |
(1) 16M x 64 |
(1) 2M x 64 |
None |
144MB |
(1) 8M x 64 |
(1) 8M x 64 |
(1) 2M x 64 |
152MB |
(1) 16M x 64 |
(1) 2M x 64 |
(1) 1M x 64 |
160MB |
(1) 16M x 64 |
(1) 2M x 64 |
(1) 2M x 64 |
160MB |
(1) 16M x 64 |
(1) 4M x 64 |
None |
160MB |
(1) 8M x 64 |
(1) 8M x 64 |
(1) 4M x 64 |
168MB |
(1) 16M x 64 |
(1) 4M x 64 |
(1) 1M x 64 |
176MB |
(1) 16M x 64 |
(1) 4M x 64 |
(1) 2M x 64 |
192MB |
(1) 16M x 64 |
(1) 4M x 64 |
(1) 4M x 64 |
DIMM CONFIGURATION (CON’T) | |||
Size |
Bank 0 |
Bank 1 |
Bank 2 |
192MB |
(1) 16M x 64 |
(1) 8M x 64 |
None |
192MB |
(1) 8M x 64 |
(1) 8M x 64 |
(1) 8M x 64 |
200MB |
(1) 16M x 64 |
(1) 8M x 64 |
(1) 1M x 64 |
208MB |
(1) 16M x 64 |
(1) 8M x 64 |
(1) 2M x 64 |
224MB |
(1) 16M x 64 |
(1) 8M x 64 |
(1) 4M x 64 |
256MB |
(1) 16M x 64 |
(1) 8M x 64 |
(1) 8M x 64 |
384MB |
(1) 16M x 64 |
(1) 16M x 64 |
(1) 16M x 64 |
Note: Board accepts SDRAM memory. |
CACHE CONFIGURATION |
Note: 256KB/512KB cache is located on the Pentium II CPU. |
VIDEO MEMORY CONFIGURATION |
Note: To upgrade video memory, install module at V1. |
CPU SPEED SELECTION | ||||||
CPU speed |
Clock speed |
Multiplier |
SW1/5 |
SW1/6 |
SW1/7 |
SW1/8 |
266MHz |
66MHz |
4x |
On |
On |
Off |
On |
300MHz |
66MHz |
4.5x |
Off |
On |
Off |
On |
300MHz |
100MHz |
3x |
On |
Off |
On |
On |
333MHz |
66MHz |
5x |
On |
Off |
Off |
On |
366MHz |
66MHz |
5.5x |
Off |
Off |
Off |
On |
350MHz |
100MHz |
3.5x |
Off |
Off |
On |
On |
400MHz |
100MHz |
4x |
On |
On |
Off |
On |
450MHz |
100MHz |
4.5x |
Off |
On |
Off |
On |