SIEMENS NIXDORF

SYSTEM BOARD D1081

Device Type

Mainboard

Processor

Pentium II/Celeron

Processor Speed

233/266/300/333MHz

Chip Set

Unidentified

Video Chip Set

ATI

Maximum Onboard Memory

256MB (SDRAM supported)

Maximum Video Memory

2MB

Cache

0/128/256/512KB (located on the CPU)

BIOS

Unidentified

Dimensions

254mm x 218mm

I/O Options

32-bit PCI slots (3), floppy drive interface, IDE interfaces (2), parallel port, PS/2 mouse port, serial ports (2), VGA port, USB connectors (2), ATX power connector

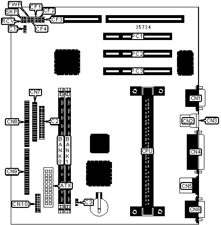
CONNECTIONS

Purpose

Location

Purpose

Location

ATX power connector

ATX

PS/2 mouse port

CN5

Chassis fan power

C1

Serial port 1

CN6

Front panel connector

C2

Floppy drive interface

CN7

CPU fan power

C3

IDE interface 1

CN8

VGA port

CN1

IDE interface 2

CN9

USB connector 1

CN2

Serial port 2

CN10

USB connector 2

CN3

32-bit PCI slots

PC1 – PC3

Parallel port

CN4

   

USER CONFIGURABLE SETTINGS

Function

Label

Position

 

Floppy drive write protect disabled

FWP

Open

 

Floppy drive write protect enabled

FWP

Closed

»

Flash BIOS normal operation

RCV

Open

 

Flash BIOS recovery mode

RCV

Closed

»

Factory configured - do not alter

SKP

Open

DIMM CONFIGURATION

Size

Bank 0

Bank 1

16MB

(1) 2M x 64

None

16MB

(1) 1M x 64

(1) 1M x 64

24MB

(1) 2M x 64

(1) 1M x 64

32MB

(1) 4M x 64

None

32MB

(1) 2M x 64

(1) 2M x 64

40MB

(1) 4M x 64

(1) 1M x 64

48MB

(1) 4M x 64

(1) 2M x 64

64MB

(1) 8M x 64

None

64MB

(1) 4M x 64

(1) 4M x 64

72MB

(1) 8M x 64

(1) 1M x 64

80MB

(1) 8M x 64

(1) 2M x 64

96MB

(1) 8M x 64

(1) 4M x 64

128MB

(1) 16M x 64

None

128MB

(1) 8M x 64

(1) 8M x 64

136MB

(1) 16M x 64

(1) 1M x 64

DIMM CONFIGURATION (CON’T)

Size

Bank 0

Bank 1

144MB

(1) 16M x 64

(1) 2M x 64

160MB

(1) 16M x 64

(1) 4M x 64

192MB

(1) 16M x 64

(1) 8M x 64

256MB

(1) 16M x 64

(1) 16M x 64

Note: Board accepts SDRAM memory.

CACHE CONFIGURATION

Note: 256KB/512KB cache is located on the Pentium II CPU. 128KB cache is located on the Celeron 300A & 333 CPU.

VIDEO CONFIGURATION

Note: 2MB of video memory is factory installed and is not configurable. The location is unidentified.

CPU SPEED SELECTION

CPU speed

Clock speed

Multiplier

CF1

CF2

CF3

CF4

233MHz

66MHz

3.5x

Open

Closed

Open

Open

266MHz

66MHz

4x

Open

Open

Closed

Closed

300MHz

66MHz

4.5x

Open

Open

Closed

Open

333MHz

66MHz

5x

Open

Open

Open

Closed