TRIGEM MICROSYSTEMS, INC.

DT650

Device Type

Mainboard

Processor

Pentium II

Processor Speed

233/266/300/333/350/400MHz

Chip Set

Intel 443BX

Video Chip Set

None

Maximum Onboard Memory

512MB (SDRAM supported)

Maximum Video Memory

None

Cache

512KB (located on Pentium II CPU)

BIOS

Unidentified

Dimensions

305mm x 244mm

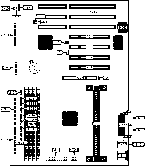
I/O Options

32-bit PCI slots (4), floppy drive interface, green PC connector, IDE interfaces (2), parallel port, PS/2 mouse port, serial ports (2), IR connector, USB connectors (2), ATX power connector, AGP slot

CONNECTIONS

Purpose

Location

Purpose

Location

AGP slot

AGP

Chassis security connector

CN26

ATX power connector

ATX

Chassis fan power

CN27

ATX auxiliary power

ATX1

CPU fan power

CN29

Serial port 1

CN10

IR connector

CN32

Parallel port

CN11

Wake on ring connector

CN33

Serial port 2

CN12

Power LED

CN34A

USB connector 1

CN13

IDE interface LED

CN34B

USB connector 2

CN13A

Speaker

CN34C

PS/2 mouse port

CN14

Keylock

CN34D

Wake on LAN connector

CN19

Reset switch

CN34E

Floppy drive interface

CN20

Green PC connector

CN34F

IDE interface 1

CN22

Soft off power supply

CN34G

IDE interface 2

CN23

32-bit PCI slots

PC1 – PC4

USER CONFIGURABLE SETTINGS

Function

Label

Position

»

Factory configured - do not alter

J1

Unidentified

»

Factory configured - do not alter

J2

Unidentified

»

Factory configured - do not alter

JP1

Unidentified

»

CMOS memory normal operation

SW1/5

Off

 

CMOS memory clear

SW1/5

On

 

Password enabled

SW1/6

Off

 

Password disabled

SW1/6

On

 

Setup access enabled

SW1/7

Off

 

Setup access disabled

SW1/7

On

 

Floppy drive write protect disabled

SW1/8

Off

 

Floppy drive write protect enabled

SW1/8

On

DIMM CONFIGURATION

Size

Bank 0

Bank 1

Bank 2

Bank 3

8MB

(1) 1M x 64

None

None

None

16MB

(1) 2M x 64

None

None

None

16MB

(1) 1M x 64

(1) 1M x 64

None

None

24MB

(1) 2M x 64

(1) 1M x 64

None

None

DIMM CONFIGURATION (CON’T)

Size

Bank 0

Bank 1

Bank 2

Bank 3

24MB

(1) 1M x 64

(1) 1M x 64

(1) 1M x 64

None

32MB

(1) 4M x 64

None

None

None

32MB

(1) 2M x 64

(1) 2M x 64

None

None

32MB

(1) 1M x 64

(1) 1M x 64

(1) 1M x 64

(1) 1M x 64

40MB

(1) 4M x 64

(1) 1M x 64

None

None

48MB

(1) 4M x 64

(1) 2M x 64

None

None

48MB

(1) 2M x 64

(1) 2M x 64

(1) 2M x 64

None

64MB

(1) 2M x 64

(1) 2M x 64

(1) 2M x 64

(1) 2M x 64

64MB

(1) 8M x 64

None

None

None

64MB

(1) 4M x 64

(1) 4M x 64

None

None

72MB

(1) 8M x 64

(1) 1M x 64

None

None

80MB

(1) 8M x 64

(1) 2M x 64

None

None

96MB

(1) 8M x 64

(1) 4M x 64

None

None

96MB

(1) 4M x 64

(1) 4M x 64

(1) 4M x 64

None

128MB

(1) 16M x 64

None

None

None

128MB

(1) 8M x 64

(1) 8M x 64

None

None

128MB

(1) 4M x 64

(1) 4M x 64

(1) 4M x 64

(1) 4M x 64

136MB

(1) 16M x 64

(1) 1M x 64

None

None

144MB

(1) 16M x 64

(1) 2M x 64

None

None

152MB

(1) 16M x 64

(1) 1M x 64

(1) 1M x 64

(1) 1M x 64

160MB

(1) 16M x 64

(1) 4M x 64

None

None

176MB

(1) 16M x 64

(1) 2M x 64

(1) 2M x 64

(1) 2M x 64

192MB

(1) 16M x 64

(1) 8M x 64

None

None

192MB

(1) 8M x 64

(1) 8M x 64

(1) 8M x 64

None

224MB

(1) 16M x 64

(1) 4M x 64

(1) 4M x 64

(1) 4M x 64

256MB

(1) 16M x 64

(1) 16M x 64

None

None

256MB

(1) 8M x 64

(1) 8M x 64

(1) 8M x 64

(1) 8M x 64

272MB

(1) 16M x 64

(1) 16M x 64

(1) 1M x 64

(1) 1M x 64

288MB

(1) 16M x 64

(1) 16M x 64

(1) 2M x 64

(1) 2M x 64

320MB

(1) 16M x 64

(1) 16M x 64

(1) 4M x 64

(1) 4M x 64

320MB

(1) 16M x 64

(1) 8M x 64

(1) 8M x 64

(1) 8M x 64

384MB

(1) 16M x 64

(1) 16M x 64

(1) 16M x 64

None

512MB

(1) 16M x 64

(1) 16M x 64

(1) 16M x 64

(1) 16M x 64

Note: Board accepts SDRAM memory.

CACHE CONFIGURATION

Note: 512KB cache is located on the Pentium II CPU.

CPU SPEED SELECTION

CPU speed

Clock speed

Multiplier

SW1/1

SW1/2

SW1/3

SW1/4

233MHz

66MHz

3.5x

On

Off

Off

On

266MHz

66MHz

4x

Off

On

On

On

300MHz

66MHz

4.5x

Off

On

Off

On

300MHz

100MHz

3x

On

Off

On

On

333MHz

66MHz

5x

Off

Off

On

On

350MHz

100MHz

3.5x

On

Off

Off

On

400MHz

100MHz

4x

Off

On

On

On