SEANIX TECHNOLOGY, INC.
KOOTENAY (SEA440LX)
Device Type |
Mainboard |
Processor |
Pentium II |
Processor Speed |
233/266/300/333MHz |
Chip Set |
Intel 440LX AGP |
Maximum Onboard Memory |
384MB DRAM (SDRAM supported) |
Cache |
512KB (located on the Pentium II CPU) |
BIOS |
AMI |
I/O Options |
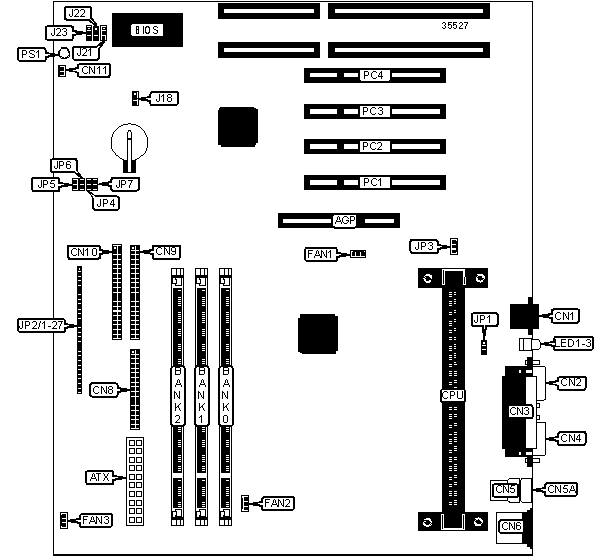
32-bit PCI slots (4), floppy drive interface, IDE interface (2), parallel port, PS/2 mouse port, serial ports (2), IR connector, USB connectors (2), AGP slot, RJ-45 LAN connector, wake on LAN connector |
Dimensions |
220mm x 260mm |
CONNECTIONS | |||
Purpose |
Location |
Purpose |
Location |
AGP slot |
AGP |
Fan power |
FAN1 |
ATX power connector |
ATX |
Fan power |
FAN2 |
RJ-45 LAN connector |
CN1 |
Fan power |
FAN3 |
Serial port 2 |
CN2 |
Power on switch |
JP2/pins 1 & 2 |
Parallel port |
CN3 |
Green PC connector |
JP2/pins 3 & 4 |
Serial port 1 |
CN4 |
IR connector |
JP2/pins 6 - 11 |
USB connector 1 |
CN5 |
IDE interface LED |
JP2/pins 13 - 16 |
USB connector 2 |
CN5A |
Power LED |
JP2/pins 18 - 20 |
PS/2 mouse port |
CN6 |
Reset switch |
JP2/pins 22 - 24 |
Floppy drive interface |
CN8 |
Speaker |
JP2/pins 24 - 27 |
IDE interface 2 |
CN9 |
Wake on LAN connector |
JP3 |
IDE interface 1 |
CN10 |
PCI slots |
PC1 - PC4 |
Chassis instruction connector |
CN11 |
Photo-sensor |
PS1 |
USER CONFIGURABLE SETTINGS | |||
Function |
Label |
Position | |
» |
5v standby voltage at 0.75A for wake on LAN function |
JP1 |
Pins 1 & 2 closed |
5v standby voltage at 0.1A for wake on LAN function |
JP1 |
Pins 2 & 3 closed | |
» |
CMOS memory normal operation |
J18 |
Pins 1 & 2 closed |
CMOS memory clear |
J18 |
Pins 2 & 3 closed | |
» |
Factory configured - do not alter |
J22 |
Pins 2 & 3 closed |
DRAM CONFIGURATION | |||
Size |
Bank 0 |
Bank 1 |
Bank 2 |
8MB |
(1) 1MB x 64 |
None |
None |
16MB |
(1) 1MB x 64 |
(1) 1MB x 64 |
None |
16MB |
(1) 2MB x 64 |
None |
None |
24MB |
(1) 1MB x 64 |
(1) 1MB x 64 |
(1) 1MB x 64 |
32MB |
(1) 2MB x 64 |
(1) 2MB x 64 |
None |
32MB |
(1) 4MB x 64 |
None |
None |
32MB |
(1) 2MB x 64 |
(1) 1MB x 64 |
(1) 1MB x 64 |
40MB |
(1) 2MB x 64 |
(1) 2MB x 64 |
(1) 1MB x 64 |
40MB |
(1) 4MB x 64 |
(1) 1MB x 64 |
None |
48MB |
(1) 4MB x 64 |
(1) 1MB x 64 |
(1) 1MB x 64 |
48MB |
(1) 2MB x 64 |
(1) 2MB x 64 |
(1) 2MB x 64 |
48MB |
(1) 4MB x 64 |
(1) 2MB x 64 |
None |
56MB |
(1) 4MB x 64 |
(1) 2MB x 64 |
(1) 1MB x 64 |
64MB |
(1) 4MB x 64 |
(1) 4MB x 64 |
None |
64MB |
(1) 8MB x 64 |
None |
None |
64MB |
(1) 4MB x 64 |
(1) 2MB x 64 |
(1) 2MB x 64 |
72MB |
(1) 8MB x 64 |
(1) 1MB x 64 |
None |
80MB |
(1) 8MB x 64 |
(1) 1MB x 64 |
(1) 1MB x 64 |
80MB |
(1) 8MB x 64 |
(1) 2MB x 64 |
None |
88MB |
(1) 8MB x 64 |
(1) 2MB x 64 |
(1) 1MB x 64 |
96MB |
(1) 4MB x 64 |
(1) 4MB x 64 |
(1) 4MB x 64 |
96MB |
(1) 8MB x 64 |
(1) 2MB x 64 |
(1) 2MB x 64 |
96MB |
(1) 8MB x 64 |
(1) 4MB x 64 |
None |
104MB |
(1) 8MB x 64 |
(1) 4MB x 64 |
(1) 1MB x 64 |
112MB |
(1) 8MB x 64 |
(1) 4MB x 64 |
(1) 2MB x 64 |
128MB |
(1) 8MB x 64 |
(1) 8MB x 64 |
None |
128MB |
(1) 16MB x 64 |
None |
None |
128MB |
(1) 8MB x 64 |
(1) 4MB x 64 |
(1) 4MB x 64 |
192MB |
(1) 8MB x 64 |
(1) 8MB x 64 |
(1) 8MB x 64 |
256MB |
(1) 16MB x 64 |
(1) 16MB x 64 |
None |
384MB |
(1) 16MB x 64 |
(1) 16MB x 64 |
(1) 16MB x 64 |
FLASH DEVICE MODE SETTINGS | ||
Setting |
J21 |
J23 |
Programmable device |
Pins 1 & 2 closed |
Pins 1 & 2 closed |
Plug and Play |
Pins 1 & 2 closed |
Pins 2 & 3 closed |
Write protect |
Pins 2 & 3 closed |
Pins 2 & 3 closed |
CPU SPEED SELECTION | ||||||
CPU Speed |
Clock speed |
Multiplier |
JP4 |
JP5 |
JP6 |
JP7 |
233MHz |
66MHz |
3.5x |
On |
Off |
Off |
On |
266MHz |
66MHz |
4x |
Off |
On |
On |
On |
300MHz |
66MHz |
4.5x |
Off |
On |
Off |
On |
333MHz |
66MHz |
5x |
Off |
Off |
On |
On |