SEANIX TECHNOLOGY, INC.
YUKON TX
Device Type |
Mainboard |
Processor |
Pentium/Pentium MMX |
Processor Speed |
75/90/100/120/133/150/166/200MHz |
Chip Set |
Intel 430TX |
Maximum Onboard Memory |
512MB (EDO & SDRAM supported) |
Cache |
256/512KB |
BIOS |
AMI |
Dimensions |
220mm x 260mm |
I/O Options |
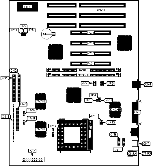
32-bit PCI slots (4), floppy drive interface, IDE interface, parallel port, PS/2 mouse port, serial ports (2), 10 Base-T/100 Base-TX LAN connector |
CONNECTIONS |
|||
Purpose |
Location |
Purpose |
Location |
ATX power connector |
ATX |
IR connector |
CN11/pins 1 - 6 |
IDE interface 1 |
CN1 |
Green-PC connector |
CN11/pins 8 & 9 |
IDE interface 2 |
CN2 |
Reset switch |
CN11/pins 10 & 11 |
Floppy drive interface |
CN3 |
IDE interface LED |
CN11/pins 12 & 15 |
10 Base-T/100 Base-TX connector |
CN4 |
Power LED |
CN11/pins 17 & 19 |
Parallel port |
CN5 |
Speaker |
CN11/pins 23 - 26 |
PS/2 mouse port |
CN7 |
Chassis/CPU fan power |
J4 |
USB connector 1 |
CN8A |
Chassis/CPU fan power |
J7 |
USB connector 2 |
CN8B |
Wake on LAN connector |
JP9 |
Serial port 2 |
CN9 |
32-bit PCI slots |
PC1 - PC4 |
Serial port 1 |
CN10 |
|
|
DRAM CONFIGURATION |
||
Size |
Bank 0 |
Bank 1 |
8MB |
(2) 1M x 36 |
None |
16MB |
(2) 2M x 36 |
None |
16MB |
(2) 1M x 36 |
(2) 1M x 36 |
24MB |
(2) 2M x 36 |
(2) 1M x 36 |
32MB |
(2) 4M x 36 |
None |
32MB |
(2) 2M x 36 |
(2) 2M x 36 |
40MB |
(2) 1M x 36 |
(2) 4M x 36 |
48MB |
(2) 4M x 36 |
(2) 2M x 36 |
64MB |
(2) 8M x 36 |
None |
64MB |
(2) 4M x 36 |
(2) 4M x 36 |
72MB |
(2) 8M x 36 |
(2) 1M x 36 |
80MB |
(2) 8M x 36 |
(2) 2M x 36 |
96MB |
(2) 8M x 36 |
(2) 4M x 36 |
128MB |
(2) 16M x 36 |
None |
128MB |
(2) 8M x 36 |
(2) 8M x 36 |
136MB |
(2) 16M x 36 |
(2) 1M x 36 |
144MB |
(2) 16M x 36 |
(2) 2M x 36 |
160MB |
(2) 16M x 36 |
(2) 4M x 36 |
192MB |
(2) 16M x 36 |
(2) 8M x 36 |
256MB |
(2) 16M x 36 |
(2) 16M x 36 |
256MB |
(2) 16M x 36 |
None |
512MB |
(2) 16M x 36 |
(2) 16M x 36 |
Note: Board accepts EDO memory. |
DIMM VOLTAGE SELECTION |
||
Voltage |
JP6 |
JP7 |
5v |
Closed |
Open |
3.3v |
Open |
Closed |
CPU TYPE SELECTION |
|||
CPU |
JP12 |
JP13 |
JP14 |
Pentium MMX |
Pins 2 & 3 closed |
Pins 2 & 3 closed |
Pins 2 & 3 closed |
Pentium |
Pins 1 & 2 closed |
Pins 1 & 2 closed |
Pins 1 & 2 closed |
CPU SPEED SELECTION (INTEL) |
||||||||
Speed |
Bus Speed |
Multiplier |
JP3 |
JP4 |
JP5 |
JP8 |
JP9 |
JP11 |
133MHz |
66MHz |
2x |
2 & 3 |
Open |
Open |
Open |
Closed |
Open |
150MHz |
60MHz |
2.5x |
2 & 3 |
Closed |
Closed |
Closed |
Open |
Open |
166MHz |
66MHz |
2.5x |
2 & 3 |
Closed |
Open |
Open |
Closed |
Open |
180MHz |
60MHz |
3x |
1 & 2 |
Closed |
Closed |
Closed |
Open |
Open |
200MHz |
66MHz |
3x |
1 & 2 |
Closed |
Open |
Open |
Closed |
Closed |
Note: Pins designated are in the closed position. |
CPU SPEED SELECTION (INTEL MMX) |
||||||||
Speed |
Bus Speed |
Multiplier |
JP3 |
JP4 |
JP5 |
JP8 |
JP9 |
JP11 |
166MHz |
66MHz |
2.5x |
2 & 3 |
Closed |
Open |
Open |
Closed |
Open |
200MHz |
66MHz |
3x |
1 & 2 |
Closed |
Open |
Open |
Closed |
Closed |
233MHz |
66MHz |
3.5x |
1 & 2 |
Open |
Open |
Open |
Closed |
Open |
Note: Pins designated are in the closed position. |
ONBOARD LAN SELECTION |
||
Setting |
JP18 |
JP20 |
Onboard LAN enabled |
Closed |
Closed |
Onboard LAN disabled |
Open |
Open |