TYAN COMPUTER CORPORATION
S1692S
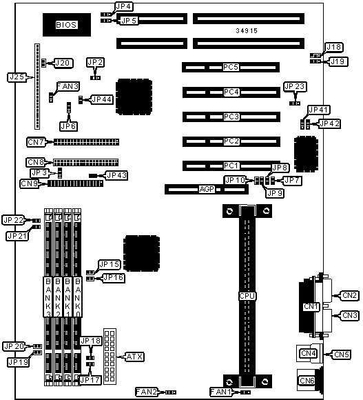
Device Type |
Mainboard |
Processor |
Pentium II |
Processor Speed |
233/266/300/333MHz |
Chip Set |
Intel |
Video Chip Set |
None |
Maximum Onboard Memory |
1GB (EDO & SDRAM supported) |
Maximum Video Memory |
None |
Cache |
256/512KB (located on Pentium II CPU) |
BIOS |
AMI |
Dimensions |
305mm x 244mm |
I/O Options |
32-bit PCI slots (5), floppy drive interface, green PC connector, IDE interfaces (2), parallel port, PS/2 mouse port, serial ports (2), IR connector, USB connectors (2), ATX power connector, AGP slot |
NPU Options |
None |
CONNECTIONS | |||
Purpose |
Location |
Purpose |
Location |
AGP slot |
AGP |
CPU fan power |
FAN2 |
ATX power connector |
ATX |
Chassis fan power |
FAN3 |
Parallel port |
CN1 |
Soft off power supply |
J25/pins 1 & 2 |
Serial port 2 |
CN2 |
Green PC connector |
J25/pins 3 & 4 |
Serial port 1 |
CN3 |
IR connector |
J25/pins 6 - 11 |
USB connector 1 |
CN4 |
IDE interface LED |
J25/pins 13 - 16 |
USB connector 2 |
CN5 |
Power LED |
J25/pins 18 - 20 |
PS/2 mouse port |
CN6 |
Reset switch |
J25/pins 22 & 23 |
IDE interface 1 |
CN7 |
Speaker |
J25/pins 24 - 27 |
IDE interface 2 |
CN8 |
Wake on LAN connector |
JP6 |
Floppy drive interface |
CN9 |
32-bit PCI slots |
PC1 – PC5 |
CPU fan power |
FAN1 |
USER CONFIGURABLE SETTINGS | |||
Function |
Label |
Position | |
» |
Factory configured - do not alter |
J18 |
Unidentified |
» |
Factory configured - do not alter |
J19 |
Unidentified |
» |
Factory configured - do not alter |
J20 |
Unidentified |
» |
Factory configured - do not alter |
JP2 |
Unidentified |
» |
CMOS memory normal operation |
JP3 |
Pins 1 & 2 closed |
CMOS memory clear |
JP3 |
Pins 2 & 3 closed | |
» |
Flash BIOS voltage select 5v |
JP4 |
Pins 1 & 2 closed |
Flash BIOS voltage select 12v |
JP4 |
Pins 2 & 3 closed | |
» |
Factory configured - do not alter |
JP5 |
Unidentified |
» |
Factory configured - do not alter |
JP23 |
Unidentified |
DIMM CONFIGURATION | ||||
Size |
Bank 0 |
Bank 1 |
Bank 2 |
Bank 3 |
8MB |
(1) 1M x 64 |
None |
None |
None |
16MB |
(1) 2M x 64 |
None |
None |
None |
16MB |
(1) 1M x 64 |
(1) 1M x 64 |
None |
None |
24MB |
(1) 2M x 64 |
(1) 1M x 64 |
None |
None |
24MB |
(1) 1M x 64 |
(1) 1M x 64 |
(1) 1M x 64 |
None |
32MB |
(1) 4M x 64 |
None |
None |
None |
DIMM CONFIGURATION (CON’T) | ||||
Size |
Bank 0 |
Bank 1 |
Bank 2 |
Bank 3 |
32MB |
(1) 2M x 64 |
(1) 2M x 64 |
None |
None |
32MB |
(1) 1M x 64 |
(1) 1M x 64 |
(1) 1M x 64 |
(1) 1M x 64 |
40MB |
(1) 4M x 64 |
(1) 1M x 64 |
None |
None |
48MB |
(1) 4M x 64 |
(1) 2M x 64 |
None |
None |
48MB |
(1) 2M x 64 |
(1) 2M x 64 |
(1) 2M x 64 |
None |
64MB |
(1) 2M x 64 |
(1) 2M x 64 |
(1) 2M x 64 |
(1) 2M x 64 |
64MB |
(1) 8M x 64 |
None |
None |
None |
64MB |
(1) 4M x 64 |
(1) 4M x 64 |
None |
None |
72MB |
(1) 8M x 64 |
(1) 1M x 64 |
None |
None |
80MB |
(1) 8M x 64 |
(1) 2M x 64 |
None |
None |
96MB |
(1) 8M x 64 |
(1) 4M x 64 |
None |
None |
96MB |
(1) 4M x 64 |
(1) 4M x 64 |
(1) 4M x 64 |
None |
128MB |
(1) 16M x 64 |
None |
None |
None |
128MB |
(1) 8M x 64 |
(1) 8M x 64 |
None |
None |
128MB |
(1) 4M x 64 |
(1) 4M x 64 |
(1) 4M x 64 |
(1) 4M x 64 |
136MB |
(1) 16M x 64 |
(1) 1M x 64 |
None |
None |
144MB |
(1) 16M x 64 |
(1) 2M x 64 |
None |
None |
152MB |
(1) 16M x 64 |
(1) 1M x 64 |
(1) 1M x 64 |
(1) 1M x 64 |
160MB |
(1) 16M x 64 |
(1) 4M x 64 |
None |
None |
176MB |
(1) 16M x 64 |
(1) 2M x 64 |
(1) 2M x 64 |
(1) 2M x 64 |
192MB |
(1) 16M x 64 |
(1) 8M x 64 |
None |
None |
192MB |
(1) 8M x 64 |
(1) 8M x 64 |
(1) 8M x 64 |
None |
224MB |
(1) 16M x 64 |
(1) 4M x 64 |
(1) 4M x 64 |
(1) 4M x 64 |
256MB |
(1) 32M x 64 |
None |
None |
None |
256MB |
(1) 16M x 64 |
(1) 16M x 64 |
None |
None |
256MB |
(1) 8M x 64 |
(1) 8M x 64 |
(1) 8M x 64 |
(1) 8M x 64 |
272MB |
(1) 16M x 64 |
(1) 16M x 64 |
(1) 1M x 64 |
(1) 1M x 64 |
280MB |
(1) 32M x 64 |
(1) 1M x 64 |
(1) 1M x 64 |
(1) 1M x 64 |
288MB |
(1) 16M x 64 |
(1) 16M x 64 |
(1) 2M x 64 |
(1) 2M x 64 |
304MB |
(1) 32M x 64 |
(1) 2M x 64 |
(1) 2M x 64 |
(1) 2M x 64 |
320MB |
(1) 16M x 64 |
(1) 16M x 64 |
(1) 4M x 64 |
(1) 4M x 64 |
320MB |
(1) 16M x 64 |
(1) 8M x 64 |
(1) 8M x 64 |
(1) 8M x 64 |
352MB |
(1) 32M x 64 |
(1) 4M x 64 |
(1) 4M x 64 |
(1) 4M x 64 |
384MB |
(1) 16M x 64 |
(1) 16M x 64 |
(1) 16M x 64 |
None |
DIMM CONFIGURATION (CON’T) | ||||
Size |
Bank 0 |
Bank 1 |
Bank 2 |
Bank 3 |
448MB |
(1) 32M x 64 |
(1) 8M x 64 |
(1) 8M x 64 |
(1) 8M x 64 |
512MB |
(1) 32M x 64 |
(1) 32M x 64 |
None |
None |
512MB |
(1) 16M x 64 |
(1) 16M x 64 |
(1) 16M x 64 |
(1) 16M x 64 |
640MB |
(1) 32M x 64 |
(1) 16M x 64 |
(1) 16M x 64 |
(1) 16M x 64 |
768MB |
(1) 32M x 64 |
(1) 32M x 64 |
(1) 32M x 64 |
None |
1024MB |
(1) 32M x 64 |
(1) 32M x 64 |
(1) 32M x 64 |
(1) 32M x 64 |
Note: Board accepts EDO & SDRAM memory. Maximum SDRAM is 512MB. Maximum EDO is 1GB. |
DIMM/SIMM VOLTAGE CONFIGURATION | |||||
Voltage |
JP15 |
JP16 |
JP17 |
JP18 | |
» |
3.3v |
Closed |
Closed |
Closed |
Closed |
5v |
Open |
Open |
Open |
Open |
DIMM/SIMM VOLTAGE CONFIGURATION (CON’T) | |||||
Voltage |
JP19 |
JP20 |
JP21 |
JP22 | |
» |
3.3v |
Open |
Open |
Open |
Open |
5v |
Closed |
Closed |
Closed |
Closed |
CACHE CONFIGURATION |
Note: 256KB/512KB cache is located on the Pentium II CPU. |
CPU SPEED SELECTION | ||||||
CPU speed |
Clock speed |
Multiplier |
JP7 |
JP8 |
JP9 |
JP10 |
233MHz |
66MHz |
3.5x |
Closed |
Open |
Open |
Closed |
266MHz |
66MHz |
4x |
Closed |
Closed |
Closed |
Open |
300MHz |
66MHz |
4.5x |
Closed |
Open |
Closed |
Open |
333MHz |
66MHz |
5x |
Closed |
Closed |
Open |
Open |
IR SELECTION | |||||
Setting |
JP41 |
JP42 |
JP43 |
JP44 | |
» |
2 FDD |
Pins 1 & 2 closed |
Pins 1 & 2 closed |
Closed |
Open |
IR connector |
Pins 2 & 3 closed |
Pins 2 & 3 closed |
Open |
Closed |